ESP32單片機是一款基于改進的Tensilica LX6微架構的32位雙核處理器 SoC,配備2.4 GHz Wi-Fi和藍牙功能。由于其低功耗、高速度和廣泛的應用適用性而被廣泛應用。本文將介紹ESP32單片機的基本概念,開發環境,開發語言和一些注意事項,并提供一些簡單的代碼例程,以點亮LED燈和控制繼電器為例。
一、ESP32單片機的基本概念
1.雙核架構
ESP32單片機有兩個處理器內核,主內核和協處理器內核。主內核能夠運行完整的操作系統,而協處理器內核僅用于低功率計算。
2. Wi-Fi和藍牙功能
ESP32單片機支持2.4 GHz Wi-Fi和藍牙低功耗技術,可以在物聯網應用中實現設備之間的通信。
3. 集成多種外設
ESP32單片機集成了具有豐富特性的外設,如連接可編程輸入/輸出口(Pin)的通用串行總線(UART),藍牙低功耗(BLE),通用直接存儲器訪問(UMA),I²C,SPI,SDIO和功率管理單元( PMU)等。
4. 支持多種操作系統
ESP32單片機可支持多種操作系統,如FreeRTOS,AliOS Things等,以滿足不同的應用需求。
二、開發環境
ESP32單片機開發的兩個主要環境:Arduino IDE和Espressif官方的ESP-IDF。
1. Arduino IDE
使用Arduino IDE可以更加快速簡單地進行開發,Arduiono為ESP32提供了一個官方的軟件開發工具,用戶可以通過這個工具基于Arduino開發自己的編碼,并燒錄到ESP32上進行實驗。使用步驟:
(1)下載Arduino IDE
(2)安裝ESP32包
(3)選擇ESP32板
(4)編寫程序
(5)燒錄到ESP32上
2. ESP-IDF
ESP-IDF是專門為ESP32定制的官方開發環境,使用ESP-IDF可以完全控制ESP32硬件的全部功能,并使用其內置的API完成更高級的任務。開發步驟:
(1)下載ESP-IDF
(2)建立并配置項目
(3)編寫程序
(4)編譯和燒錄到ESP32
三、開發語言
ESP-IDF支持C和C++編程語言,Arduino IDE支持Arduino編程語言。
C和C++可用于訪問ESP32的所有功能,并且可以使用Espressif的API庫創建更高級的功能。
Arduino編程語言基于C/C++語言,并使用面向對象編程方法。它簡化了硬件編程,并利用Arduino的許多內置庫來操作輸入/輸出口,并在屏幕上輸出數據。
四、注意事項
1. ESP32單片機的工作電壓為3.3V,不能將其與5V設備直接連接。
2. 在連接輸入/輸出口時,應仔細研究設備制造商的規格說明,并選擇正確的電阻值來保護設備。
3. ESP32單片機的特殊處理器架構意味著需要為每個處理器內核編寫程序。 這需要特定的編程技能并可能需要額外的工具/庫。
五、代碼例程
下面提供兩個簡單的ESP32單片機代碼例程,分別是點亮LED燈和控制繼電器:
(1)點亮LED燈
好的,下面是一個使用ESP32點亮LED燈的例程,包括電路圖,代碼,代碼注釋和注意事項:
1. 電路圖
2. 代碼
然后,我們需要編寫代碼來讓ESP32單片機控制GPIO口,從而點亮 LED燈。請參考以下代碼:
/*
ESP32點亮LED燈的例程
本例程使用GPIO18控制LED
*/
// 引入需要的庫
#include <Arduino.h>
// 定義 LED 燈所在 GPIO 口的編號
#define LED_PIN 18
void setup() {
// 將LED所在的GPIO口設置為輸出模式
pinMode(LED_PIN, OUTPUT);
}
void loop() {
// 將LED置于高電平狀態,即點亮LED燈
digitalWrite(LED_PIN, HIGH);
// 延遲一段時間,Unit為毫秒ms
delay(1000);
// 將LED置于低電平狀態,即熄滅LED燈
digitalWrite(LED_PIN, LOW);
// 再次延遲一段時間
delay(1000);
}
3. 代碼注釋
為了更好地理解上述代碼,以下是注釋:
首先,使用 #include <Arduino.h>引入了 Arduino 庫,#define LED_PIN 18 定義了使用 GPIO18 作為 LED 口。
void setup()是初始化函數,它會在程序運行開始時執行一次。在本例中,通過 pinMode(LED_PIN, OUTPUT) 將 GPIO18 作為輸出模式,以控制 LED 的狀態。
void loop() 是主函數,它在初始化函數執行后按照無限循環執行。
在本例中,通過調用 digitalWrite(LED_PIN, HIGH) 將 GPIO18 的電平狀態設置為高電平(3.3V),以點亮 LED 燈。然后,通過 delay(1000) 函數延遲1秒鐘時間。接著,調用 digitalWrite(LED_PIN, LOW) 將 GPIO18 的電平狀態設置為低電平(0V),以熄滅 LED 燈。再次使用 delay(1000) 延遲1秒鐘時間。
4. 注意事項
在使用 ESP32 單片機控制 LED 燈時,需要注意一些事項:
1. 注意電源電壓,ESP32 單片機的工作電壓為3.3V,將其連接到其他電壓系統時,需要使用電位分壓器將電壓轉換為其能夠接受的范圍內。
2. 在連接輸入/輸出口時,應仔細研究設備制造商的規格說明,并選擇正確的電阻值來保護設備。
3. ESP32 單片機的特殊處理器架構意味著需要為每個處理器內核編寫程序。這需要特定的編程技能并可能需要額外的工具/庫。
(2)控制繼電器
好的,下面是一個使用 ESP32 控制繼電器的例程,包括電路圖,代碼,代碼注釋和注意事項:
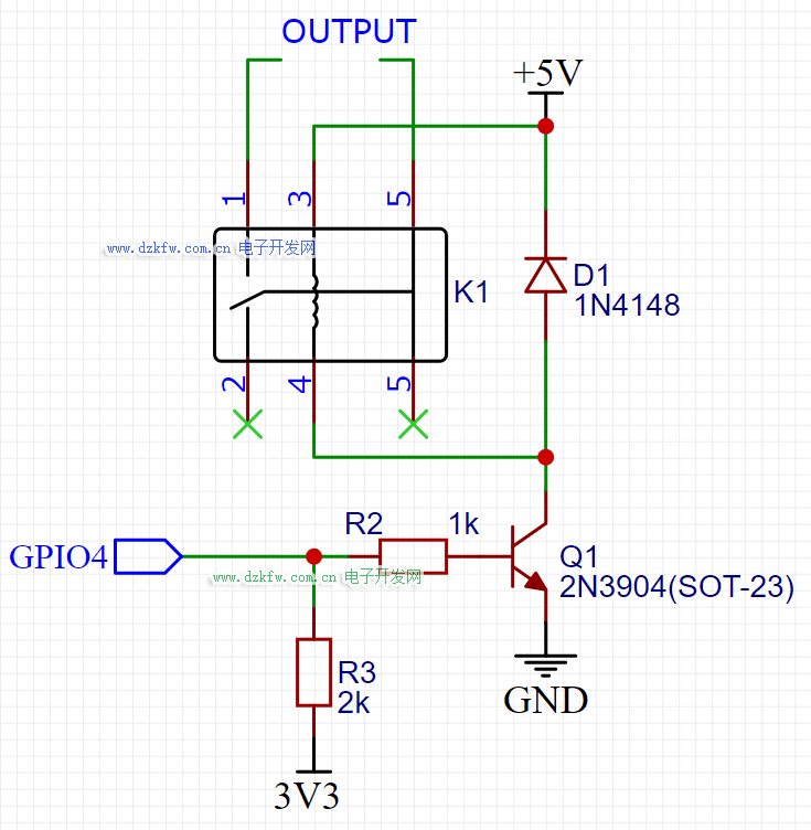
1. 電路圖
首先,我們需要將 ESP32 單片機的一個 GPIO 口連接到一個繼電器,以控制繼電器的開關。以下是電路圖:
在這個電路中,繼電器的 VCC 引腳連接到電源正極5V,而 GND 引腳連接到電源地線上。在此基礎上,IN 引腳連接到 ESP32 單片機的 GPIO4 口,由此控制繼電器的開關狀態。
2. 代碼
然后,我們需要編寫代碼來讓 ESP32 單片機控制 GPIO 口,從而實現控制繼電器的功能。請參考以下代碼:
/*
ESP32控制繼電器的例程
本例程使用GPIO4控制繼電器
*/
// 引入需要的庫
#include <Arduino.h>
// 定義繼電器所在 GPIO 口的編號
#define RELAY_PIN 4
void setup()
{
// 將繼電器所在的 GPIOP口設置為輸出模式
pinMode(RELAY_PIN, OUTPUT);
// 打開繼電器
digitalWrite(RELAY_PIN, LOW);
}
void loop()
{
// 延遲一段時間,unit為毫秒ms
delay(1000);
//關閉繼電器
digitalWrite(RELAY_PIN, HIGH);
// 延遲一段時間
delay(1000);
// 打開繼電器
digitalWrite(RELAY_PIN, LOW);
}
3. 代碼注釋
代碼注釋如下:
首先,使用 #include <Arduino.h> 引入了 Arduino 庫,#define RELAY_PIN 4 定義了使用 GPIO4 作為繼電器口。
void setup() 是初始化函數,它會在程序運行開始時執行一次。在本例中,通過 pinMode(RELAY_PIN, OUTPUT) 將 GPIO4 作為輸出模式,以控制繼電器的狀態。在初始化函數中,通過 digitalWrite(RELAY_PIN, LOW) 打開繼電器,使其處于閉合狀態。
void loop() 是主函數,它在初始化函數執行后按照無限循環執行。在本例中,首先使用 delay(1000) 延遲1秒鐘的時間。然后,通過調用 digitalWrite(RELAY_PIN, HIGH) 使繼電器打開,其處于斷開狀態。再次使用 delay(1000) 延遲1秒鐘時間。接著,調用 digitalWrite(RELAY_PIN, LOW) 使繼電器閉合,以使繼電器重新打開。
4. 注意事項
在使用 ESP32 單片機控制繼電器時,需要注意一些事項:
1.在連接繼電器之前,關閉電源并斷開連接線,以防電擊或損壞ESP32。
2.將繼電器模塊VCC引腳連接到ESP32的5V引腳,并將繼電器模塊GND引腳連接到ESP32的GND引腳。
3.確保使用適當的電流驅動繼電器。如果繼電器需要較高電流,需要使用外部電源或繼電器模塊。
4.在使用延時函數時需要注意,過長或過短的延時會導致程序運行不正常。
5.在切換繼電器狀態時,應禁止在電路中使用感性負載,以避免繼電器產生過電壓或過電流。
6.應適當保護繼電器以避免灰塵、濕氣等影響繼電器性能。


返回頂部
刷新頁面
下到頁底