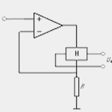
1.恒流工作電路
溫度變化引起霍爾元件的輸入電阻變化,從而使控制電流發生變化帶來誤差,為了減少這種誤差,常采用恒流源供電,如圖1所示。在恒流工作條件下,沒有霍爾元件輸入電阻和磁阻效應的影響。

圖1 恒流工作的霍爾傳感器
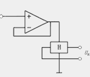
2.恒壓工作電路
恒壓工作比恒流工作的性能要差些,只適用于精度要求不太高的地方,如圖2所示。

圖2 恒壓工作的霍爾傳感器
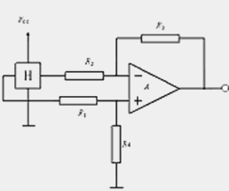
3.差分放大電路
霍爾元件的輸出電壓一般較小,需要用放大電路放大其輸出電壓。為了獲得較好的放大效果,需采用差分放大電路,如圖3所示。使用一個運算放大器時,霍爾元件的輸出電阻可能會大于運算放大器的輸入電阻,從而產生誤差,而采用圖4所示的電路,則不存在這個問題。

圖3 一個運算放大器的放大電路
圖4 三個運算放大器的放大電路


返回頂部
刷新頁面
下到頁底