有關單片機中斷系統的概念:什么是中斷,我們從一個生活中的例程引入。你正在家中看書,突然電話鈴響了,你放下書本,去接電話,和來電話的人交談,然后放下電話,回來繼續看你的書。這就是生活中的“中斷”的現象,就是正常的工作過程被外部的事件打斷了。仔細研究一下生活中的中斷,對于我們學習單片機的中斷也很有好處。
第一、什么可經引起中斷,生活中很多事件能引起中斷:有人按了門鈴了,電話鈴響了,你的鬧鐘鬧響了,你燒的水開了….等等諸如此類的事件,我們把能引起中斷的稱之為中斷源,單片機中也有一些能引起中斷的事件,8031中一共有5個:兩個外部中斷,兩個計數/定時器中斷,一個串行口中斷。
第二、中斷的嵌套與優先級處理:設想一下,我們正在看書,電話鈴響了,同時又有人按了門鈴,你該先做那樣呢?如果你正是在等一個很重要的電話,你一般不會去理會門鈴的,而反之,你正在等一個重要的客人,則可能就不會去理會電話了。如果不是這兩者(即不等電話,也不是等人上門),你可能會按你常常的習慣去處理。總之這里存在一個優先級的問題,單片機中也是如此,也有優先級的問題。優先級的問題不僅僅發生在兩個中斷同時產生的情況,也發生在一個中斷已產生,又有一個中斷產生的情況,比如你正接電話,有人按門鈴的情況,或你正開門與人交談,又有電話響了情況。考慮一下我們會怎么辦吧。
第三、中斷的響應過程:當有事件產生,進入中斷之前我們必須先記住現在看書的第幾頁了,或拿一個書簽放在當前頁的位置,然后去處理不一樣的事情(因為處理完了,我們還要回來繼續看書):電話鈴響我們要到放電話的地方去,門鈴響我們要到門那邊去,也說是不一樣的中斷,我們要在不一樣的地點處理,而這個地點常常還是固定的。計算機中也是采用的這種辦法,五個中斷源,每個中斷產生后都到一個固定的地方去找處理這個中斷的程序,當然在去之前首先要保存下面將執行的指令的地址,以便處理完中斷后回到原來的地方繼續往下執行程序。具體地說,中斷響應能分為以下幾個步驟:1、保護斷點,即保存下一將要執行的指令的地址,就是把這個地址送入堆棧。2、尋找中斷入口,根據5個不一樣的中斷源所產生的中斷,查找5個不一樣的入口地址。以上工作是由計算機自動完成的,與編程者無關。在這5個入口地址處存放有中斷處理程序(這是程序編寫時放在那兒的,如果沒把中斷程序放在那兒,就錯了,中斷程序就不能被執行到)。3、執行中斷處理程序。4、中斷返回:執行完中斷指令后,就從中斷處返回到主程序,繼續執行。究竟單片機是怎么樣找到中斷程序所在位置,又怎么返回的呢?我們稍后再談。
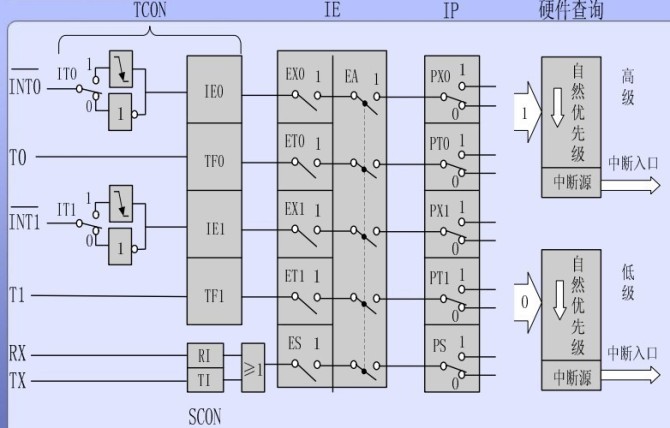
MCS-51單片機中斷系統的結構:
5個中斷源的符號、名稱及產生的條件如下。
INT0:外部中斷0,由P3.2端口線引入,低電平或下跳沿引起。
INT1:外部中斷1,由P3.3端口線引入,低電平或下跳沿引起。
T0:定時器/計數器0中斷,由T0計滿回零引起。
T1:定時器/計數器l中斷,由T1計滿回零引起。
TI/RI:串行I/O中斷,串行端口完成一幀字符發送/接收后引起。
整個中斷系統的結構框圖見下圖一所示。

<51單片機中斷系統結構>
如圖所示,由與中斷有關的特殊功能寄存器、中斷入口、次序查詢邏輯電路等組成,包括5個中斷請求源,4個用于中斷控制的寄存器IE、IP、ECON和SCON來控制中斷類弄、中斷的開、關和各種中斷源的優先級確定。
中斷請求源:
(1)外部中斷請求源:即外中斷0和1,經由外部管腳引入的,在單片機上有兩個管腳,名稱為INT0、INT1,也就是P3.2、P3.3這兩個管腳。在內部的TCON中有四位是與外中斷有關的。IT0:INT0觸發方式控制位,可由軟件進和置位和復位,IT0=0,INT0為低電平觸發方式,IT0=1,INT0為負跳變觸發方式。這兩種方式的差異將在以后再談。IE0:INT0中斷請求標志位。當有外部的中斷請求時,這位就會置1(這由硬件來完成),在CPU響應中斷后,由硬件將IE0清0。IT1、IE1的用途和IT0、IE0相同。(2)內部中斷請求源TF0:定時器T0的溢出中斷標記,當T0計數產生溢出時,由硬件置位TF0。當CPU響應中斷后,再由硬件將TF0清0。TF1:與TF0類似。TI、RI:串行口發送、接收中斷,在串行口中再講解。2、中斷允許寄存器IE在MCS-51中斷系統中,中斷的允許或禁止是由片內可進行位尋址的8位中斷允許寄存器IE來控制的。見下表EAX
其中EA是總開關,如果它等于0,則所有中斷都不允許。ES-串行口中斷允許ET1-定時器1中斷允許EX1-外中斷1中斷允許。ET0-定時器0中斷允許EX0-外中斷0中斷允許。如果我們要設置允許外中斷1,定時器1中斷允許,其它不允許,則IE能是EAX
即8CH,當然,我們也能用位操作指令SETB EA
SETB ET1SETB EX1
來實現它。3、五個中斷源的自然優先級與中斷服務入口地址外中斷0:0003H定時器0:000BH外中斷1:0013H定時器1:001BH串行口:0023H它們的自然優先級由高到低排列。寫到這里,大家應當明白,為什么前面有一些程序一始我們這樣寫:
ORG 0000HLJMP START
ORG 0030H
START:。
這樣寫的目的,就是為了讓出中斷源所占用的向量地址。當然,在程序中沒用中斷時,直接從0000H開始寫程序,在原理上并沒有錯,但在實際工作中最好不這樣做。優先級:單片機采用了自然優先級和人工設置高、低優先級的策略,即能由程序員設定那些中斷是高優先級、哪些中斷是低優先級,由于只有兩級,必有一些中斷處于同一級別,處于同一級別的,就由自然優先級確定。
開機時,每個中斷都處于低優先級,我們能用指令對優先級進行設置。看表2中斷優先級中由中斷優先級寄存器IP來高置的,IP中某位設為1,對應的中斷就是高優先級,不然就是低優先級。
XX
X
PS
PT1
PX1
PT0
PX0
例:設有如下要求,將T0、外中斷1設為高優先級,其它為低優先級,求IP的值。IP的首3位沒用,可任意取值,設為000,后面根據要求寫就能了XX
因此,最終,IP的值就是06H。例:在上例中,如果5個中斷請求同時發生,求中斷響應的次序。響應次序為:定時器0->外中斷1->外中斷0->實時器1->串行中斷。
MCS-51的中斷響應過程:
1、中斷響應的條件:講到這兒,我們依然對于計算機響應中斷感到神奇,我們人能響應外界的事件,是因為我們有多種“傳感器“――眼、耳能接受不一樣的信息,計算機是如何做到這點的呢?其實說穿了,一點都不希奇,MCS51工作時,在每個機器周期中都會去查詢一下各個中斷標記,看他們是否是“1“,如果是1,就說明有中斷請求了,所以所謂中斷,其實也是查詢,不過是每個周期都查一下而已。這要換成人來說,就相當于你在看書的時候,每一秒鐘都會抬起頭來看一看,查問一下,是不是有人按門鈴,是否有電話。。。。很蠢,不是嗎?可計算機本來就是這樣,它根本沒人聰明。了解了上述中斷的過程,就不難解中斷響應的條件了。在下列三種情況之一時,CPU將封鎖對中斷的響應:
CPU正在處理一個同級或更高級別的中斷請求。
現行的機器周期不是當前正執行指令的最后一個周期。我們知道,單片機有單周期、雙周期、三周期指令,當前執行指令是單字節沒有關系,如果是雙字節或四字節的,就要等整條指令都執行完了,才能響應中斷(因為中斷查詢是在每個機器周期都可能查到的)。
當前正執行的指令是返回批令(RETI)或訪問IP、IE寄存器的指令,則CPU至少再執行一條指令才應中斷。這些都是與中斷有關的,如果正訪問IP、IE則可能會開、關中斷或改變中斷的優先級,而中斷返回指令則說明本次中斷還沒有處理完,所以都要等本指令處理結束,再執行一條指令才能響應中斷。
2、中斷響應過程CPU響應中斷時,首先把當前指令的下一條指令(就是中斷返回后將要執行的指令)的地址送入堆棧,然后根據中斷標記,將對應的中斷入口地址送入PC,PC是程序指針,CPU取指令就根據PC中的值,PC中是什么值,就會到什么地方去取指令,所以程序就會轉到中斷入口處繼續執行。這些工作都是由硬件來完成的,不必我們去考慮。這里還有個問題,大家是否注意到,每個中斷向量地址只間隔了8個單元,如0003-000B,在如此少的空間中如何完成中斷程序呢?很簡單,你在中斷處安排一個LJMP指令,不就能把中斷程序跳轉到任何地方了嗎?一個完整的主程序看起來應該是這樣的:
ORG 0000HLJMP START
ORG 0003H
LJMP INT0 ;轉外中斷0ORG 000BH
RETI ;沒有用定時器0中斷,在此放一條RETI,萬一 “不小心“產生了中斷,也不會有太大的后果。。
中斷程序完成后,一定要執行一條RETI指令,執行這條指令后,CPU將會把堆棧中保存著的地址取出,送回PC,那么程序就會從主程序的中斷處繼續往下執行了。注意:CPU所做的保護工作是很有限的,只保護了一個地址,而其它的所有東西都不保護,所以如果你在主程序中用到了如A、PSW等,在中斷程序中又要用它們,還要保證回到主程序后這里面的數據還是沒執行中斷以前的數據,就得自己保護起來。
中斷系統的控制寄存器:
中斷系統有兩個控制寄存器IE和IP,它們分別用來設定各個中斷源的打開/關閉和中斷優先級。此外,在TCON中另有4位用于選擇引起外部中斷的條件并作為標志位。
1.中斷允許寄存器--IE
IE在特殊功能寄存器中,字節地址為A8H,位地址(由低位到高位)分別是A8H-AFH。
IE用來打開或關斷各中斷源的中斷請求,基本格式如下圖二所示:

EA:全局中斷允許位。EA=0,關閉全部中斷;EA=1,打開全局中斷控制,在此條件下,由各個中斷控制位確定相應中斷的打開或關閉。
×:無效位。
ES:串行I/O中斷允許位。ES=1,打開串行I/O中斷;ES=0,關閉串行I/O中斷。
ETl;定時器/計數器1中斷允許位。ETl=1,打開T1中斷;ETl=O,關閉T1中斷。
EXl:外部中斷l中斷允許位。EXl=1,打開INT1;EXl=0,關閉INT1。
ET0:定時器/計數器0中斷允許位。ET0=1,打開T0中斷;ET0=0,關閉TO中斷。
EXO:外部中斷0中斷允許位。Ex0=1,打開INT0;EX0=0,關閉INT0.
中斷優先寄存器--IP:
IP在特殊功能寄存器中,字節地址為B8H,位地址(由低位到高位)分別是B8H一BFH,IP用來設定各個中斷源屬于兩級中斷中的哪一級,IP的基本格式如下圖三所示:

×:無效位。
PS:串行I/O中斷優先級控制位。PS=1,高優先級;PS=0,低優先級。
PTl:定時器/計數器1中斷優先級控制位。PTl=1,高優先級;PTl=0,低優先級。
Pxl:外部中斷1中斷優先級控制位。Pxl=1,高優先級;PXl=O,低優先級。
PT0:定時器/計數器o中斷優先級控制位。PT0=1,高優先級;PTO=0,低優先級。
Px0:外部中斷0中斷優先級控制位。Px0=1,高優先級;Px0=0,傷優先級。
在MCS-51單片機系列中,高級中斷能夠打斷低級中斷以形成中斷嵌套;同級中斷之間,或低級對高級中斷則不能形成中斷嵌套。若幾個同級中斷同時向CPU請求中斷響應,則CPU按如下順序確定響應的先后順序:
INT0一T0---INT1一T1一RI/T1.
中斷的響應過程
若某個中斷源通過編程設置,處于被打開的狀態,并滿足中斷響應的條件,而且①當前正在執行的那條指令已被執行完
1、當前末響應同級或高級中斷
2、不是在操作IE,IP中斷控制寄存器或執行REH指令則單片機響應此中斷。
在正常的情況下,從中斷請求信號有效開始,到中斷得到響應,通常需要3個機器周期到8個機器周期。中斷得到響應后,自動清除中斷請求標志(對串行I/O端口的中斷標志,要用軟件清除),將斷點即程序計數器之值(PC)壓入堆棧(以備恢復用);然后把相應的中斷入口地址裝入PC,使程序轉入到相應的中斷服務程序中去執行。
各個中斷源在程序存儲器中的中斷入口地址如下:
中斷源 入口地址
INT0(外部中斷0) 0003H
TF0(TO中斷) 000BH
INT1(外部中斷1) 0013H
TFl(T1中斷) 001BH
RI/TI(串行口中斷) 0023H
由于各個中斷入口地址相隔甚近,不便于存放各個較長的中斷服務程序,故通常在中斷入口地址開始的二三個單元中,安排一條轉移類指令,以轉入到安排在那兒的中斷服務程序。以T1中斷為例,其過程下如圖四所示。
由于5個中斷源各有其中斷請求標志0,TF0,IEl,TFl以及RI/TI,在中斷源滿足中斷請求的條件下,各標志自動置1,以向CPU請求中斷。如果某一中斷源提出中斷請求后,CPU不能立即響應,只要該中斷請求標志不被軟件人為清除,中斷請求的狀態就將一直保持,直到CPU響應了中斷為止,對串行口中斷而言,這一過程與其它4個中斷的不同之處在于;即使CPU響應了中斷,其中斷標志RI/TI也不會自動清零,必須在中斷服務程序中設置清除RI/TI的指令后,才會再一次地提出中斷請求。
CPU的現場保護和恢復必須由被響應的相應中斷服務程序去完成,當執行RETI中斷返回指令后,斷點值自動從棧頂2字節彈出,并裝入PC寄存器,使CPU繼續執行被打斷了的程序。
下面給出一個應用定時器中斷的實例。
現要求編制一段程序,使P1.0端口線上輸出周期為2ms的方波脈沖。設單片機晶振頻率
Fosc=6MHZ.
1、方法:利用定時器T0作1ms定時,達到定時值后引起中斷,在中斷服務程序中,使P1.0的狀態取一次反,并再次定時1ms。
2、定時初值:機器周期MC=12/fosc=2us。所以定時lms所需的機器周期個數為500D,亦即0lF4H。設T0為工作方式1(16位方式),則定時初值是(01F4H)求補=FEOCH

| START: | MOV TMOD,#01H | ;T0為定時器狀態,工作方式1 |
| MOV TL0,#0CH | ;T0的低位定時初值 | |
| MOV TH0,#0FEH | ;T0的高位定時初值 | |
| MOV TCON,#10H | ;打開T0 | |
| SETB ET0 | ;1ET0,即允許T0中斷 | |
| SETB EA | ;1EA,即充許全局中斷 | |
| AJMP $ | ;動態暫存 | |
| 000BH: | AJMP IST0 | ;轉入T0中斷服務程序入口地址IST0 |
| IST0: | MOV TL0,#0CH | ;重置定時器初值 |
| MOV TH0,#0FEH | ;重置定時器初值 | |
| CPL P1.0 | ;P1.0取反 | |
| RET1 | ;中斷返回 |
串行端口的控制寄存器:
串行端口共有2個控制寄存器SCON和PCON,用以設置串行端口的工作方式、接收/發送的運行狀態、接收/發送數據的特征、波特率的大小,以及作為運行的中斷標志等。
①串行口控制寄存器SCON
SCON的字節地址是98H,位地址(由低位到高位)分別是98H一9FH。SCON的格式如圖五所示。

SMo,SMl:
串行口工作方式控制位。
00--方式0;01--方式1;
10--方式2;11--方式3。
SM2:
僅用于方式2和方式3的多機通訊控制位
發送機SM2=1(要求程控設置)。
當為方式2或方式3時:
接收機 SM2=1時,若RB8=1,可引起串行接收中斷;若RB8=0,不
引起串行接收中斷。SM2=0時,若RB8=1,可引起串行接收中斷;若
RB8=0,亦可引起串行接收中斷。
REN:
串行接收允許位。
0--禁止接收;1--允許接收。
TB8:
在方式2,3中,TB8是發送機要發送的第9位數據。
RB8:
在方式2,3中,RB8是接收機接收到的第9位數據,該數據正好來自發
送機的TB8。
TI:
發送中斷標志位。發送前必須用軟件清零,發送過程中TI保持零電平,
發送完一幀數據后,由硬件自動置1。如要再發送,必須用軟件再清零。
RI:
接收中斷標志位。接收前,必須用軟件清零,接收過程中RI保持零電
平,接收完一幀數據后,由片內硬件自動置1。如要再接收,必須用軟件
再清零。
電源控制寄存器PCON
PCON的字節地址為87H,無位地址,PCON的格式如圖六所示。需指出的是,對80C31單片機而言,PCON還有幾位有效控制位。
SMOD:波特率加倍位。在計算串行方式1,2,3的波特率時;0---不加倍;1---加倍。
串行中斷的應用特點:
8031單片機的串行I/O端口是一個中斷源,有兩個中斷標志RI和TI,RI用于接收,TI用于發送。
串行端口無論在何種工作方式下,發送/接收前都必須對TI/RI清零。當一幀數據發送/接收完后,TI/RI自動置1,如要再發送/接收,必須先用軟件將其清除。
在串行中斷被打開的條件下,對方式0和方式1來說,一幀數據發送/接收完后,除置位TI/RI外,還會引起串行中斷請求,并執行串行中側目務程序。但對方式2和方式3的接收機而言,還要視SM2和RB8的狀態,才可確定RI是否被置位以及串行中斷的開放:
SM2 RB8 接收機中斷標志與中斷狀態
0 1 激活RI,引起中斷
1 0 不激活RI,不引起中斷
1 1 激活RI,引起中斷
單片機正是利用方式2,3的這一特點,實現多機間的通信。串行端口的常用應用方法見相關章節。
波特率的確定:
對方式0來說,波特率已固定成fosc/12,隨著外部晶振的頻率不同,波特率亦不相同。常用的fosc有12MHz和6MHz,所以波特率相應為1000×103和500×103位/s。在此方式下,數據將自動地按固定的波特率發送/接收,完全不用設置。
對方式2而言,波特率的計算式為2SMOD·fosc/64。當SMOD=0時,波特率為fm/64;當SMOD=1時,波特率為fosc/32。在此方式下,程控設置SMOD位的狀態后,波特率就確定了,不需要再作其它設置。
對方式1和方式3來說,波特率的計算式為2SMOD/32×T1溢出率,根據SMOD狀態位的不同,波特率有Tl/32溢出率和T1/16溢出率兩種。由于T1溢出率的設置是方便的,因而波特率的選擇將十分靈活。
前已敘及,定時器Tl有4種工作方式,為了得到其溢出率,而又不必進入中斷服務程序,往往使T1設置在工作方式2的運行狀態,也就是8位自動加入時間常數的方式。由于在這種方式下,T1的溢出率(次/秒)計算式可表達成:

下面一段主程序和中斷服務程序,是利用串行方式l從數據00H開始連續不斷增大地串行發送一片數據的程序例。設單片機晶振的頻率為6MHZ,波特率為1200位/秒。
| ORG 2000H | ;1200位/秒的定時器初值 |
| MOV TL1,#0F3H | |
| MOV TH1,#0F3H | ;使SMOD=0 |
| MOV PCON,#00H | ;T1方式2 |
| MOV TMOD,#20H | |
| SETB EA | |
| CLR ET1 | ;關閉T1中斷 |
| SETB ES | ;開串行中斷 |
| SETB TR1 | ;開T1定時 |
| MOV SCON,#40H | ;串行方式1 |
| CLR A | |
| MOV SBUF,A | ;串行發送 |
| JNB T1,$ | ;等待發送完 |
| CLR T1, | ;清標志 |
| SJMP $ | |
| ORG 0023H | ;串行中斷入口地址 |
| MOV SBUF,A | ;連續發送 |
| JNB T1,$ | |
| INC A | |
| CLR T1 | |
| RET1 | ;中斷返回 |


返回頂部
刷新頁面
下到頁底