1、設計原理
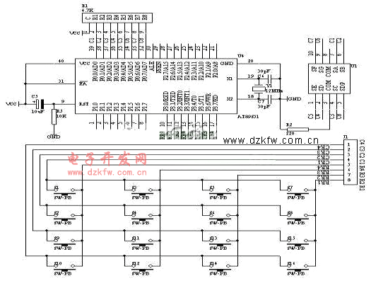
(1)如圖14.2所示,用單片機的并行口P3連接4×4矩陣鍵盤,并以單片機的P3.0-P3.3各管腳作輸入線,以單片機的P3.4-P3.7各管腳作輸出線,在數碼管上顯示每個按鍵 “0-F”的序號。
(2)鍵盤中對應按鍵的序號排列如圖14.1所示。
2、參考電路
3、電路硬件說明
(1)在“單片機系統”區域中,把單片機的P3.0-P3.7端口通過8聯撥動撥碼開關JP3連接到“4×4行列式鍵盤”區域中的M1-M4,N1-N4端口上。
(2)在“單片機系統”區域中,把單片機的P0.0-P0.7端口連接到“靜態數碼顯示模塊”區域中的任何一個a-h端口上;要求:P0.0對應著a,P0.1對應著b,……,P0.7對應著h。
4、程序設計內容
(1)4×4矩陣鍵盤識別處理 。
(2)每個按鍵都有它的行值和列值,行值和列值的組合就是識別這個按鍵的編碼。矩陣的行線和列線分別通過兩并行接口和CPU通信。鍵盤的一端(列線)通過電阻接VCC,而接地是通過程序輸出數字“0”實現的。鍵盤處理程序的任務是:確定有無鍵按下,判斷哪一個鍵按下,鍵的功能是什么?還要消除按鍵在閉合或斷開時的抖動。兩個并行口中,一個輸出掃描碼,使按鍵逐行動態接地;另一個并行口輸入按鍵狀態,由行掃描值和回饋信號共同形成鍵編碼而識別按鍵,通過軟件查表,查出該鍵的功能。
5、程序流程圖(如圖14.3所示)
6、匯編源程序
;;;;;;;;;;定義單元;;;;;;;;;;
COUNT EQU 30H
;;;;;;;;;;入口地址;;;;;;;;;;
ORG 0000H
LJMP START
ORG 0003H
RETI
ORG 000BH
RETI
ORG 0013H
RETI
ORG 001BH
RETI
ORG 0023H
RETI
ORG 002BH
RETI
;;;;;;;;;;主程序入口;;;;;;;;;;
ORG 0100H
START: LCALL CHUSHIHUA
LCALL PANDUAN
LCALL XIANSHI
LJMP START
;;;;;;;;;;初始化程序;;;;;;;;;;
CHUSHIHUA: MOV COUNT,#00H
RET
;;;;;;;;;;判斷哪個按鍵按下程序;;;;;;;;;;
PANDUAN: MOV P3,#0FFH
CLR P3.4
MOV A,P3
ANL A,#0FH
XRL A,#0FH
JZ SW1
LCALL DELAY10MS
JZ SW1
MOV A,P3
ANL A,#0FH
CJNE A,#0EH,K1
MOV COUNT,#0
LJMP DK
K1: CJNE A,#0DH,K2
MOV COUNT,#4
LJMP DK
K2: CJNE A,#0BH,K3
MOV COUNT,#8
LJMP DK
K3: CJNE A,#07H,K4
MOV COUNT,#12
K4: NOP
LJMP DK
SW1: MOV P3,#0FFH
CLR P3.5
MOV A,P3
ANL A,#0FH
XRL A,#0FH
JZ SW2
LCALL DELAY10MS
JZ SW2
MOV A,P3
ANL A,#0FH
CJNE A,#0EH,K5
MOV COUNT,#1
LJMP DK
K5: CJNE A,#0DH,K6
MOV COUNT,#5
LJMP DK
K6: CJNE A,#0BH,K7
MOV COUNT,#9
LJMP DK
K7: CJNE A,#07H,K8
MOV COUNT,#13
K8: NOP
LJMP DK
SW2: MOV P3,#0FFH
CLR P3.6
MOV A,P3
ANL A,#0FH
XRL A,#0FH
JZ SW3
LCALL DELAY10MS
JZ SW3
MOV A,P3
ANL A,#0FH
CJNE A,#0EH,K9
MOV COUNT,#2
LJMP DK
K9: CJNE A,#0DH,KA
MOV COUNT,#6
LJMP DK
KA: CJNE A,#0BH,KB
MOV COUNT,#10
LJMP DK
KB: CJNE A,#07H,KC
MOV COUNT,#14
KC: NOP
LJMP DK
SW3: MOV P3,#0FFH
CLR P3.7
MOV A,P3
ANL A,#0FH
XRL A,#0FH
JZ SW4
LCALL DELAY10MS
JZ SW4
MOV A,P3
ANL A,#0FH
CJNE A,#0EH,KD
MOV COUNT,#3
LJMP DK
KD: CJNE A,#0DH,KE
MOV COUNT,#7
LJMP DK
KE: CJNE A,#0BH,KF
MOV COUNT,#11
LJMP DK
KF: CJNE A,#07H,KG
MOV COUNT,#15
KG: NOP
LJMP DK
SW4: LJMP PANDUAN
DK: RET
;;;;;;;;;;顯示程序;;;;;;;;;;
XIANSHI: MOV A,COUNT
MOV DPTR,#TABLE
MOVC A,@A+DPTR
MOV P0,A
LCALL DELAY
SK: MOV A,P3
ANL A,#0FH
XRL A,#0FH
JNZ SK
RET
;;;;;;;;;;10ms延時程序;;;;;;;;;;
DELAY10MS: MOV R6,#20
D1: MOV R7,#248
DJNZ R7,$
DJNZ R6,D1
RET
;;;;;;;;;;200ms延時程序;;;;;;;;;;
DELAY: MOV R5,#20
LOOP: LCALL DELAY10MS
DJNZ R5,LOOP
RET
;;;;;;;;;;共陰碼表;;;;;;;;;;
TABLE: DB 3FH,06H,5BH,4FH,66H,6DH,7DH,07H
DB 7FH,6FH,77H,7CH,39H,5EH,79H,71H
;;;;;;;;;;結束標志;;;;;;;;;;
END
7、C語言源程序
#include
unsigned char code table[]={0x3f,0x66,0x7f,0x39, 0x06,0x6d,0x6f,0x5e, 0x5b,0x7d,0x77,0x79, 0x4f,0x07,0x7c,0x71}; void main(void) { unsigned char i,j,k,key; while(1) { P3=0xff; //給P3口置1// P3_4=0; //給P3.4這條線送入0// i=P3; i=i&0x0f; //屏蔽低四位// if(i!=0x0f) //看是否有按鍵按下// { for(j=50;j>0;j--) //延時// for(k=200;k>0;k--); if(i!=0x0f) //再次判斷按鍵是否按下// { switch(i) //看是和P3.4相連的四個按鍵中的哪個// { case 0x0e: key=0; break; case 0x0d: key=1; break; case 0x0b: key=2; break; case 0x07: key=3; break; } P0=table[key]; //送數到P0口顯示// } } P3=0xff; P3_5=0; //讀P3.5這條線// i=P3; i=i&0x0f; //屏蔽P3口的低四位// if(i!=0x0f) //讀P3.5這條線上看是否有按鍵按下// { for(j=50;j>0;j--) //延時// for(k=200;k>0;k--); i=P3; //再看是否有按鍵真的按下// i=i&0x0f; if(i!=0x0f) { switch(i) //如果有,顯示相應的按鍵// { case 0x0e: key=4; break; case 0x0d: key=5; break; case 0x0b: key=6; break; case 0x07: key=7; break; } P0=table[key]; //送入P0口顯示// } } P3=0xff; P3_6=0; //讀P3.6這條線上是否有按鍵按下// i=P3; i=i&0x0f; if(i!=0x0f) { for(j=50;j>0;j--) for(k=200;k>0;k--); i=P3; i=i&0x0f; if(i!=0x0f) { switch(i) { case 0x0e: key=8; break; case 0x0d: key=9; break; case 0x0b: key=10; break; case 0x07: key=11; break; } P0=table[key]; } } P3=0xff; P3_7=0; //讀P3.7這條線上是否有按鍵按下// i=P3; i=i&0x0f; if(i!=0x0f) { for(j=50;j>0;j--) for(k=200;k>0;k--); i=P3; i=i&0x0f; if(i!=0x0f) { switch(i) { case 0x0e: key=12; break; case 0x0d: key=13; break; case 0x0b: key=14; break; case 0x07: key=15; break; } P0=table[key]; } } } } 8、注意事項 在硬件電路中,要把8聯撥動撥碼開關JP2撥下,把8聯撥動撥碼開關JP3撥上去。


返回頂部
刷新頁面
下到頁底