- 我們知道電源有
正極、負極,電流從正極出來經過負載又回到負極,而負載由于結構、性質的不同,其電極(引腳)有的有正、負極之分,有的沒有,在使用時必須注意,否則電路不能正常工作,甚至燒毀電子元件,另外我們在分析電路的時候,也需要按照電流的途徑分析其靜態工作點,因此必須對有極性電子元件和無極性電子元件有全面的認識。
-
有極性電子元件
指對加在其電極上的電源有極性要求,要么為正極(高電位)
,要么為 ,不能接反;而無極性元件,指對加在其電極上的電源無極性要求
,正極、負極均可以,不影響其工作狀態。 -
一、有極性電子元件
-
1.電解電容器
:包含鋁電解電容器和鉭、鈮電解電容器,其容量較大。識別方法,第一種看上面的標注,-為負極;第二種如果沒有使用的長引腳為正極;第三種通過萬用表測量,電阻大的為黑正極,紅負極。通常用來濾波、耦合、退藕以及其它需要利用其大容量充放電的電路中。圖一為幾種電容器符號。圖二為常見的電解電容器及其極性辨別方法。
-
2.二極管
:具有單向導電性,有兩個電極(個別三個,共陽或共陰極)它分好多種,比如整流二極管、檢波二極管、穩壓二極管、開二極管關、變容二極管、肖特基二極管等。但它們共同的特點就是都具有單向導電性,差異在于工作頻率、反向恢復時間以及工作區等,比如穩壓二極管工作中反向擊穿區,肖特基二極管反向恢復時間極小。利用二極管正向電阻小反向電阻大的特點,通過萬用表即可判別正負極;樣式有多種多樣,常見的有整流用1N400系列二極管,外觀上看也有特征,黑色端為正極,白色端為負極。再如下面的1N4148開關二極管,玻璃封裝,黑色端為負極。
-
3.整流橋
:又叫橋堆,就是將兩個或四個二極管組合在一起形成的整流電路,這樣就簡化了電路,使用很方便。整流橋上面有醒目的標志,也可以用萬用表判別極性;
-
3.三極管:
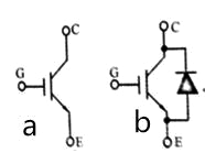
三極管分NPN型、PNP型,有三個電極:基極b、發射極e、集電極c;對于NPN三極管工作中放大狀態時,各極電位關系為Uc>Ub>Ue,對于PNP三極管工作中放大狀態時,各極電位關系:Uc<Ub<Ue;三極管的性質、各極可以通過萬用表測出來。對于一些固定封裝的三極管三個極有規則可循。
-
4.場效應管:
根據結構、原理不同,分為結型場效應管、絕緣柵場效應管,每種根據導電溝道不同,分n溝道、P溝道。有三個極柵極G、源極S、漏極D;它們的接法不同。通過萬用表可以判別各極。外觀上和三極管差別不大。它屬于電壓控制型晶體管。
-
5.IGBT:
絕緣柵雙極性晶體管,結構是由絕緣柵場效應管和pnp三極管組成,有三個電極:柵極G、發射極E、集電極C,可通過萬用表檢測各極。多用在電磁爐、電焊機當中。
-
5.可控硅:
又叫晶閘管,有三個電極:陽極A、陰極K、控制極(門極)G,分單向可控硅、雙向可控硅、門極可關斷晶閘管、逆導晶閘管、光控晶閘管等。可用萬用表判別各極。
-
6.駐極體話筒
:這種話筒的特別之處是里面加了一個專門變換阻抗的場效應管,因此有了極性之別。有兩個輸出端,一個接地,一個接電源。接地的通過導線與外殼相連。
-
7.光耦
:是由發光二極管和光敏三極管組成的,因此具有極性。有四個極、六個極,分別接發光二極管和光敏三極管,通過萬用表可以判別,也通過封裝形式根據規則判別。
-
8.光遮斷器
:原理上和光耦一樣,也是由發光二極管和光敏三極管組成,不同的是前者是一個整體,后者將發光和接收分開。分對射型和反射型。
-
9.集成電路:
其內部集成了大量晶體管,各極功能不同,必備電源電極有正負之分,通過封裝形式可以判別。
-
10..接近開關:
它對接近它的物件有感知能力,并進行開關控制。有兩線、三線之分,三線有pnp、npn兩種接法。接線可以根據線的顏色區別,棕色或紅色接電源正極,藍色接電源負極,黑色接信號。
-
11.熱釋電紅外傳感器
:是一種將人或動物發出的紅外線轉換成電信號的裝置。廣泛應用于保險裝置、防盜報警器、感應門等當中。有三個引腳;漏極D、源極S、接地極G,引腳固定。
-
12.霍爾傳感器
:是一種檢測磁場的傳感器,可以檢測磁場的存在和變化,廣泛應用于測量、交通運輸、生活當中。分線性霍爾傳感器和開關型霍爾傳感器。有三個引腳、四個引腳的。三個引腳分別為電源端、接地端、信號輸出端;四個引腳的:電源端、接地端、兩個信號輸出端。
-
12.電子管
:最初應用在檢波、放大電路中的就是電子管,其利用了真空中電子單向導電的性質制成,分二極電子管、三極電子管、四極電子管.....。除過整流用電子管,其它陽極、陰極對應電源正極、負極。
-
13.固態繼電器
:同一般的繼電器比有一系列優點,有直流固態繼電器、交流固態繼電器。因為其內部含有光耦、三極管因此有了極性。直流固態繼電器輸入端接直流控制電壓,輸出端接直流負載。有四個引腳的,五個引腳的,分別是輸入、輸出正負極和接地極。交流固態繼電器的輸入端接直流控制電壓,輸出端接交流負載。有四個引腳,輸入正負極,輸出交流端。
-
14.光敏二極管(紅外線接收二極管)
:又叫光電二極管,它是能將光線轉換為電信號的元件,屬于二極管類型,具有單向導電性,不過工作在反向狀態。紅外線接收二極管是對紅外線敏感的光敏二極管。26.
-
15.紅外線接收組件
:又稱紅外線接收頭,廣泛應用在各種具有紅外線遙控功能的接收電路中。由紅外線接收二極管、集成電路組成。有三個電極:電源正極,輸出極、接地極。通過萬用表可以判斷極性,如果是在電路中,可以通過并接的電解電容器判別。
-
16.光敏三極管
:是一種對光線敏感且具有放大能力的三極管,大多只有兩個個引腳(c、e),少數有三個引腳。和光敏二極管不同之處在于其具有放大能力,因此靈敏度更高。
-
17.發光二極管
:又叫led燈,有紅色、黃色、綠色等多種顏色,觸發電壓高,長腳正極,斷腳負極,具有二極管的性質,可以用萬用表判別。
-
18.三端穩壓器
:能夠輸出穩定電壓的電子元件,有三個電極,輸入、輸出、接地端;有輸出固定的和可變的,正輸出、負輸出。1
-
19.有源蜂鳴器
:這種蜂鳴器內部含有振蕩電路,接通正負極電源后可以直接發聲。
-
20.led數碼管
:是用多個led組成的八段顯示裝置,具有極性,可以接成共陽或共陰形式。
-
21.真空熒光顯示器
:原理上和電子管相似,利用了真空中電子單向運動的性質。
-
22.單結晶體管
:又叫雙基極二極管,具有負阻特性,當電壓達到一定值時(峰值電壓)突然導通,電流很大,當電壓降低到一定值(谷點電壓)時,截止,有三個電極:第一基極b1,第二基極b2、發射極e。
-
二、無極性元件
-
1.電阻
:包含敏感電阻,都沒有極性。
-
2.無極性電容器:
除過有極性電容器就是,如紙質電容器、云母電容器、瓷片電容器、薄膜電容器等。
-
3.電感
-
4.干簧管
-
5.繼電器
-
6.雙向觸發二極管
:同普通二極管不同,它兩個方向均能導通,但需要達到一定電壓才行。
-
7.熔斷器
,包含其它形式的保險絲等,在電路中起短路保護作用。
-
三、特殊電子元件
-
1.揚聲器
:對于單個的揚聲器沒有極性要求,但對于不同的揚聲器,就必須弄清其極性。這是因為揚聲器內部線圈繞向不同,通入相同的電流時,紙盆運動方向不同,如果接錯的話,兩個揚聲器發出的聲音會抵消。在接線端上標有+-極性,并聯時++相接,串聯時+-相接。
-
2.變壓器
,對于單個的繞組來說沒有極性的說話,但如果兩個繞組需要并聯或串聯時,必須考慮其極性(同名端),否則可能輸出電壓達不到要求,或燒毀變壓器。
- 通過以上分析我們可知含有pn結的電子元件(二極管、三極管)必定具有極性。




返回頂部
刷新頁面
下到頁底