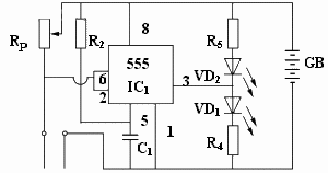
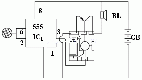
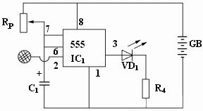
1.觸摸延時“小燈”
圖5-43是它的電路,它將觸摸開關發光二極管的實驗中加入延時電路,調整可調電阻阻值和電容量達到延時效果。要想增加延時的時間,就調換大容量的電容,如400μF、1000μF等。如果作為夜間床頭定時燈、樓道定時燈等,可拆去發光二極管和電阻,換一個6伏的小燈即可。
圖5-43
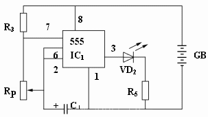
2.觸摸延時音樂門鈴
圖5-44是它的電路圖,與圖5-45比較,將觸摸延時“小燈”電路中拆去發光二極管,改為連接音樂片電路即可。它可以當作門鈴使用,也可安置在人手觸摸處作為瞬間報警器。
圖5-44
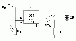
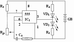
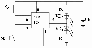
3.手控行車紅綠燈指示器模型
圖5-45是它的電路圖,先做一個紅綠燈燈架,將紅綠發光二極管固定在燈架上,按圖連接后,只要向下按動按鍵,則紅燈變為綠燈,手一離開便又成為紅燈。
圖5-45
4.可自動控制的行車紅綠燈指示器模型
圖5-46是它的電路圖,只將上圖的手控改為磁控,再加上延時電路,就可以將上述模型改為路燈自動控制。先制作一個街道模型和指示燈架,將干簧管設在指示燈前方的道路模型的下方。在一輛模型汽車的底部粘一塊磁鐵。當汽車行過干簧管上方時,電路導通,紅燈變為綠燈,汽車繼續向前行駛,由于延時電路作用,使綠燈亮一段時間,保證汽車駛過路口。需要注意的是根據汽車模型的速度,調整干簧管的位置和電路延時的時間。
圖5-46
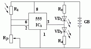
5.燈塔模型
先用硬紙做一個燈塔模型。圖5-47是它的電路圖,它只取閃光電路的一部分——一個綠發光二極管作為塔燈。最后調整好閃爍時間。
圖5-47
6.夜間打燈光靶
圖5-48是它的電路圖,它與閃光電路相比,集成電路的腳①是單獨與負極連接,而電容與R5卻是經過干簧管與負極連接。先按圖14做一個一碰便可以翻倒的靶牌。在靶子的底部固定一塊磁鐵,將電路中的干簧管固定在與磁鐵相對應的支架底板上。綠色發光二極管放置在靶心位置上,紅色發光二極管誘因在支架的底部。游藝時,將靶牌放在暗處,干簧管在磁場作用下導通,兩個發光二極管相互閃光,綠色發光二極管指示靶心。當靶子被擊倒后,雖然干簧管失去了磁場的作用電路斷開,但這時電路并未全部不通,紅色發光二極管不會常亮,表示擊中靶子。如果把靶牌放到運動的車模上,打靶更加緊張有趣。
圖5-48
7.發報練習器
圖5-49是它的電路圖,它是在音響電路中接入按鍵代替電鍵使用,做成一個發報練習器的,音調高低可自己選定。也可以自己做一個電鍵。
圖5-49
國際莫爾斯碼字符如下:
如果將自己一方的電鍵的兩根導線接在另一個同學電路中,同時把對方同學的電鍵兩根導線接在自己電路中,那么這倆人之間就可以互相發報傳送信息了。
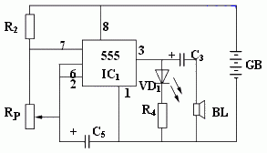
8.一種平時不耗電的磁控報警器
圖5-50是它的電路圖,它是在音響電路中接入干簧管,再將干簧管放入兩塊相吸引的磁鐵之間,這時,干簧管并不閉合,電路不導通。當移動一塊磁鐵后干簧管立即閉合,電路導通報警。制作時先把干簧管安放在門窗的木框上,同時把一塊磁鐵固定在干簧管的上方,把另一塊磁鐵安放在門窗對著干簧管處的下方,注意一定要使這兩塊磁鐵相吸,這時干簧管不導通,喇叭不發出音響。一旦門窗打開,干簧管被上方磁鐵吸引閉合,電路導通,發出音響報警。
9.斷線報警器
在電路圖5-51中的A、B兩點是用一根細的導線連接(圖中的弧線),當人或動物碰斷導線時便會發聲報警,發光二極管發光。
10.雨水報警器
圖5-52是它的電路圖,它是在音響電路中從兩個電阻之間引出一個探頭改為雨水報警器的。用覆銅板照圖5-53做一個探頭,接到音響電路中,當雨水滴在探頭上,使電路導通,便會發出音響。這個報警器還可以作為各種遇水報警裝置。
11.高低水位報警器
水能導電,也就有電阻存在。圖5-54就是利用電阻值的不同,發出不同音調制作成高低水位報警器,它與雨水報警器中的探頭不同。用導線按照圖5-55做成水位探頭,接到電路中去。當水位低時,A與B導通,因有可調電阻,阻值較大發出低音;當水位升高A與C也導通,這時A與C電阻阻值因為沒有可調電阻遠遠小于A與B的電阻值,因此電流通過A與C,報警器便發出高音。
按這個思路還可以做成高低音門鈴、多路報警器等。
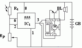
12.手控模仿鳥鳴實驗
圖5-56是它的電路圖,它與音響器不同的是沒有電容,并將電容處斷開。先將音響器調響后,拆去電容,用兩個手指捏住導線的兩個端頭,這時喇叭發出高的音調。隨著手指捏住松緊程度不同,喇叭發出時高時低、時響時斷、如同鳥叫一般的聲音。調整可調電阻阻值,會發出不同音調,模仿鳥鳴和其他音響。
圖5-56
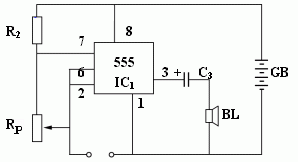
13.節拍器
圖5-57是它的電路圖,它是將閃光電路中接上喇叭,做成既有燈光又有音響的節拍器,只是聲音較低。調整電阻阻值和電解電容可以得到不同的節拍。


返回頂部
刷新頁面
下到頁底