利用紅外發光管發出的不可見光制作報警裝置是十分適宜的。當物體或人體通過警戒區時,紅外光被遮斷,報警裝置就會立即發出報警信號。它具有可靠性高、壽命長、抗干擾能力強等優點。
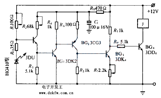
報警裝置電路如圖。電源接通后,砷化鎵紅外發光二極管即發出紅外光。這些紅外光被光電三極管3DU接受,3DU內阻下降,使BG1、BG2、BG3導通,BG4截止,繼電器j不動作。點那個紅外光被物體或者人體遮住后,3DU內阻變大,使BG1、BG2、BG3截止,BG4導通,繼電器J動作,接通報警裝置,發出信號。
在選擇元件時,發光二級管應根據控制距離的大小來選擇?刂频木嚯x小時,可選用小功率發光管,如HG410系列,使用時應注意工作電流不要超過30 mA;控制的距離較大時,可選用HG500系列或GH520系列。
調試時應先接入紅外發光二極管,并使其有一定的工作電流,然后再接入3DU、BG1、BG2。此時用萬用表測量R5兩端電壓,當有紅外光照射時,R5兩端電壓應該升高;若R5兩端電壓無變化,此時可調R2和檢查電路是否按錯。若電路無誤,可適當減小R1,以增大發光管的工作電流,也可采用縮短發光二級管和光電三極管間距離的方法來解決。R5兩端電壓正常后接入BG3、BG4,并調節電阻R7,使繼電器正常工作。


返回頂部
刷新頁面
下到頁底