工作原理
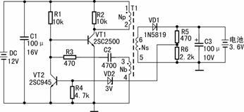
太陽能電池在使用時由于太陽光的變化較大,其內阻又比較高,因此輸出電壓不穩定,輸出電流也小,這就需要用一個直流變換電路變換電壓后供手機電池充電,直流變換電路見圖1,它是單管直流變換電路,采用單端反激式變換器電路的形式。當開關管VT1導通時,高頻變壓器T1初級線圈NP的感應電壓為1正2負,次級線圈Ns為5正6負,整流二極管VD1處于截止狀態,這時高頻變壓器T1通過初級線圈Np儲存能量;當開關管VT1截止時,次級線圈Ns為5負6正,高頻變壓器T1中存儲的能量通過VD1整流和電容C3濾波后向負載輸出。
電路工作原理簡述如下:
三極管VT1為開關電源管,它和T1、R1、R3、C2等組成自激式振蕩電路。加上輸入電源后,電流經啟動電阻R1流向VT1的基極,使VT1導通。
VT1導通后,變壓器初級線圈Np就加上輸入直流電壓,其集電極電流Ic在Np中線性增長,反饋線圈Nb產生3正4負的感應電壓,使VT1得到基極為正,發射極為負的正反饋電壓,此電壓經C2、R3向VT1注入基極電流使VT1的集電極電流進一步增大,正反饋產生雪崩過程,使VT1飽和導通。在VT1飽和導通期間,T1通過初級線圈Np儲存磁能。
與此同時,感應電壓給C2充電,隨著C2充電電壓的增高,VT1基極電位逐漸變低,當VT1的基極電流變化不能滿足其繼續飽和時,VT1 退出飽和區進入放大區。
VT1進入放大狀態后,其集電極電流由放大狀態前的最大值下降,在反饋線圈Nb產生3負4正的感應電壓,使VT1基極電流減小,其集電極電流隨之減小,正反饋再一次出現雪崩過程,VT1迅速截止。
VT1截止后,變壓器T1儲存的能量提供給負載,次級線圈Ns產生的5負6正的電壓經二極管VD1整流濾波后,在C3上得到直流電壓給手機電池充電。
在VT1截止時,直流供電輸人電壓和Nb感應的3負4正的電壓又經R1、R3給C2反向充電,逐漸提高VT1基極電位,使其重新導通,再次翻轉達到飽和狀態,電路就這樣重復振蕩下去。
R5、R6、VD2、VT2等組成限壓電路,以保護電池不被過充電,這里以3.6V手機電池為例,其充電限制電壓為4.2V。在電池的充電過程中,電池電壓逐漸上升,當充電電壓大于4.2V時,經R5、R6分壓后穩壓二極管VD2開始導通,使VT2導通,VT2的分流作用減小了VT1的基極電流,從而減小了VT1的集電極電流Ic,達到了限制輸出電壓的作用。這時電路停止了對電池的大電流充電,用小電流將電池的電壓維持在4.2V。
元器件選擇和安裝調試
VT1要求Icm>0.5A,hEF為50-100,可用2SC2500、2SC1008等,VD1為穩壓值為3V的穩壓二極管。
高頻變壓器T1要自制,用E16的鐵氧體磁芯,Np用φ0.21漆包線繞26匝,Nb用φ0.21漆包線繞8匝,Ns用φ0.41漆包線繞15匝。繞制時要注意各線圈的起始端不要搞錯,以免電路不起振或輸出電壓不正常。組裝時在兩塊磁芯間墊一層厚度約為0.03mm的塑料薄膜作磁芯氣隙。
太陽能電池板使用4塊面積為6cm×6cm的硅太陽能電池板,其空載輸出電壓為4V,當工作電流為40mA時輸出電壓為3V。由于直流變換器的工作效率隨著輸入電壓的的增高而增高,因此4塊太陽能電池板串聯后使用,這時電路的輸入電壓為12V。讀者可根據你能購到的太陽能電池板規格決定使用的數量和聯接方法。
其它元件的參數見圖1。
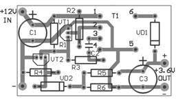
印刷電路板見圖2,尺寸為45×26mm2。
安裝完成后,接上太陽能電池板,并將其放在陽光下,空載時電路輸出電壓約為4.2V,當空載輸出電壓高于4.2V時可適當減小R5的阻值,反之增加R5的阻值。電路工作電流跟太陽光的強弱有關,正常時約為40mA,這時充電電流約為85mA。


返回頂部
刷新頁面
下到頁底