采用555時基電路的簡易溫度控制器
本電路是采用555 時基集成電路和很少的外圍元件組成的一個溫度自動控制器。因為電路中各點電壓都來自同一直流電源,所以不需要性能很好的穩壓電源,用電容降壓法便能可靠地工作。電路元件價格低、體積小、便于在業余條件下自制。該電路制作的溫度自動控制器可用于工業生產和家用的電加熱控制,效果良好。
一、電路工作原理
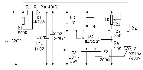
電路原理如圖1 所示。
圖1 采用555時基電路的簡易溫度控制器電路圖
當溫度較低時,負溫度系數的熱敏電阻Rt 阻值較大,555 時基集成電路(IC)的2 腳電位低于Ec 電壓的1/3(約4V), IC 的3 腳輸出高電平,觸發雙向晶閘管V 導通,接通電加熱器RL 進行加熱,從而開始計時循環。當置于測溫點的熱敏電阻Rt 溫度高于設定值而計時循環還未完成時,加熱器RL 在定時周期結束后就被切斷。當熱敏電阻Rt 溫度降低至設定值以下時,會再次觸發雙向晶閘管V 導通,接通電加熱器RL 進行加熱。這樣就可達到溫度自動控制的目的。
二、元器件的選擇
電路中,熱敏電阻Rt 可采用負溫度系數的MF12 型或MF53 型,也可以選擇不同阻值和其他型號的負溫度系數熱敏電阻,只要在所需控制的溫度條件下滿足Rt+VR1=2R4 這一關系式即可。電位器VR1 取得大一些能獲得較大的調節范圍,但靈敏度會下降。雙向晶閘管V 也可根據負載電流的大小進行選擇。其他元件沒有特殊要求,根據電路圖給出參數來選擇。
三、制作和調試方法
整個電路可安裝在一塊線路板上,一般不需要調試,時間間隔為1.1R2×C3,應該比加熱系統的熱時間常數選得小一些,但也不能太小,否則會因為雙向晶閘管V 急速導通或關閉而造成過分的射頻干擾。安裝調試完后可裝入一個小塑料盒內,并將熱敏電阻Rt 引出至測溫點即可。


返回頂部
刷新頁面
下到頁底