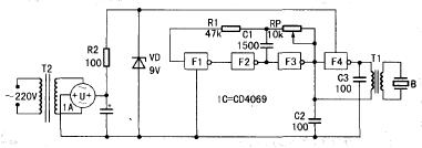
電路原理見附圖. 該裝置由CD4069及外圍元件組成振蕩器,FI-F3三門振蕩器在F3的輸出為20kHz一40kHz方波,工作頻率主要由C1,R1和RP決定,用RP(可調電阻)調節振蕩頻率。
F3輸出至激勵變壓器T1的一端和反向器F4,F4輸出至激勵變壓器T1的另一端,因此,加入F4使激勵電壓提高了一倍.電容c3、c2平衡F3和F4的輸出,使波形穩定。T1的次級接換能器B。
AC220V電源經變壓器T2變為AC12V,再經u橋式整流、c4濾波、VD穩壓后, 為電路提供DC9V的工作電源。
電路中超聲波壓電換能器B選用普通壓電陶瓷片即可,T1為普通半導體收音機中的輸入變壓器。反向器F1~F4用CC4069六反向器中的四個反向器,剩余兩個不用(輸入端應接地)。T2可選用功率為5W的小型電源變壓器。U為1A的橋式整流器,也可用四只1N4001代替。VD為9v穩壓二極管。
整個電路裝在一塊印刷線路板上,壓電陶瓷片的兩個極用塑料軟線焊上放入水中即可。也可將壓電陶瓷片放入帶孔的小型塑料盒或小塑料動物內,使之冒出的氣泡更加美觀。
調試:檢查整個電路元器件安裝無誤后,將探頭放入水中,調RP使之產生的氣泡最多就可以了


返回頂部
刷新頁面
下到頁底