555時基集成電路原理及應用
1 555時基電路的特點
555集成電路開始是作定時器應用的,所以叫做555定時器或555時基電路。但后來經過開發,它除了作定時延時控制外,還可用于調光、調溫、調壓、調速等多種控制及計量檢測。此外,還可以組成脈沖振蕩、單穩、雙穩和脈沖調制電路,用于交流信號源、電源變換、頻率變換、脈沖調制等。由于它工作可靠、使用方便、價格低廉,目前被廣泛用于各種電子產品中,555集成電路內部有幾十個元器件,有分壓器、比較器、基本R-S觸發器、放電管以及緩沖器等,電路比較復雜,是模擬電路和數字電路的混合體,如圖1所示。
圖1 555集成電路內部結構圖
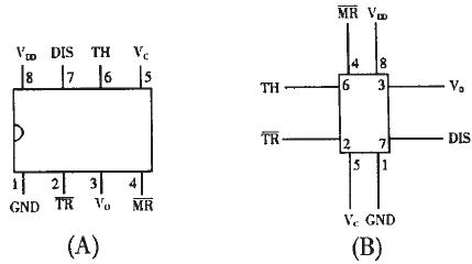
555集成電路是8腳封裝,雙列直插型,如圖2(A)所示,按輸入輸出的排列可看成如圖2(B)所示。其中6腳稱閾值端(TH),是上比較器的輸入;2腳稱觸發端(TR),是下比較器的輸入;3腳是輸出端(Vo),它有O和1兩種狀態,由輸入端所加的電平決定;7腳是放電端(DIS),它是內部放電管的輸出,有懸空和接地兩種狀態,也是由輸入端的狀態決定;4腳是復位端(MR),加上低電平時可使輸出為低電平;5腳是控制電壓端(Vc),可用它改變上下觸發電平值;8腳是電源端,1腳是地端。
圖2 555集成電路封裝圖
我們也可以把555電路等效成一個帶放電開關的R-S觸發器,如圖3(A)所示,這個特殊的觸發器有兩個輸入端:閾值端(TH)可看成是置零端R,要求高電平,觸發端(TR)可看成是置位端S,要求低電平,有一個輸出端Vo,Vo可等效成觸發器的Q端,放電端(DIS)可看成是由內部放電開關控制的一個接點,由觸發器的Q端控制:Q=1時DIS端接地,Q=0時DIS端懸空。另外還有復位端MR,控制電壓端Vc,電源端VDD和
地端GND。這個特殊的觸發器有兩個特點:
(1)兩個輸入端的觸發電平要求一高一低,置零端R即閾值端(TH)要求高電平,而置位端s即觸發端(TR)則要求低電乎;
(2)兩個輸入端的觸發電平使輸出發生翻轉的閾值電壓值也不同,當V c端不接控制電壓時,對TH(R)端來講,>2/3VDD是高電平1,<2/3VDD是低電平0:而對TR(S)端來講,>1/3VDD是高電平1,<1/3VDD是低電平0。如果在控制端(Vc)上控制電壓Vc時,這時上觸發電平就變成Vc值,下觸發電平就變成1/2Vc值,可 見改變控制端的控制電壓值就可以改變上下觸發電平值。它的功能表見圖3(B)所示。
圖3 555電路等效R—S觸發器
555集成電路有雙極型和CMOS型兩種。CMOS型的優點是功耗低、電源電壓低、輸入阻抗高,但輸出功率較小,輸出驅動電流只有幾毫安。雙極型的優點是輸出功率大,驅動電流達200毫安,其他指標則不如CMOS型的。
555的應用電路很多,只要改變555集成電路的外部附加電路,就可以構成幾百種應用電路,大體上可分為555單穩、555雙穩及555無穩(即振蕩器)三類。
2 555單穩電路
單穩電路有一個穩態和一個暫穩態,是利用電容的充放電形成暫穩態的,因此它的輸入端都帶有定時電阻和定時電容,常見的555單穩電路有兩種:
1)人工啟動型
將555電路的6、2腳并接起來接在RC定時電路上,在定時電容CT,兩端接按鈕開關SB,就成為人工啟動型555單穩電路,如圖4(a)所示,用等效觸發器替代555,并略去與單穩工作無關的部分后見圖4(b)所示,下面分析它的工作原理:
穩態:接上電源后,電容CT很快充電到VDD,從圖4(b)看到,觸發器輸入R=1,S=1,從功能表看到輸出Vo=0,這是它的穩態。
暫穩態:按下開關SB,CT上電荷很快放到零,相當于觸發器輸入R=0,S=0,輸出立即翻轉成Vo=l,暫穩態開始。開關放開后,電源又向CT充電,經過時間TD后,CT上電壓上升到>2/3VDD時,輸出又翻轉成Vo=O,暫穩態結束。TD就是單穩電路的定時時間或延時時間,它和定時電阻RT和定時電容CT的值有關:TD=1.1RTCT。
圖4人工啟動型555單穩電路
2)脈沖啟動型
將555電路的6、7腳并接起來接在定時電容CT上,用2腳作輸入就成為脈沖啟動型單穩電路,如圖5(a)所示,電路的2腳平時接高電平,當輸入接低電平或輸入負脈沖時才啟動電路,用等效觸發器替代555后見圖5 6)所示,下面分析它的工作原理:
穩態:接上電源后,R=1,S=1,輸出Vo=0,DIS端接地,CT上的電壓為0即R=0,輸出仍保持Vo=0,這是它的穩態。
暫穩態:輸入負脈沖后,輸入S=0,輸出立即翻轉成Vo=1,DIS端開路,電源通過RT向CT充電,暫穩態開始。經過時間TD后,CT上電壓上升到>2/3VDD時,輸入又成為R=1,S=1,這時負脈沖已經消失,輸出又翻轉成Vo=0,暫穩態結束。這時內部放電開關接通,DIS端接地,CT上電荷很快放到零,為下一次定時控制作準備。電路的定時時間TD=1.1RTCT。
這兩種單穩電路常用作定時延時控制。
圖5脈沖啟動型單穩電路
3 555雙穩電路
常見的555雙穩電路有兩種:
1)R-S觸發器型雙穩
將555電路的6、2腳作為兩個控制輸入端,7端不用,就成為一個R-S觸發器。注意兩個輸入端的觸發電平和閾值電壓不同,如圖6(a)所示,有時可能只有一個控制端,這時另外一個控制端要設法接死,根據電路要求可以把R端接到電源端,如圖6(b)所示,也可以把S接地,用R端作輸入。
有兩個輸入端的雙穩電路常用作電機調速、電源上下限告警等用途。有一個輸入端的雙穩電路作為單端比較器用于各種檢測電路。
圖6 555構成R-S觸發器
2)施密特觸發器型雙穩
將555電路的6、2腳并接起來接成只有一個輸入端的觸發器,如圖7(a)所示,這個觸發器輸出電壓和輸入電壓的關系是一個長方形的回線形,如圖7(b)所示,從曲線可知,當輸入V1=0時輸出Vo=1,當輸入電壓從0上升到>2/3VDD后,Vo翻轉成0,當輸入電壓從最高值下降到<1/3VDD后,Vo又翻轉成1。由于它的輸入有兩個不同的閾值電壓,所以,這種電路常用于電子開關,各種控制電路、波形的變換和整形,如圖8所示。
圖7 555構成施密特觸發器
圖8波形的變換和整形
4 555無穩電路(振蕩器)
由555定時器構成的多諧振蕩器如圖9(a)所示,其工作波形見圖9(b)。
接通電源后,電源VDD通過R1和R2對電容C充電,當Uc<1/3VDD時,振蕩器輸出Vo=1,放電管截止。當Uc充電到≥2/3VDD后,振蕩器輸出Vo翻轉成0,此時放電管導通,使放電端(DIS)接地,電容C通過R2對地放電,使Uc下降。當Uc下降到≤1/3VDD后,振蕩器輸出Vo又翻轉成1,此時放電管又截止,使放電端(DIS)不接地,電源VDD通過R1和R2又對電容C充電,又使Uc從1/3VDD上升到2/3VDD,觸發器又發生翻轉,如此周而復始,從而在輸出端Vo得到連續變化的振蕩脈沖波形。脈沖寬度TL≈0.7R2C,由電容C放電時間決定;TH=0.7(R1+R2)C,由電容C充電時間決定,脈沖周期T≈TH+TL。
圖9 555構成多諧振蕩器
上面僅討論了由555定時器構成的幾種典型應用實例。實際上,由于555定時器靈敏度高,功能靈活,因而在電子電路中獲得廣泛應用。


返回頂部
刷新頁面
下到頁底