555芯片內部結構及應用電路
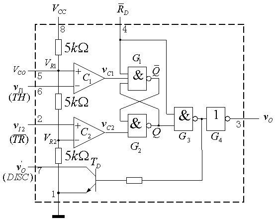
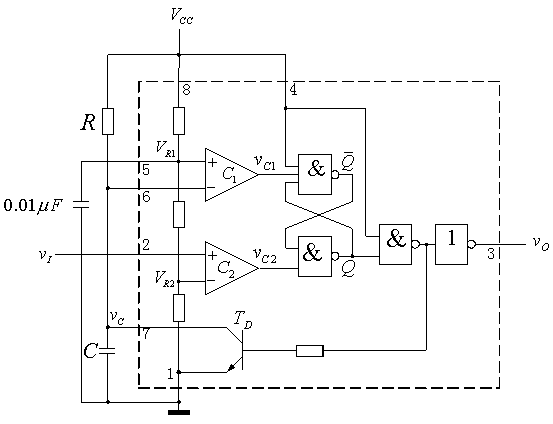
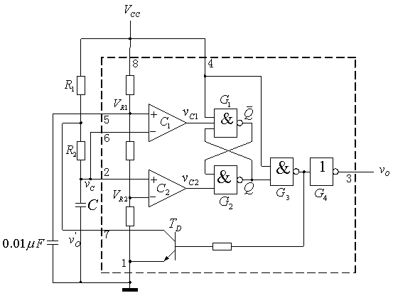
555定時器是一種集成電路[圖6.5.1],因集成電路內部含有三個5千歐電阻而得名。利用555定時器可以構成施密特觸發器、單穩態觸發器和多諧振蕩器。 圖6.5.1 CB555的電路結構 圖6.5.2 用555定時器接成的施密特觸發器 圖6.5.3 圖6.5.2電路的電壓傳輸特性 只要將555定時器的2號腳和6號腳接在一起,就可以構成施密特觸發器[圖6.5.2]。我們簡記為“二六一搭”。這個施密特觸發器的電壓傳輸特性是反相的[圖6.5.3]。5號腳懸空時,正向閾值電壓和負向閾值電壓分別為 圖6.5.4 用555定時器接成的單穩態觸發器 將555定時器的6號腳和7號腳接在一起,并添加一個電容 我們知道,利用施密特觸發器可以構成多諧振蕩器[圖6.4.15]。理論上,我們只需要添加一個電阻和一個電容即可。 圖6.4.15 用施密特觸發器構成的多諧振蕩器 電阻和電容構成一個 圖6.5.6 用555定時器接成的多諧振蕩器 


和
。5號腳接控制電壓
時,正向閾值電壓和負向閾值電壓分別為
和
。 
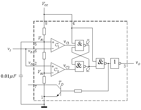
和一個電阻
,就可以構成單穩態觸發器[圖6.5.4]。電容接在電源與6號腳之間,電阻接在7號腳和地之間。我們簡記為“七六一搭,下
上
”。這個單穩態觸發器是負脈沖觸發的。穩態時,這個單穩態觸發器輸出低電平。暫穩態時,這個觸發器輸出高電平。5號腳懸空時,輸出脈沖寬度為
。5號腳接控制電壓
時,輸出脈沖寬度為
。 
積分電路,其輸入端接施密特觸發器的輸出端,其輸出端接施密特觸發器的輸入端。用555定時器構成多諧振蕩器就是這個思路。于是,我們先用555定時器構成一個施密特觸發器,再把這個施密特觸發器改接成多諧振蕩器[圖6.5.6]。不過,我們這個施密特觸發器稍微復雜一些,除了“二六一搭”以外,又增加了一個電阻
。
與555定時器內部的放電管
構成了一個反相器。邏輯上,這個反相器的輸出與555定時器的輸出完全相同。因此,這個施密特觸發器有兩個輸出端,分別為555定時器的3號腳和7號腳。我們看到,電阻
和電容
構成了
積分電路,施密特觸發器的一個輸出端(7號腳)接
積分電路的輸入端,
積分電路的輸出端接施密特觸發器的輸入端。這樣,一個多諧振蕩器就成了。也許有人會問,為什么要用兩個輸出端的施密特觸發器呢?一個輸出端的施密特觸發器也可以呀!因為施密特觸發器的另外一個輸出端(3號腳)專門作為多諧振蕩器的輸出,所以我們可以最大限度地保證多諧振蕩器的帶負載能力。這個多諧振蕩器可以驅動小型繼電器!



返回頂部
刷新頁面
下到頁底