電路原理和設計思路:
整機電路可以分為四部分:
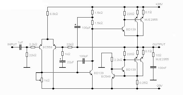
- 輸入級:核心電路是由兩只BC559組成的差分放大電路,22K對地電阻為三極管的偏置電阻,它的大小同時決定了整個功放的輸入電阻。8.2K電阻是差分對管的公共發射極電阻,決定了差分電路的共模抑制比和本級的靜態工作電流。經過輸入級放大的電流在流經1K可調電阻時產生的電壓信號,直接輸送到下一級。 1UF電容是整機的輸入電容,其容量的大小和制造材料對音質的影響很大。根據理論計算,1UF的電容與輸入電阻22K組成了一個高通濾波電路,它的低端轉折頻率可以用下式計算:f=1000/(2*3.14*22*1)=7.2HZ。(在過去將放大器的低端頻響定位在20HZ時,還是可接受以的,F在數碼音源大行其道的今天,看來還是高了一些,低端轉折頻率定在1HZ以下還是可以接受的。)由于該電容的重要性,一定要選擇品質優良的進口音頻專用耦合電容,在國產的電容中,新德克的品牌還是值得信任的,經過筆者和朋友的試用,效果令人滿意,只是體積稍大了些,在設計電路板時要考慮是否能安裝得下。
8.2K電阻決定了輸入級的晶體管靜態工作電流,可以由下式進行估算(兩管值): VCC/8.2K=20/8.2=2.4MA。由于輸入級的晶體管靜態工作電流對音質有較大的影響,可以調整該電阻的大小來滿足自己的要求。(晶體管靜態工作電流小,信噪比高,但是音質發干,低音單薄。如果電流大一些,音質溫暖,低音厚實,但是晶體管特有的高頻噪聲和反映在音頻內的電流聲也會增加,使信噪比下降。本機取2.4MA還是比較合適的。) - 電壓放大級:為了簡化電路,本機使用一只三極管BD139,采用共射放大電路,還采用了自舉電路。本級的靜態電流可以由下式進行估算:VCC/(1.5k+1.5k)=6.8MA。100P的小電容是做頻率補償用的,容量要盡可能的小,如果沒有高頻自激,可以不用。(當然由于這個小電容的存在對音質有微妙的調節作用,具體怎樣處理,看自己的喜好了。)
為了保證大信號輸出時的幅度特性和線性,同時又不增加太多的元件,本機采用了自舉電路,由100UF電容和兩個1.5K電阻的分壓電路組成。在音響界對于自舉電路的批評較多,認為它是一種正反饋,對音質的負面影響較大。由于本電路的出道年代較早,設計前提是“簡潔至上”,也許在這里考慮的不是那么全面。 - 輸出級:在原理圖的上部的兩只MJE2955和周邊的元件組成了單端純甲類放大電路,下半部分以兩只MJE2955為核心組成了大電流恒流源電路。其恒流電流值就是輸出級的靜態電流?梢愿鶕率焦浪悖0.65/0.25=2.6A。(其中的0.65V是硅三極管的發射結的PN結正向導通壓降)通過改變0.25電阻阻值的大小可以調整輸出級的功放管靜態工作電流。本電路中,要求在8歐負載上有20W的純甲類輸出,2.6A這個電流顯得有點大了,實際上有公式可以估算:P=2*I*I*RL,這樣一來有大約為 1.1A就可以滿足設計要求,但是我們的揚聲器的阻抗并不是象純電阻一樣保持不變的,有時候在特定的頻率和極端的情況下,阻抗可能會降得很低。按照電路的設計如果使用4歐的負載,輸出40W的純甲類也是完全能達到!僅僅這種設計的科學態度和嚴謹的思路是值得我們學習的。
- 揚聲器阻抗補償電路: 因為我們采用的揚聲器是感性負載,為了使放大器的負載接近純電阻,在功放的輸出端對地一般都有電阻和電容串聯的補償電路,其電阻的阻值和揚聲器的標稱阻抗相當,電容的取值為0.1UF-0.22UF,這里不再詳述。
安裝調試注意事項:
電源部分:由于純甲類單端功放的共模抑制能力很差,又加之本機的靜態電流很大,因此對電源的要求很高,最好采用電感濾波電路,但是對于電感的制作和應用后產生的電磁干擾的處理都很讓人頭痛,采用穩壓電路也是很好的選擇,只是成本和散熱問題也來了,還是忍痛舍棄吧。最終不得已選擇了電容濾波電路,變壓器的容量要在 1000W以上,次級電壓為四線并繞的四組15-18V,電流容量在10A以上,兩兩串聯成兩組雙電壓,分別供給左右聲道,整流全橋要選擇電流25A以上的,耐壓不必太高有200V就足夠了。濾波電容的容量每聲道正負電源每邊不得小于2.2萬UF,當然是越大越好了,不過要注意最好用多個小容量的電容并聯起來,達到所要求的容量,至于要并聯小容量的高頻特性好的無極性電容更是必須的。雖然成本增加了,但是效果可是好多了,好在25V的電解電容的價格較低。因為“在好的功放里,電源的成本要占一半!”筆者十分欣賞這個觀點。如果采用雙單聲道設計,從變壓器--整流濾波電路--放大電路--輸出,各自都是獨立的就更好了。
制作、調試:
正是由于電路簡潔,所以音質幾乎就是由原器件的特性所決定的。圖中標示的晶體管,現在看來已經不太發燒了,讀者可以根據現在的流行趨勢進行代換。由于電路的發熱量較高,要求元件的可靠性一定要高,電阻一律選用1/2W的金屬膜電阻,所用電容由于用量較少,一定要選用精品。只要原器件的質量和焊接技術能夠保證,整機的調試十分簡單,通電前先把1K的可調電阻置于中間位置,在通電以后,調整該電阻使輸出端對地電位盡量接近0V 即可,其余都由電路和原器件保證。保持空載半小時以上,觀察散熱器的溫度不太高,其他元件無異常,復測輸出端電位不是太大,就可以投入使用了。由于功放的元件還需要老化,可能你要聽到靚聲,還需要一段很長時間的煲機過程。


返回頂部
刷新頁面
下到頁底