市售觸摸式臺燈電路圖
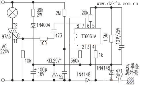
最近,筆者對一種新的觸摸式臺燈按其實物畫下了電路,現提供大家參考。電路見圖,它分四擋控制燈泡的亮度。通電后燈泡不亮,第一次輕輕觸摸一下燈罩金屬外殼。燈泡便發出低亮度的光,第二次觸摸燈泡發出中等亮度的光,第三次觸摸燈泡變為全亮,第四次觸摸燈泡熄滅,依次循環。此電路易出現的故障是雙向可控硅97A6壞及燈罩金屬外殼與電路觸摸輸入端子之間接觸不良。筆者調試該電路時,TT6061用GS6061代,1N4004用1N4007代,其余元件與圖中同。經驗證,電路工作可靠,能實現文中所述功能。但雙向可控硅易損壞,建議讀者制作時在可控硅兩端并聯一電阻電容串聯所組成的保護電路。


返回頂部
刷新頁面
下到頁底