(1)周期可調的脈沖信號發生器
如圖5-6所示采用定時器T0產生一個周期可調節的連續脈沖。當X0常開觸點閉合后,第一次掃描到T0常閉觸點時,它是閉合的,于是T0線圈得電,經過1s的延時,T0常閉觸點斷開。T0常閉觸點斷開后的下一個掃描周期中,當掃描到T0常閉觸點時,因它已斷開,使T0線圈失電,T0常閉觸點又隨之恢復閉合。這樣,在下一個掃描周期掃描到T0常閉觸點時,又使T0線圈得電,重復以上動作,T0的常開觸點連續閉合、斷開,就產生了脈寬為一個掃描周期、脈沖周期為1s的連續脈沖。改變T0的設定值,就可改變脈沖周期。

圖5-6 周期可調的脈沖信號發生器
a)梯形圖 b)時序圖
(2)占空比可調的脈沖信號發生器
如圖5-7所示為采用兩個定時器產生連續脈沖信號,脈沖周期為5秒,占空比為3:2(接通時間:斷開時間)。接通時間3s,由定時器T1設定,斷開時間為2s,由定時器T0設定,用Y0作為連續脈沖輸出端。

圖5-7 占空比可調的脈沖信號發生器
a)梯形圖 b)時序圖
(3)順序脈沖發生器
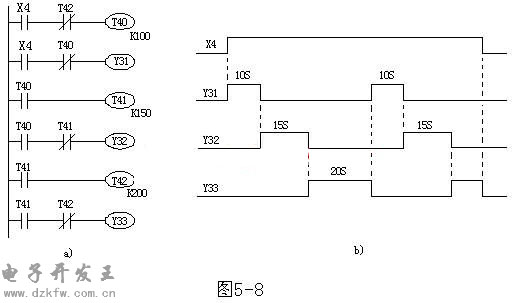
如圖5-8a所示為用三個定時器產生一組順序脈沖的梯形圖程序,順序脈沖波形如圖5-8b所示。當X4接通,T40開始延時,同時Y31通電,定時l0s時間到,T40常閉觸點斷開,Y31斷電。T40常開觸點閉合,T41開始延時,同時Y32通電,當T41定時15s時間到,Y32斷電。T41常開觸點閉合,T42開始延時.同時Y33通電,T42定時20s時間到,Y33斷電。如果X4仍接通,重新開始產生順序脈沖,直至X4斷開。當X4斷開時,所有的定時器全部斷電,定時器觸點復位,輸出Y31、Y32及Y33全部斷電。

圖5-8 順序脈沖發生器
a)梯形圖 b)時序圖


返回頂部
刷新頁面
下到頁底