1、 電源系
組成:由蓄電池、發電機和調節器組成。
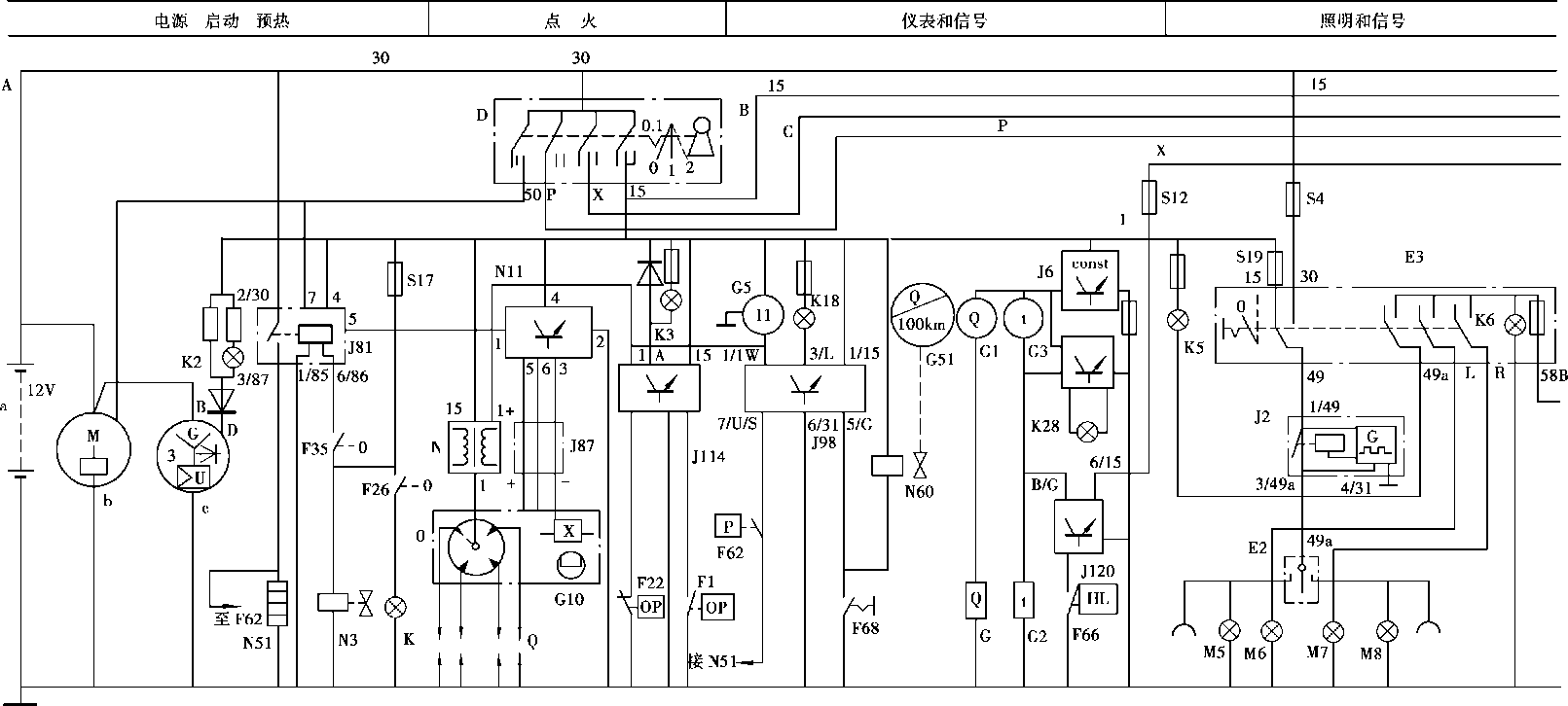
電路:如圖1所示。

圖1 汽車全車線路電原理圖
特點:
(1)發電機與蓄電池并聯,電流表指示蓄電池的充放電。接線時,電流表的“-”端接蓄電池,“+”端接發電機的“電樞(+)”接線柱。
(2)蓄電池的負極經電源總開關搭鐵。
(3)發電機的勵磁電流受點火開關的控制。
2、 起動系
組成:起動系統由蓄電池、起動機和起動復合繼電器組成。
電路:如圖1所示。
特點:
(1)點火開關置于起動位置時,起動繼電器工作,接通電磁開關電路,起動機工作。
(2)發動機起動后,若駕駛員沒有及時松開點火開關,由于發動機發電,當交流發電機的中性點電壓達到5V時,會自動切斷電磁開關的電路。
(3)電磁開關接通主電路時,同時將點火線圈的附加電阻短接。
3、 點火系
組成:點火系統由蓄電池、點火開關、點火線圈、分電器和火花塞等組成。
電路:如圖1所示。
特點:
(1)點火開關控制低壓電路;
(2)點火線圈的“-”接線柱接斷電器,“+”接線柱兩根線,藍色線接起動機開關,白紙線接點火開關;
(3)由分電器接火花塞的高壓線應按點火順序連接。
4、 照明系
組成:照明及燈光系統包括照明電路和燈光信號電路。
電路:如圖1所示。
特點:
(1)前照燈為雙燈式。
(2)小燈、前照燈和尾燈均由拉桿式燈光開關控制。
(3)具有燈光保護電路。
(4)制動信號燈不受燈光開關的控制。
(5)轉向燈由轉向開關控制。
5、 儀表系
組成:儀表與報警裝置包括電流表、油壓表、水溫表、燃油表和與之配套的傳感器等。
電路:如圖1所示。
特點:
(1)電流表串在電源電路中,其余儀表均并聯,受點火開關的控制。
(2)水溫表和燃油表共用一個電源穩壓器,穩壓器用于穩定電源電壓,保證儀表讀數的準確性。
(3)報警裝置包括低油壓報警燈和低氣壓蜂鳴器,由各報警開關控制。主油道油壓低于規定值時,燈亮;氣壓低于規定值時,蜂鳴器報警。
桑塔納汽車全車線路介紹
1、 特點
(1)基本電路按系統依次排列:整個電路都是縱向排列,同一系統的電路歸納在一起,在電路圖中所占的篇幅局限在某一范圍。
(2)整個電路很少轉折交叉:有些線路比較復雜的電器,為了使它們有機地連貫起來而不破壞圖面的縱向性,采用斷線帶號法加以解決。例如對應電路圖底部電路號碼“8”的上方,在上半段電路終止處畫有一小方框,內標“23”,說明該電路的下半段應在電路號碼為“23”的位置上尋找;同樣,在“23”位置下半段電路起始端也有一方框,內標“8”,說明其上半段電路應在電路號碼為“8”位置上尋找。通過這4個數字,就把畫在不同位置的同一電路的上、下兩段聯接起來了。
(3)電路突出以中央接線盒為中心:電路圖上方第5條橫線以上的部分表明了中央接線盒中安裝的器件與導線。例J17為燃油泵繼電器,上側小方框內的數字是2,表示該繼電器插在中央接線盒正面板的第2號位置上。燃油泵繼電器J17的周圍標有2/30、4/86、3/87、6/85等4組數字,其中分母30、86、87、85是指該繼電器上4個插腳的標號,分子2、4、6、3是指中央接線盒正面板第2號位置上相應的4個插孔。又如,S5為燃油泵熔斷器,位于中央接線盒正面板下方熔斷器安裝部位的右起第5個位置,額定電流10A。電路圖上方第5條橫線上標有中央接線盒背面插接器的代號D、N、P、E等,代號后面的數字表明了該插接器連接的導線在插接器中的插孔位置,如E14表示插接器E上第14#插孔,N表示該插接器只有1個插孔;同理,D23、D7、D13分別表示插接器D的第23#、7#、13#插孔,而且凡是接點標有同一代號的所有導線都在車上的同一線束內,這也為實際工作中查找線路提供了方便。
(4)用電路圖上方的4條橫線表示中央接線盒:電路圖上方的4條橫線,用來表示壓裝在中央接線盒塑料盤身內的成型銅片。其中3條是引入接線盒內的不同用途的火線,一條是搭鐵線。線端標號為“30”的是直接與蓄電池正極相接的火線;標號為“15”的是從點火開關15接柱引出的受點火開關控制的小容量用電器的供電線;標號為“X”的是受減荷繼電器控制的大容量用電器的供電線,只有當減荷繼電器觸點閉合時,才能將30#線的電流引入X#線;標號為“31”的為搭鐵線,它與中央接線盒支架搭鐵點相連接。
(5)圖中標明電器的搭鐵方式和部位:電路圖底部橫線表示搭鐵線,導線搭鐵端標注有帶圈的數字代號。從中可以看出,在車上,不是所有電器都直接與金屬車體相連接而搭鐵的,有的通過接地插座,有的則通過其它電器或電子設備再接地聯接。
(6)線路中的連接插頭統一表示:線路中的連接插頭統一用字母T作代號,緊接的數字表示該插頭的孔數以及連接導線對應的孔的序號。例如T4/2表示該插頭為4孔,連接導線對應的插孔序號為2;T80/71表示該插頭(T80為電控單元上的連接插頭)為80孔,連接導線對應的插孔序號為71。線路中的連接導線都標有銅芯截面積的直徑(mm),有的電路圖上還用漢字或英文字母標明導線顏色。
2、 全車電路圖

圖2 桑塔納汽車部分全車線路圖


返回頂部
刷新頁面
下到頁底