1.節氣門位置傳感器作用、分類與識別
(1)作用
節氣門位置傳感器,是汽車電子控制系統中最重要的傳感器之一,主要用于發動機電子燃油噴射系統和電控自動變速器系統。節氣門位置傳感器安裝在節氣門體上節氣門軸的一端,探測或監測節氣門開度的大小和變化的快慢,并把位置信號轉變為電信號后輸入電控單元。用于判別發動機的各種工況,從而控制不同的噴油量和點火正時。在裝備電子控制自動變速器的汽車上,節氣門位置傳感器信號是變速器換擋和變矩器鎖止時的主要信號。
(2)節氣門位置傳感器的類型
傳統的拉索控制式節氣門配備的節氣門位置傳感器,按總體結構分為觸點開關式、滑動電阻式、怠速開關與滑動電阻整合的綜合式。新型的智能電子節氣門軸門控制系統所用的節氣門位置傳感器,常見的有雙滑動電阻式和線性雙霍爾式兩種。
目前發動機電控系統主要采用的節氣門位置傳感器有霍爾元件式和雙滑動電阻器式。豐田凱美瑞、卡羅拉等采用了霍爾元件式;日產天籟、通用凱越汽車采用雙滑動電阻器式。
2.霍爾式節氣門位置傳感器
(1)結構原理與安裝位置
2016款豐田凱美瑞混合動力車型(發動機型號6AR-FSE)采用了非接觸式雙霍爾元件式節氣門位置傳感器,其結構如下圖所示。它主要由霍爾元件和磁鐵組成,其中磁鐵安裝在節氣門軸上,并可以繞霍爾元件轉動。
霍爾式節氣門位置傳感器的控制電路及信號輸出的特性如上圖所示。當節氣門開度變化時,磁鐵隨之轉動,從而改變了與霍爾元件之間的相對位置,霍爾集成電路由磁軛環繞。霍爾集成電路將磁通量產生的變化轉換為電信號,并以節氣門位置信號的形式將其輸出至ECM。
節氣門位置傳感器有兩個傳感器電路:VTA1和VTA2,各自發射一個信號。VTA1用來檢測節氣門開度,VTA2用來檢測VTA1的故障。傳感器信號電壓與節氣門開度成比例,在0——5V之間變化,并且傳送到ECM端子VTA1和VTA2。
節氣門關閉時,傳感器輸出電壓降低;節氣門打開時,傳感器輸出電壓升高。ECM根據這些信號計算節氣門開度,并控制節氣門執行器來響應駕駛員輸入。這些信號同時也用來計算空燃比修正值、功率提升修正值和燃油切斷控制。
(2)電路連接
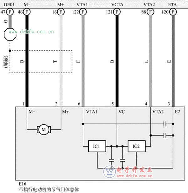
2016款豐田凱美瑞混合動力版節氣門位置傳感器電路如下圖所示。
節氣門位置傳感器集成在節氣門體總成E16內。E16有6個插腳。插腳1和2為節氣門執行電動機控制端口。插腳6和4分別輸出節氣門位置信號VTA1和VTA2到發動機控制單元端口E81(F)的122#和88#。插腳5是來自發動機控制單元121#提供的VCTA 5V 參考電壓;插腳3通過發動機控制單元120# 接地。
(3)檢測
① 檢查傳感器供電:斷開節氣門體插接器E16,用萬用表測量E16/5 和E16/3之間的電壓,應為4.5——5.5V。否則,檢查ECU電源電路。如果ECU電源電路正常,則更換ECU。
② 檢查傳感器的信號電壓:連接故障診斷儀,接通點火開關,踩動加速踏板,并讀取節氣門位置傳感器數據VTA1和VTA2讀數,數值應符合下表。
③ 檢查傳感器線束及插接器:斷開節氣門體插接器E16和發動機控制單元ECM插接器E81,按照下表所示檢查插接器之間或插接器與車身接地之間的電阻值。電阻值應符合表中所示,如不符合更換或檢查線束。
3.滑動電阻式節氣門位置傳感器
(1)結構
滑動電阻式節氣門位置傳感器,又稱線性輸出式節氣門位置傳感器、可變電阻式節氣門位置傳感器、電位計式節氣門位置傳感器。目前雙可變電阻式節氣門位置傳感器正被大量應用到汽車中。
滑動電阻式節氣門位置傳感器為三線式傳感器,其中兩個針腳處于電阻的兩端,并作為電源端子和搭鐵端子由發動機ECU提供5V電壓,第三個針腳連接于滑動觸點。節氣門軸與觸點(或稱觸頭)聯動,節氣門轉動時,滑動觸點可在電阻上移動,引起滑動觸點電位的變化,利用電阻的變化將節氣門位置信號轉換成電壓值,如下圖所示。因為這個電壓呈線性變化,所以也稱為線性輸出式節氣門位置傳感器。根據這個線性電壓值,ECU可感知節氣門的開度,使ECU進行噴油量修正。
(2)傳感器檢測
2013款別克凱越車系節氣門位置傳感器電路如下圖所示。發動機控制模塊給節氣門位置傳感器提供5V參考電壓電路,并向低參考電壓電路提供接地。節氣門位置傳感器所提供的信號電壓隨節氣門開度的變化而變化。節氣門位置傳感器信號電壓在怠速運行時小于0.5V。節氣門位置傳感器電壓在怠速運行時一般接近0V,但可能高達0.5V。在節氣門全開(WOT)時節,氣門位置傳感器電壓應增加到4V以上。
節氣門位置傳感器檢測如下:
① 關閉點火開關,斷開節氣門體總成上的線束接頭。
② 測量節氣門位置傳感器5V參考端子2#和低壓參考端子1#之間的電阻是否在5.0 ——5.3kΩ 間。如果電阻不在規定范圍內,則更換節氣門體總成。
③ 測量節氣門體總成器信號端子3#與低壓參考端字1#之間的電阻。在全范圍內檢測節氣門傳感器。電阻應在2.5——6.8kΩ間變動,并無任何高峰或低谷。如果電阻不在規定范圍內或不穩定,更換節氣門體總成。
④ 用5V電壓和接地對節氣門傳感器的適用端端子進行連接,檢測信號端子與低壓參考端子間的電壓。在全范圍內檢測節氣門傳感器。電壓應在0.6——4.7V間變動,并無任何高峰或低谷。如果電壓不在規定范圍內或不穩定,更換節氣門體總成。
(3)雙可變電阻式節氣門位置傳感器
雙可變電阻式節氣門位置傳感器中兩個傳感器一般組合安裝,當一個傳感器發生故障時能及時被識別,增加了系統的可靠性。從兩個傳感器輸出信號的變化關系來看,有反相式、同相式兩種。同相式又可分為同斜率線性變化和不同斜率線性變化兩種。
BOSCH公司雙可變電阻式節氣門位置傳感器結構及內部電路如下圖所示。
節氣門軸上的雙軌道節氣門位置傳感器用來監控節氣門準確開度,節氣門位置傳感器(兩個電位計)的滑片與節氣門同軸。當節氣門轉動時,電位計滑片同步轉動。當加上5V工作電壓后,變化的電阻轉化為電壓輸出信號。電位計的輸出電壓隨節氣門的位置變化而改變,可使控制單元準確知道節氣門的開度。由于兩個電位計是反相安裝,因此當節氣門位置發生變化時,兩路信號電壓均線性變化,其中一個增加,同時另一個減小。下圖是日產車系節氣門位置傳感器輸出特性。
日產天籟車系雙可變電阻式傳感器電路如下圖所示。
發動機控制單元ECM通過72#端子向傳感器1#端子提供5V參考電壓;傳感器4#端子通過電控單元36#端接地。傳感器2#端和3#端輸出TPS1和TPS2節氣門位置信號分別送到發動機控制系統的33# 端、36#端。
雙可變電阻式節氣門位置傳感器的檢查(以日產天籟為例)如下:
打開點火開關,將換擋桿換到D擋(A/T)或1擋(M/T),使用萬用表電壓擋分別檢查ECM的端口33(節氣門位置傳感器1#端的信號)、34(節氣門位置傳感器2#端的信號)在加速踏板不同狀態時與接地之間的電壓,檢查結果應符合下表規定。如不符合則更換節氣門體總成。
4.開關觸電式節氣門位置傳感器
(1)結構原理
開關觸點式節氣門位置傳感器又稱為節氣門開關。它有兩副觸點,分別為怠速觸點(IDL)和大負荷觸點(PSW)。下圖中有一個和節氣門同軸的凸輪控制活動觸點(TL或E),使其隨節氣門的狀態將兩開關觸點分別開啟和閉合。當節氣門處于全關閉的位置時,怠速觸點IDL與活動觸點TL或E相連,ECU根據怠速這一信號判定發動機處于怠速工況,從而按怠速工況的要求控制發動機運行。當節氣門打開時,怠速觸點打開,ECU根據這一信號進行從怠速到小負荷的過渡工況的發動機運行控制;大負荷觸點在節氣門由全閉位置到中小開度范圍內一直處于斷開狀態。當節氣門打開至一定角度的位置時,大負荷觸點與活動觸點TL或E相連,向ECU送出發動機處于全負荷運轉工況的信號,ECU根據此信號進行全負荷加濃控制。


返回頂部
刷新頁面
下到頁底