cd4069是6反相器電路,由六個COS/MOS反相器電路組成。此器件主要用作通用反相器、即用于不需要中功率TTL驅動和邏輯電平轉換的電路中,(非門,1輸入、1輸出)主要用于數字電路中反相的作用。

反相器是邏輯電路的一種芯片,輸入高電平輸出低電平,輸入低電平輸出高電平。
1、反相器是可以將輸入信號的相位反轉180度,這種電路應用在模擬電路,比如說音頻放大,時鐘振蕩器等。在電子線路設計中,經常要用到反相器。
2、CMOS反相器由兩個增強型MOS場效應管組成,其中V1為NMOS管,稱驅動管,V2為PMOS管,稱負載管。 NMOS管的柵源開啟電壓UTN為正值,PMOS管的柵源開啟電壓是負值,其數值范圍在2~5V之間。為了使電路能正常工作,要求電源電壓UDD》(UTN+|UTP|)。UDD可在3~18V之間工作,其適用范圍較寬。
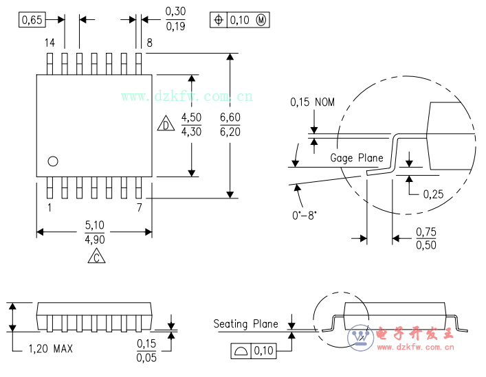
cd4069引腳圖及封裝


cd4069引腳說明

cd4069引腳功能圖




返回頂部
刷新頁面
下到頁底