安裝工藝流程:

軟啟動器安裝->主回路端子接線->控制回路接線->啟動參數設定->模擬試驗->帶負荷試運行
軟啟動器安裝位置選擇防塵、 散熱條件較好的位置安裝; 安裝時應按說明書考慮空間與周邊環境最小距離。
主回路端子接線可分為內接式和外接式(見圖 )兩種, 施工時按設計圖紙連接電機與軟啟動器接線。
通常配電盤柜的控制回路已連接完整,用萬用表對照圖紙檢查控制線路;注意不可用絕緣搖表檢測控制線路絕緣電阻,以免損壞軟啟動器內電子元件。
軟啟動器不能作空負載模擬動作試驗,因為空負載沒有電流電壓輸出,繼電保護會誤動作;應帶輕負載試驗,檢測軟啟動器參數設置是否符合設計要求;在此推薦工程現場一個經濟簡便方法:可利用三個 200W 白熾燈泡模擬電機三相繞組作為試驗的輕負載。
試運行階段注意實際測量值與設定值有無偏差,分析產生偏差原因不斷調整,直至符合要求;并做好相應檢測記錄和運行報告。
一、CMC-L系列數碼型電機軟啟動器是一種將電力電子技術,微處理器和自動控制相結合的新型電機起動、保護裝置。它能無階躍地平穩起動/停止電機,避免因采用直接起動、星/三角起動、自耦減壓起動等傳統起動方式起動電機而引起的機械與電氣沖擊等問題,并能有效地降低起動電流及配電容量,避免增容投資。
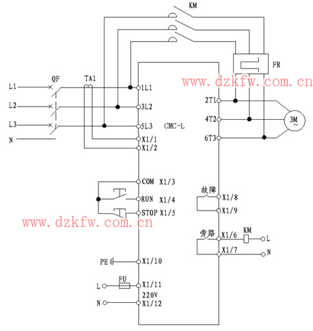
1、CMC-L系列數碼型電機軟啟動器基本接線原理圖:
軟起動器端子1L1、3L2、5L3接三相電源,2T1、4T2、6T3接電動機。當采用旁路接觸器時,可通過內置信號繼電器K2控制旁路接觸器。

2、CMC-L系列數碼型電機軟啟動器基本接線示意圖:

3、CMC-L系列數碼型電機軟啟動器典型應用接線圖:

注意:
1.上圖所示為單節點控制方式。接點閉合軟起動起動,接點打開軟起動器停止。但要注意這種接線LED面板起動操作無效。端子3、4、5起停信號是一個無源節點。
2.PE接地線應盡可能短,接于距軟起動器最近的接地點,合適的接地點應位于安裝板上緊靠軟起動器處,安裝板也應接地,此處接地為功能地而不是保護接地。
3. 電流互感器副邊線徑不小于2.5mm2。
二、CMC-M系列數碼智能型電機軟啟動器是一種將電力電子技術,微處理器和自動控制相結合的新型電機起動、保護裝置。它能無階躍地平穩起動/停止電機,避免因采用直接起動、星/三角起動、自耦減壓起動等傳統起動方式起動電機而引起的機械與電氣沖擊等問題,并能有效地降低起動電流及配電容量,避免增容投資。
1、基本接線原理圖
軟起動器端子1L1、3L2、5L3接三相電源,2T1、4T2、6T3接電動機。軟起動器可通過參數設定選擇是否檢測相序。當采用旁路接觸器時,可通過內置信號繼電器K2控制旁路接觸器。

2、基本接線示意圖

3、典型應用接線圖

注意:
1.上圖所示為單節點控制方式。接點閉合軟起動起動,接點打開軟起動器停止。但要注意這種接線LED面板起動操作無效。端子3、4、5起停信號是一個無源節點。
2.PE接地線應盡可能短,接于距軟起動器最近的接地點,合適的接地點應位于安裝板上緊靠軟起動器處,安裝板也應接地,此處接地為功能地而不是保護接地。
3. 電流互感器副邊線徑不小于2.5mm2。電流互感器接線時要注意方向P表示進線,K表示出線。請按照典型應用接線圖接線。
三、CMC-SX系列漢顯智能型電機軟啟動器是國內唯一一款基于32位ARM核微控制器開發的電機軟起動器,是一種新型智能化的異步電動機起動、保護裝置。它是集起動、顯示、保護、數據采集于一體的電機終端控制設備。用戶使用較少的元件,就可實現較復雜的控制功能。而中英文界面顯示又使得操作更簡便。
1、基本接線原理圖
軟起動器端子1L1、3L2、5L3接三相電源,軟起動器端子2T1、4T2、6T3接電動機。軟起動器可通過參數設定選擇是否檢測相序。當采用旁路接觸器時,可通過內置信號繼電器K2控制旁路接觸器。

2、基本接線示意圖

3、典型應用接線圖

注意:1.上圖所示為單節點控制方式。接點閉合軟起動起動,接點打開軟起動器停止。但要注意這種接線LCD面板起動操作無效。端子3、4、5起停信號是一個無源節點。
2.PE接地線應盡可能短,接于距軟起動器最近的接地點,合適的接地點應位于安裝板上緊靠軟起動器處,安裝板也應接地,此處接地為功能地而不是保護接地。
3. 電流互感器副邊線徑不小于2.5mm2。電流互感器接線時要注意方向P表示進線,K表示出線。請按照基本接線圖接線。
四、CT系列分級變頻軟啟動器是采用電力電子技術、微處理器技術及現代控制理論技術生產的具有當今國際先進水平的新型起動設備。通過對晶閘管的控制達到有級變頻、無級調壓、小起動電流、大起動轉矩的起動特性。集起動、顯示、保護、數據采集于一體。用戶使用較少的元件,就可實現較復雜的控制功能。而中英文界面顯示又使得操作更簡便。
1、基本接線原理圖
軟起動器端子1L1、3L2、5L3接三相電源、2T1、4T2、6T3接電動機、B1、B2、B3接旁路接觸器。軟起動器可通過參數設定選擇是否檢測相序。當采用旁路接觸器時,可通過內置信號繼電器K2控制旁路接觸器。

2、典型應用接線圖

注意:
1.上圖所示為單節點控制方式。接點閉合軟起動器起動,接點打開軟起動器停止。但要注意這種接線LCD面板起動操作無效。端子X1\1、X1\2、X1\3起停信號是一個無源節點。
2.PE接地線應盡可能短,接于距軟起動器最近的接地點,合適的接地點應位于安裝板上緊靠軟起動器處,安裝板也應接地,此處接地為功能地而不是保護接地。
五、CMC-MX系列內置旁路型電機軟啟動器是一種將電力電子技術,微處理器和自動控制相結合的新型電機起動、保護裝置。它能無階躍地平穩起動/停止電機,避免因采用直接起動、星/三角起動、自耦減壓起動等傳統起動方式起動電機而引起的機械與電氣沖擊等問題,并能有效地降低起動電流及配電容量,避免增容投資。同時CMC-MX軟起動器內部集成電流互感器、接觸器,用戶無需外接。
1、基本接線原理圖
軟起動器端子1L1、3L2、5L3接三相電源, 2T1、4T2、6T3接電動機。無需外接旁路接觸器,軟起動器可通過參數設定選擇是否檢測相序。

2、三角形內接連接圖
若用戶使用三角形內接連接時,用戶必須嚴格按照下圖進行連接,否則有可能導致電機或軟起損壞。本機在啟動前會對電機接線進行判斷,若接線錯誤軟起會報接線錯誤故障。

3、典型應用接線圖

注意:
1.上圖所示為單節點控制方式。接點閉合軟起動起動,接點打開軟起動器停止。但要注意這種接線LED面板起動操作無效。端子3、4、5起停信號是一個無源節點。
2.PE接地線應盡可能短,接于距軟起動器最近的接地點,合適的接地點應位于安裝板上緊靠軟起動器處,安裝板也應接地,此處接地為功能地而不是保護接地。


返回頂部
刷新頁面
下到頁底