一、西門子公司的變頻器品種規格齊全。功率小到幾百瓦,大到數千千瓦;功能從低端到高端;額定電壓從低壓、中壓到高壓;分交流變頻器和直流變頻器等。本章文以西門子公司的通用變頻器MM440系列為例,介紹西門子變頻器的使用。
(1)西門子MM440變頻器西門子MM440變頻器是通用型變頻器,由微處理器控制,并采用絕緣柵雙極型晶體管(IGBT)作為功率輸出器件,它具有很高的運行可靠性和功能多樣性。脈沖寬度調制的開關頻率也是可選的,降低了電動機運行的噪聲。
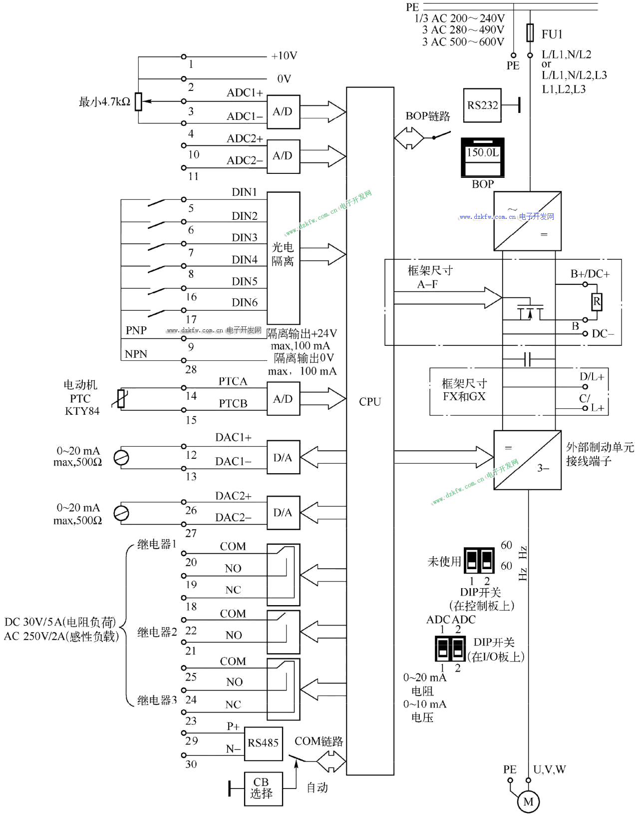
(2)西門子MM440變頻器的接線MM440變頻器的線路框圖如圖2-1所示,控制端子定義見表2-2。
MM440控制端子定義
MM440變頻器的線路框圖
MM440變頻器的核心部件是CPU單元,根據設定的參數,經過運算輸出控制正弦波信號,再經過SPWM調制,放大輸出正弦交流電驅動三相異步電動機運轉。
二、西門子MM440變頻器的參數設置
(1)BOP基本操作面板的功能MM440變頻器是一個智能化的數字變頻器,在基本操作板上可進行參數設置,參數可分為四個級別。
①標準級,可以訪問經常使用的參數。
②擴展級,允許擴展訪問參數范圍,例如變頻器的I/O功能。
③專家級,只供專家使用,即高級用戶。
④維修級,只供授權的維修人員使用,具有密碼保護。
【關鍵點】 一般的用戶,將變頻器設置成標準級或者擴展級即可。BOP基本操作面板的外形如圖4-3所示,利用基本操作面板可以改變變頻器的參數。BOP具有7段顯示的5位數字,可以顯示參數的序號和數值、報警和故障信息以及設定值和實際值。參數的信息不能用BOP存儲。BOP基本操作面板上的按鈕功能見表2-3。
BOP基本操作面板的
BOP基本操作面板上的按鈕功能
(2)BOP基本操作面板的使用舉例
舉例:將參數P1000的第0組參數(P1000[0]),設置為1。解:參數的設定方法見表2-3。
參數的設定方法


返回頂部
刷新頁面
下到頁底