一、 定子繞組串電阻(電抗)起動控制線路
定子串電阻降壓自動起動控制線路


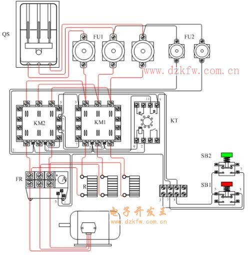
( a )為電動機定子繞組串電阻降壓自動起動控制線路。
電路的工作原理為:合上電源開關 QS ,按下起動按鈕 SB1 , KM1 得電并自鎖,電動機定子繞組串入電阻 R 降壓起動,同時 KT 得電,經延時后 KT 常開觸頭閉合, KM2 得電主觸頭將起動電阻 R 短接,電動機進入全壓正常運行。
二、自耦變壓器降壓起動控制線路
自耦變壓器降壓起動是指電動機起動時利用自耦變壓器來降低加在電動機定子繞組上的起動電壓。待電動機起動后,再將自耦變壓器脫離,使電動機在全壓下正常運行。

三、 星形——三角形降壓起動控制線路
星形——三角形( Y —△)降壓起動是指電動機起動時,把定子繞組接成星形,以降低起動電壓,減小起動電流;待電動機起動后,再把定子繞組改接成三角形,使電動機全壓運行。 Y —△起動只能用于正常運行時為△形接法的電動機。
1.按鈕、接觸器控制 Y —△降壓起動控制線路
圖( a )為按鈕、接觸器控制 Y —△降壓起動控制線路。線路的工作原理為:按下起動按鈕 SB1 , KM1 、 KM2 得電吸合, KM1 自鎖,電動機星形起動,待電動機轉速接近額定轉速時,按下 SB2 , KM2 斷電、 KM3 得電并自鎖,電動機轉換成三角形全壓運行。
2.時間繼電器控制 Y —△降壓起動控制線路
圖( b )為時間繼電器自動控制 Y —△降壓起動控制線路,電路的工作原理為:按下起動按鈕 SB1 , KM1 、 KM2 得電吸合,電動機星形起動,同時 KT 也得電,經延時后時間繼電器 KT 常閉觸頭打開,使得 KM2 斷電,常開觸頭閉合,使得 KM3 得電閉合并自鎖,電動機由星形切換成三角形正常運行。


四、 延邊三角形降壓起動控制線路
延邊三角形降壓起動是指電動機起動時,把電動機定子繞組的一部分接“△”形,而另一部分接成“ Y ”形,使整個定子繞組接成延邊三角形,待電動機起后,再把定子繞組切換成“△”形全壓運行。



返回頂部
刷新頁面
下到頁底