無線電小組的同學們在了解了三極管的開關應用之后,開始進行趣味數字電路的實驗與制作。這次活動的內容是采用CMOS六反相器CC4069(圖1)組裝音頻電平指示器及仿警笛發生器電路(圖5及圖7)。調試成功后,由老師解答了同學們提出的問題,并組織大家進行了討論。
![]() |
同學:今天我們頭一次使用CC4069六反相器集成電路,請問您反相器電路的主要功能是什么呢?
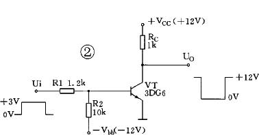
老師:提起反相器電路,大家其實并不陌生。還記得上次講過的三極管開關電路(圖2)吧?哪個同學說說三極管開關是怎樣工作的?
![]() |
同學:在三極管的基極加上高電位,三極管就飽和,相當于開關的接通,集電極輸出為低電位。在三極管的基極加上低電位,三極管就截止,相當于開關的斷開,集電極輸出為高電位。如果輸入的是個正的矩形脈沖,輸出就是一個負的矩形脈沖。
老師:對了。不過請大家注意,這種電路中,輸出脈沖信號的波形總是跟輸入脈沖信號的波形相位相反,所以管它叫反相器。反相器在數字系統中是一種最基本的門電路。今天大家使用的CMOS反相器中,開關器件不是三極管,而是MOS場效應管。
同學:什么是CMOS電路呢?CMOS反相器與三極管反相器在結構上有什么不同呢?
老師:CMOS集成電路又叫互補型場效應管集成電路,它的特點是采用了兩種不同導電類型的MOS場效應管,一種是增強型P溝道MOS場效應管(PMOS管),另一種是增強型N溝道MOS場效應管(NMOS管),它們組成了互補結構。在工作中,兩個串聯的場效應管總是處于一個管子導通,另一個管子截止的狀態。CMOS反相器比起三極管反相器要簡單得多,現在畫出它的電路圖(圖3),可以看到,VT1是NMOS管,VT2是PMOS管。NMOS管是開關器件,叫輸入管。PMOS管取代漏極負載電阻,叫負載管,這種負載稱為有源負載。兩只管子的柵極連在一起作為反相器的輸入端A,漏極也連在一起作為輸出端L。負載管的源極接電源正極VDD,輸入管的源極接地(VSS端)。當輸入信號為低電位0V時,VT1截止,VT2導通,輸出為高電位VDD;當輸入信號為高電平VDD時,VT1導通,VT2截止,輸出為低電位0V。這就實現了輸出與輸入的反相功能。
![]() |
同學:您剛才說反相器在數字系統中是一種最基本的門電路。我們很想了解什么是門電路呢?
老師:門電路可以看作是一種條件開關。它有一個或多個輸入端和一個輸出端。只有當輸入信號滿足一定的條件時,門才開啟,信號才能通過。條件得不到滿足,門就關閉,信號就不能通過。換句話說,門電路的輸出和輸入之間存在著一定的邏輯關系。不同的門電路,輸出與輸入之間的邏輯關系也不同。
同學:反相器為什么也是一種門電路呢?
老師:反相器是最簡單的門電路,它只有一個輸入端和一個輸出端,輸入和輸出都只有高電位和低電位(在數字電路中稱之為高電平和低電平)兩種相反的狀態,如果高電平用“1”表示,低電平用“0”表示,反相器輸出與輸入之間特定的邏輯關系就是“輸入為1,則輸出為0;輸入為0,則輸出為1”,輸出總是輸入的否定,所以反相器稱為“非門”。任何一種門電路都可以用邏輯代數式表示輸出與輸入之間的邏輯關系。如果非門(反相器)的輸入邏輯變量為A,輸出邏輯變量為L(圖4),寫成邏輯代數式就是L=A,A讀作A反,也就是A為“1”則A為“0”。也可以列成表格(見附表),稱為真值表。
![]() |
同學:在電平指示器電路(圖5)中的反相器都是用來控制發光二極管點燃與熄滅的開關嗎?
![]() |
老師:是的。大家可以做一個簡單的實驗(圖6)。在非門的輸入端用一個可調穩壓電源代替信號源,當輸入為低電平“0”狀態時,非門關閉,輸出為高電平“1”狀態,這時發光二極管不亮。當輸入電壓逐漸增大,達到非門的開門電平,即輸入變為高電平“1”狀態時,非門開啟,輸出變為低電平“0”狀態,發光二極管被點燃發光。用CC4069的六個非門組成了音頻電平指示器電路,哪位同學能分析它的工作原理?
![]() |
同學:我來試試看。音頻功率放大器輸出到揚聲器的信號電壓,同時引到電平指示器輸入端的電位器RP上,經RP分壓后加到二極管VD1上。當輸入信號的幅度逐漸增大到超過VD1的導通電壓(約0.6V)時,D1(非門1)的輸入端變為高電平“1”,輸出端變為低電平“0”,D1開啟,VD7發光,其它發光二極管仍不發光。隨著輸入信號的幅度繼續增大,二極管VD2、VD3……依次導通,D2、D3……先后開啟,VD8、VD9……逐級點燃。信號幅度大小不同,發光二極管點燃的個數也不同,直觀地顯示出音頻電平的變化情況。
老師:分析得很正確。大家只要把握住非門的邏輯功能,分析由非門組成的各種邏輯電路就比較容易了。
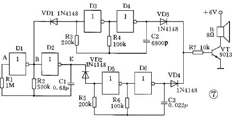
同學:今天組裝的仿警笛發生器電路(圖7),我們還沒分析出來,您能指點一下嗎?
![]() |
老師:這個電路是由三個多諧振蕩器組成的。上次大家已經組裝過三極管多諧振蕩器,哪位同學還能記得多諧振蕩器的原理和電路功能?
同學:多諧振蕩器是由兩個三極管反相器及電阻-電容充放電電路組成的。隨著電容器的充電和放電,兩只三極管交替地飽和與截止,使兩管的集電極周期性地在高電位和低電位之間交替轉換,輸出連續的矩形脈沖。所以,多諧振蕩器是一種矩形脈沖產生電路。
老師:回答得很好。非門(反相器)也是起開關作用的,所以用兩個非門外接RC充放電電路也能組成多諧振蕩器,現在我們畫出它的電原理圖(圖8)。當電源接通瞬間,如果D1的輸入端A點為低電平“0”,則D1的輸出端B點為高電平“1”,經D2反相,其輸出端E點為低電平“0”,電路處于暫穩狀態。下一步請同學們繼續分析。
![]() |
同學:根據您上次講過的脈沖電路的分析方法,由于電路中有電容C,而B點為高電平,E點為低電平,所以將有一個充電電流由B點經過R2向電容C充電。隨著充電過程的進行,D點電位逐漸升高,A點電位也隨之上升,經過一定的時間,UA達到非門的開門電平UTR時,D1的輸出變成低電平“0”,D2的輸出變成高電平“1”。
老師:是這樣。電路狀態翻轉后,B點變成低電平,E點變成高電平,這時候,電容器C就要通過R2放電,然后再反方向充電,使D1輸入端A點電位逐漸下降,直到UA<UTR時,電路狀態又發生翻轉,回到起始的暫穩狀態。這以后電路不斷重復以上的過程,產生周期性的振蕩,在E點輸出連續的矩形脈沖。
同學:既然是振蕩器,電路的振蕩頻率由什么決定呢?
老師:振蕩頻率主要由電阻R2和電容C的大小決定,與電阻R1也有一定關系。如果取R1=2R2(圖8),振蕩頻率近似為f=1/(1.5R2C)
同學:這種多諧振蕩器也可以直接帶動發光二極管閃光嗎?
老師:可以直接帶動一個發光二極管閃光(圖8虛線支路)。
同學:現在我對由非門組成的多諧振蕩器的工作原理已經清楚了。在仿警笛發生器電路(圖7)里,三個多諧振蕩器的振蕩頻率我分別計算了一下,左邊的約為2Hz,右上邊的為1kHz,右下邊的約為330Hz,您看對嗎?
老師:你計算的結果都對。由D3與D4組成的振蕩器頻率比較高,D5與D6組成的振蕩器頻率比較低,如果它們交替地工作去推動揚聲器,就會發出“嘀—、嘟—”模擬警笛的雙聲音響。我再問問你們,由D1和D2組成的超低頻振蕩器在電路里起什么作用呢?
同學:從電路圖(圖7)上看,D1的輸出端B通過二極管VD1接高音振蕩器,D2的輸出端E通過二極管VD2接低音振蕩器。D1和D2組成的2Hz超低頻振蕩器在振蕩時,B點和E點在低電平和高電平之間交替轉換,0.5s轉換一次。當B點為低電平時,E點肯定是高電平,這時VD1導通,D3的輸入端被鉗位在低電平上,高音振蕩器不能啟振;VD2截止,低音振蕩器開始振蕩。當B點變為高電平時,E點變為低電平,VD1截止,高音振蕩器工作;VD2導通,低音振蕩器停振。這樣,超低頻振蕩器控制高、低音兩個振蕩器交替工作,使揚聲器發出“嘀—、嘟—”仿警笛聲響。
老師:很好。你們只要肯動腦筋,不斷學習和實踐,就能逐步掌握脈沖數字電路的分析方法。大家還有什么問題嗎?
同學:請問您非門多諧振蕩器(圖8)的電阻R1起什么作用呢?
老師:R1叫補償電阻,它是用來改善由于電源電壓波動所引起的振蕩頻率的不穩定。在對頻率穩定度要求不高的場合,R1也可以不用。我再給大家畫一個簡單電子門鈴電路(圖9),有興趣的同學可以自己分析與制作。
(宋東生)
![]() |











返回頂部
刷新頁面
下到頁底