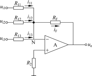
1、反相加法運算電路
加法運算電路能實現多個模擬量的求和運算。圖1所示為一個3個輸入信號的反相加法運算電路。
![]() |
|
圖1 反相加法運算電路 |
根據“虛短路”和“虛斷路”的原則,up=un=0。
節點N的電流方程為
| (1) |
| (2) |
對上式整理得
| (3) |
當RI1=RI2=RI3=R1時
| (4) |
當當RI1=RI2=RI3=RF時
| (5) |
平衡電阻R2=RI1//RI2//RI3//RF
2、同相加法運算電路
加法運算電路也可以采用同相輸入的方式,圖2是一個兩個輸入信號的同相加法運算電路。
|
| 圖2 同相加法運算電路 |
根據“虛斷路”的原則,iI=iF,即
,整理得
| (6) |
根據“虛斷路”的原則,節點P的電流方程為i21+i22=0,即
,整理得
![]() |
(7) |
根據“虛短路”的原則,up=un。并結合式(6)和式(7)得
![]() |
(8) |
從而
![]() |
(9) |
若R21=R22=R1=RF,則uo=ui1+ui2。
為了提高電路的共模抑制比和減小零漂,一般要求R21//R22=R1//RF。
3、減法運算電路
減法運算電路如圖3所示,同相和反相輸入端都有信號輸入,則稱為差動輸入運算電路。
|
| 圖3 減法運算電路 |
分析減法運算電路用疊加原理比較簡單,圖4(a)和圖4(b)分別是輸入信號ui1和ui2單獨作用時的電路。
| 圖4 運用疊加原理的減法運算電路 |
由圖4(a)可知,ui1單獨作用時電路為反相比例運算電路,輸出電壓為
| (10) |
由圖4(b)可知,ui2單獨作用時電路為同相比例運算電路,由于電阻R3的分壓作用,使同相輸入端電位
,所以輸出電壓為
![]() |
(11) |
因此,ui1和ui2同時作用的輸出電壓為
![]() |
(12) |
當R1=R2、R3=RF時,
。
當R1=R2=R3=RF時,
。








返回頂部
刷新頁面
下到頁底