A/D轉換器芯片ADC0809簡介 8路模擬信號的分時采集,片內有8路模擬選通開關,以及相應的通道抵制鎖存用譯碼電路,其轉換時間為100μs左右。
圖9.8 《ADC0809引腳圖》
1. ADC0809的內部結構
ADC0809的內部邏輯結構圖如圖9-7所示。
圖9.7 《ADC0809內部邏輯結構》
圖中多路開關可選通8個模擬通道,允許8路模擬量分時輸入,共用一個A/D轉換器進行轉換,這是一種經濟的多路數據采集方法。地址鎖存與譯碼電路完成對A、B、C 3個地址位進行鎖存和譯碼,其譯碼輸出用于通道選擇,其轉換結果通過三態輸出鎖存器存放、輸出,因此可以直接與系統數據總線相連,表9-1為通道選擇表。
表9-1 通道選擇表
2.信號引腳
ADC0809芯片為28引腳為雙列直插式封裝,其引腳排列見圖9.8。
對ADC0809主要信號引腳的功能說明如下:
IN7~IN0——模擬量輸入通道
ALE——地址鎖存允許信號。對應ALE上跳沿,A、B、C地址狀態送入地址鎖存器中。
START——轉換啟動信號。START上升沿時,復位ADC0809;START下降沿時啟動芯片,開始進行A/D轉換;在A/D轉換期間,START應保持 低電平。本信號有時簡寫為ST.
A、B、C——地址線。 通道端口選擇線,A為低地址,C為高地址,引腳圖中為ADDA,ADDB和ADDC。其地址狀態與通道對應關系見表9-1。
CLK——時鐘信號。ADC0809的內部沒有時鐘電路,所需時鐘信號由外界提供,因此有時鐘信號引腳。通常使用頻率為500KHz的時鐘信號
EOC——轉換結束信號。EOC=0,正在進行轉換;EOC=1,轉換結束。使用中該狀態信號即可作為查詢的狀態標志,又可作為中斷請求信號使用。
D7~D0——數據輸出線。為三態緩沖輸出形式,可以和單片機的數據線直接相連。D0為最低位,D7為最高
OE——輸出允許信號。用于控制三態輸出鎖存器向單片機輸出轉換得到的數據。OE=0,輸出數據線呈高阻;OE=1,輸出轉換得到的數據。
Vcc—— +5V電源。
Vref——參考電源參考電壓用來與輸入的模擬信號進行比較,作為逐次逼近的基準。其典型值為+5V(Vref(+)=+5V, Vref(-)=-5V).
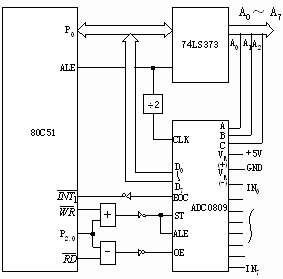
9.2.2 MCS-51單片機與ADC0809的接口
ADC0809與MCS-51單片機的連接如圖9.10所示。
電路連接主要涉及兩個問題。一是8路模擬信號通道的選擇,二是A/D轉換完成后轉換數據的傳送。
1. 8路模擬通道選擇
圖9.10 ADC0809與MCS-51的連接
如圖9.11所示模擬通道選擇信號A、B、C分別接最低三位地址A0、A1、A2即(P0.0、P0.1、P0.2),而地址鎖存允許信號ALE由P2.0控制,則8路模擬通道的地址為0FEF8H~0FEFFH.此外,通道地址選擇以
作寫選通信號,這一部分電路連接如圖9.12所示。
圖9.11 ADC0809的部分信號連接
圖9.12 信號的時間配合
從圖中可以看到,把ALE信號與START信號接在一起了,這樣連接使得在信號的前沿寫入(鎖存)通道地址,緊接著在其后沿就啟動轉換。圖9.19是有關信號的時間配合示意圖。
啟動A/D轉換只需要一條MOVX指令。在此之前,要將P2.0清零并將最低三位與所選擇的通道好像對應的口地址送入數據指針DPTR中。例如要選擇IN0通道時,可采用如下兩條指令,即可啟動A/D轉換:
MOV DPTR , #FE00H ;送入0809的口地址
MOVX @DPTR , A ;啟動A/D轉換(IN0)
注意:此處的A與A/D轉換無關,可為任意值。
2. 轉換數據的傳送
A/D轉換后得到的數據應及時傳送給單片機進行處理。數據傳送的關鍵問題是如何確認A/D轉換的完成,因為只有確認完成后,才能進行傳送。為此可采用下述三種方式。
(1)定時傳送方式
對于一種A/D轉換其來說,轉換時間作為一項技術指標是已知的和固定的。例如ADC0809轉換時間為128μs,相當于6MHz的MCS-51單片機共64個機器周期。可據此設計一個延時子程序,A/D轉換啟動后即調用此子程序,延遲時間一到,轉換肯定已經完成了,接著就可進行數據傳送。
(2)查詢方式
A/D轉換芯片由表明轉換完成的狀態信號,例如ADC0809的EOC端。因此可以用查詢方式,測試EOC的狀態,即可卻只轉換是否完成,并接著進行數據傳送。
(3)中斷方式
把表明轉換完成的狀態信號(EOC)作為中斷請求信號,以中斷方式進行數據傳送。
不管使用上述那種方式,只要一旦確定轉換完成,即可通過指令進行數據傳送。首先送出口地址并以
信號有效時,OE信號即有效,把轉換數據送上數據總線,供單片機接受。
不管使用上述那種方式,只要一旦確認轉換結束,便可通過指令進行數據傳送。所用的指令為MOVX 讀指令,仍以圖9-17所示為例,則有
MOV DPTR , #FE00H
MOVX A , @DPTR
該指令在送出有效口地址的同時,發出
有效信號,使0809的輸出允許信號OE有
效,從而打開三態門輸出,是轉換后的數據通過數據總線送入A累加器中。
這里需要說明的示,ADC0809的三個地址端A、B、C即可如前所述與地址線相連,也可與數據線相連,例如與D0~D2相連。這是啟動A/D轉換的指令與上述類似,只不過A的內容不能為任意數,而必須和所選輸入通道號IN0~IN7相一致。例如當A、B、C分別與D0、D1、D2相連時,啟動IN7的A/D轉換指令如下:
MOV A ,#07H ;D2D1D0=111選擇IN7通道
9.2.3 A/D轉換應用舉例
設有一個8路模擬量輸入的巡回監測系統,采樣數據依次存放在外部RAM 0A0H~0A7H單元中,按圖9.10所示的接口電路,ADC0809的8個通道地址為0FEF8H~0FEFFH.其數據采樣的初始化程序和中斷服務程序(假定只采樣一次)如下:
初始化程序:
|
MOV |
R0, #0A0H |
;數據存儲區首地址 | |
|
MOV |
R2, #08H |
;8路計數器 | |
|
SETB |
IT1 |
;邊沿觸發方式 | |
|
SETB |
EA |
;中斷允許 | |
|
SETB |
EX1 |
;允許外部中斷1中斷 | |
|
MOV |
DPTR, #0FEF8H |
;D/A轉換器地址 | |
|
LOOP: |
MOVX |
@DPTR, A |
;啟動A/D轉換 |
|
HERE: |
SJMP |
HERE |
;等待中斷 |
中斷服務程序:
|
DJNZ |
R2, ADEND |
| |
|
MOVX |
A, @DPTR |
;數據采樣 | |
|
MOVX |
@R0, A |
;存數 | |
|
INC |
DPTR |
;指向下一模擬通道 | |
|
INC |
R0 |
;指向數據存儲器下一單元 | |
|
MOVX |
@DPTR, A |
| |
|
ADEND: |
RETI |








返回頂部
刷新頁面
下到頁底