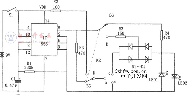
如圖所示為二極管、三極管快速在線測試電路。該測試器由以雙時基電路556為核心構成的多諧振蕩器和單穩態觸發器、發光二極管LED1、LED2等組成。 二極管檢測工具、三極管檢測工具電路圖如下:
多諧振蕩器由l/2 556和R1、C1等組成,其振蕩頻率為f=1.44/R1C1。單穩態觸發器由另一半556構成,使556的兩個輸出端⑤腳和⑨腳輸出一對極性相反的峰值電壓為9V的5Hz的交替方波測試信號。
接通電源,不插器件(管子),若發光二極管LED1、LED2交替發光,則說明測試信號源是正常的。在管子插入,即在線的情況下,能快速指示被測二極管、三極管的好壞和判別管子的極性,測試條件、LED1與LED2閃亮情況和測試結果如下表所示。


返回頂部
刷新頁面
下到頁底