一、指針式萬用表的工作原理,mf47萬用表電路圖
二、表頭電路
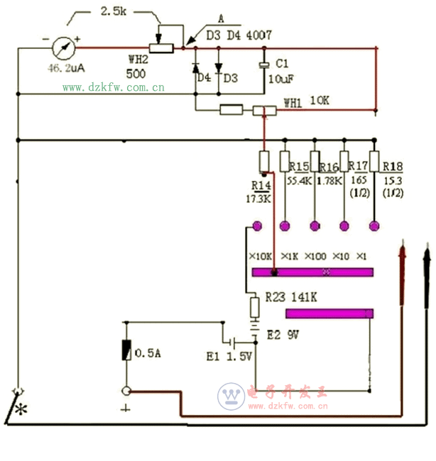
MF47萬用表表頭電路由磁電式 46.2μA 電流表頭與 WH2 串聯,R21與WH1串聯后再并入,再與 R22 串聯。組成量限為50μA、阻抗為5kΩ的微安表,也可以作為量限為 250mV 的毫伏表。
二極管D3、D4保護表頭。電容器C1可以防止表頭兩端電壓急劇變化而損傷表頭,還能防止萬用表移動時表針振動。
三、直流電流測量電路
在表頭兩端并入不同的分流電阻,可以構成不同量限的電流表。MF47 萬用表可以測量 0-5A 的直流電流,按量限分0.05mA,0.5mA,5mA,50mA,500mA,5A 等擋位。
四、直流電壓測量電路
直流電壓表由表頭串聯電阻構成。表頭串入不同的分壓電阻,可以構成不同量限的電壓表。
MF47 萬用表可以測量 0-2500V 的直流電壓,按量限分為 0.25V、1V、2.5V、10V、50V、250V、500V、1000V、2500V等擋位。
五、交流電壓測量電路
交流電壓經過刀開關按不同量限加入到 R9、R10 等不同的分壓電阻,經二極管 D1、D2 整流為直流,由表頭顯示電壓值。
六、mf47萬用表電路圖 電阻測量電路
測量電阻時,要使用內部電池。紅表筆接面板“+”插孔,與內部電池負極相連,黑表筆接面板“*”插孔,與內部電池正極相連。通過刀開關 S 選擇不同擋位,不同的電阻 R18、R17 等接入電路構成 R 內。R*10 擋為例,測量時,R17、E1、RX 組成回路。
七、hfe 測量電路
MF47 萬用電表可以測量小型三極管的 hfe 值。



返回頂部
刷新頁面
下到頁底