本文分析了測溫系統中恒流源信號調理模數轉換等功能電路的工作原理和設計依據,并給出電路參數。溫度是化工生產過程的四大參數之一,溫度傳感器Pt100具有體積小準確度高穩定性好等特點而被廣泛應用于650℃以下的溫度測量。
Pt100測溫系統以C8051F410片上系統為控制核心,系統的原理框圖,如圖1 所示.包括C8051F410片上系統恒流源驅動電路信號采集電路信號調理電路顯示電路按鍵電路以及電源電路7個組成部分。
恒流源驅動溫度傳感器Pt100,將電阻信號(80.31~280.98 ) 轉換成微弱的電壓信號( 0.08~0.28V) , 在經信號調理電路轉換成0~2. 2V之間的電壓信號,C8051F410片上系統內部A/D對該電壓信號進行采樣,根據Pt100分度表及采樣電壓與電阻的關系,通過軟件處理最終獲得精確的被測溫度值,在將其對應的數字量送入顯示電路進行顯示。
硬件電路設計
C8051F410片上系統基本外圍接口
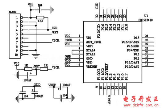
C8051F410片上系統是本測溫系統的控制核心. 其基本外圍接口電路是保證系統正常工作的輔助電路,包括C8051F410片上系統工作所需要的JATG接口電源退耦基準濾波上電復位等基本外圍電路,如圖2所示。
圖2 C8051F410基本外圍電路
恒流源電路
恒流源驅動電路負責驅動溫度傳感器Pt100,將其感知的隨溫度變化的電阻信號轉換成可測量的電壓信號,實現R-V轉換. 恒流源電路由運算放大器OP07 基準電壓源電阻和三極管組成,為避免激勵電流產生的熱量影響測量精度,設計恒流源的大小為1mA. 具體實現如圖3所示. VZ1是一個2.5V的穩壓管,即U1-U3=2.5V; 根據運放的虛短原則,運算放大器OP07的同相端電壓和反相端電壓值相等,即U2=U3; 因此,電阻R31兩端的電壓U1-U2=2.5V; 可以計算出流經R31的電流為2. 5V/2. 5K =1mA. 根據運放虛斷原理,可知,流過R31的電流將幾乎全部流入復合管而不流入運放的反向端,則由復合管集電極輸出電流為1mA,實現了高精度恒流源的設計。
圖3 恒流源電路
信號采集調理電路:
設計中的關鍵點: 由LM336提供一個精密2.5V電壓基準; R31是穩定性好的精密線繞電阻; 由兩片9012組成復合管使電流放大系數 值增大,溫漂系數減小,恒流值穩定。
編輯點評:本文簡單介紹了熱電阻測溫電路的設計,本測溫系統硬件采用三線制連接方式消除導線電阻對測量結果的影響,通過硬件濾波電路及軟件數字濾波處理方法對系統干擾信號加以抑制,大大地提高了測量系統的精度和穩定性。


返回頂部
刷新頁面
下到頁底