以下介紹單片機最小系統電路設計,單片機最小系統主要由電源、復位、振蕩電路以及擴展部分組成。對于一個完整的電子設計來講,首要問題就是為整個系統提供電源供電模塊,電源模塊的穩定可靠是系統平穩運行的前提和基礎。
1、電源
在使用STC89C52RC單片機的時候,工作電壓:5.5V-3.4V(5V單片機),這個地方就說明我們這個單片機正常的工作電壓是個范圍值,只要電源VCC在5.5V到3.4V之間都可以正常工作,電壓超過5.5V是絕對不允許的,會燒壞單片機,電壓如果低于3.4V,單片機不會損壞,但是也不能正常工作。
2、振蕩電路
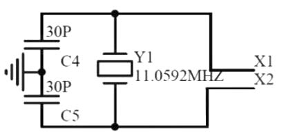
單片機系統里都有晶振,在單片機系統里晶振作用非常大,全程叫晶體振蕩器,他結合單片機內部電路產生單片機所需的時鐘頻率,單片機晶振提供的時鐘頻率越高,那么單片機運行速度就越快,單片接的一切指令的執行都是建立在單片機晶振提供的時鐘頻率。

晶振
晶振通常分為無源晶振和有源晶振兩種類型,無源晶振一般稱之為crystal(晶體),而有源晶振則叫做oscillator(振蕩器)。
有源晶振是一個完整的諧振振蕩器,他是利用石英晶體的壓電效應來起振,所以有源晶振需要供電,當我們把有源晶振電路做好后,不需要外接電路,它就可以主動產生振蕩頻率,并且可以提供高精度的頻率基準,信號質量比無源信號好。
有源晶振通常有4個引腳,VCC,GND,晶振輸出引腳和一個沒有用到的懸空引腳。無源晶振有2個或3個引腳,如果是3個引腳的話,中間引腳是晶振的外殼,使用時要接到GND,兩側的引腳就是晶體的2個引出腳了,這兩個引腳作用是等同的,就像是電阻的2個引腳一樣,沒有正負之分。對于無源晶振,就是用我們的單片機上的兩個晶振引腳接上去即可,而有源晶振,只接到單片機的晶振的輸入引腳上,輸出引腳上不需要接,如圖1和圖2所示。

圖1 無源晶振接法

圖2 有源晶振接法
3、復位電路
我們先來分析一下我們的復位電路,如圖3所示。

圖3 單片機復位電路
當這個電路處于穩態時,電容起到隔離直流的作用,隔離了+5V,而左側的復位按鍵是彈起狀態,下邊部分電路就沒有電壓差的產生,所以按鍵和電容 C11以下部分的電位都是和GND相等的,也就是0V電壓。我們這個單片機是高電平復位,低電平正常工作,所以正常工作的電壓是0V電壓,完全OK,沒有問題。
4、獨立按鍵
通常的按鍵分為獨立式按鍵和矩陣式按鍵兩種,獨立式按鍵比較簡單,并且與獨立的輸入線相連接,如圖4所示

圖4 獨立式按鍵電路圖
4條輸入線接到單片機的IO口上,當按鍵K1按下時,+5V通過電阻R1然后再通過按鍵K1最終進入GND形成一條通路,那么這條線路的全部電壓都加到了R1這個電阻上,KeyIn1這個引腳就是個低電平。當松開按鍵后,線路斷開,就不會有電流通過,那么KeyIn1和+5V就應該是等電位,是一個高電平。我們就可以通過KeyIn1這個IO口的高低電平來判斷是否有按鍵按下。
這個電路中按鍵的原理我們清楚了,但是實際上在我們的單片機IO口內部,也有一個上拉電阻的存在。我們的按鍵是接到了P2口上,P2口上電默認是準雙向IO口,我們來簡單了解一下這個準雙向IO口的電路,如圖5所示。

圖5 準雙向IO口結構圖
當內部輸出是高電平,經過一個反向器變成低電平,NPN三極管不會導通,那么單片機IO口從內部來看,由于上拉電阻R的存在,所以是一個高電平。當外部沒有按鍵按下將電平拉低的話,VCC也是+5V,他們之間雖然有2個電阻,但是沒有壓差,就不會有電流,線上所有的位置都是高電平,這個時候我們就可以正常讀取到按鍵的狀態了。
當內部輸出是個低電平,經過一個反相器變成高電平,NPN三極管導通,那么單片機的內部IO口就是個低電平,這個時候,外部雖然也有上拉電阻的存在,但是兩個電阻是并聯關系,不管按鍵是否按下,單片機的IO口上輸入到單片機內部的狀態都是低電平,我們就無法正常讀取到按鍵的狀態了。
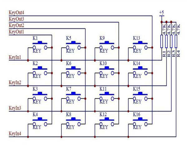
5、矩陣按鍵
矩陣按鍵和獨立按鍵的關系
我們在使用按鍵的時候有這樣一種使用經驗,當需要多個按鍵的時候,如果做成獨立按鍵會大量占用IO口,因此我們引入了矩陣按鍵,如圖6所示,使用了8個IO口來實現16個按鍵。

圖6 矩陣按鍵
其實獨立按鍵理解了,矩陣按鍵也簡單,我們來分析一下。圖6中,一共有4組按鍵,我們只看其中一組,如圖7所示。大家認真看一下,當KeyOut1輸出一個低電平,KeyOut2、KeyOut3、KeyOut4這三個輸出高電平時,是否相當于4個獨立按鍵呢。

圖7 矩陣按鍵變獨立按鍵
編輯點評:本文介紹了單片機最小系統的電路設計,單片機系統里都有晶振,晶振通常分為無源晶振和有源晶振兩種類型。對單片機最小系統的電源模塊、復位電路和振蕩電路進行了詳細的分析,理解單片機最小系統的設計對工程師是有利的。


返回頂部
刷新頁面
下到頁底