關鍵字:AT89S51,開關狀態指示
1.實驗任務
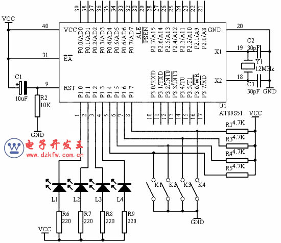
如圖所示,AT89S51單片機的P1.0-P1.3接四個發光二極管L1-L4,P1.4-P1.7接了四個開關K1-K4,編程將開關的狀態反映到發光二極管上。(開關閉合,對應的燈亮,開關斷開,對應的燈滅)。
2.電路原理圖
3.系統板上硬件連線
(1. 把“單片機系統”區域中的P1.0-P1.3用導線連接到“八路發光二極管指示模塊”區域中的L1-L4端口上;
(2. 把“單片機系統”區域中的P1.4-P1.7用導線連接到“四路撥動開關”區域中的K1-K4端口上;
4. 程序設計內容
(1. 開關狀態檢測
對于開關狀態檢測,相對單片機來說,是輸入關系,我們可輪流檢測每個開關狀態,根據每個開關的狀態讓相應的發光二極管指示,可以采用JB P1.X,REL或JNB P1.X,REL指令來完成;也可以一次性檢測四路開關狀態,然后讓其指示,可以采用MOVA,P1指令一次把P1端口的狀態全部讀入,然后取高4位的狀態來指示。
(2. 輸出控制
根據開關的狀態,由發光二極管L1-L4來指示,我們可以用SETB P1.X和CLR P1.X指令來完成,也可以采用MOV P1,#1111XXXXB方法一次指示。
5.程序框圖 (略)
6.方法一(匯編源程序)
ORG 00H
START: MOV A,P1
ANL A,#0F0H
RR A
RR A
RR A
RR A
XOR A,#0F0H
MOV P1,A
SJMP START
END
7.方法一(C語言源程序)
#include
unsigned char temp;
void main(void)
{
while(1)
{
temp=P1>>4;
temp=temp | 0xf0;
P1=temp;
}
}
8.方法二(匯編源程序)
ORG 00H
START: JB P1.4,NEXT1
CLR P1.0
SJMP NEX1
NEXT1: SETB P1.0
NEX1: JB P1.5,NEXT2
CLR P1.1
SJMP NEX2
NEXT2: SETB P1.1
NEX2: JB P1.6,NEXT3
CLR P1.2
SJMP NEX3
NEXT3: SETB P1.2
NEX3: JB P1.7,NEXT4
CLR P1.3
SJMP NEX4
NEXT4: SETB P1.3
NEX4: SJMP START
END
9.方法二(C語言源程序)
#include
void main(void)
{
while(1)
{
if(P1_4==0)
{
P1_0=0;
}
else
{
P1_0=1;
}
if(P1_5==0)
{
P1_1=0;
}
else
{
P1_1=1;
}
if(P1_6==0)
{
P1_2=0;
}
else
{
P1_2=1;
}
if(P1_7==0)
{
P1_3=0;
}
else
{
P1_3=1;
}
}
}


返回頂部
刷新頁面
下到頁底