LC正弦波振蕩電路分為變壓器反饋式振蕩器和電感三點式振蕩器以及電容三點式振蕩器三種電路形式。
1、首先分析變壓器反饋式振蕩器的振蕩條件。
1)相位平衡條件的判斷:
判斷相位平街條件是否滿足的方法,仍用瞬時極性法。即判斷電路的反饋是否是正極性的。具體說就是斷開回路,引進輸入,看反饋信號與輸入信號是否同相,若為同相,則是正反鎮,相位平街條件滿足,否則就不滿足。
具體步驟是:如圖(a)所示,其反饋元件為L1,由它給放大電路提供反饋電壓。設斷開A、B兩點,在A點處加入一個瞬時極性為“+”的信號,如果我們能確定該信號經過放大、反饋回到B點時還是“+”的,那么電路中的反饋就是正極性的。

具體過程:當A點為“+”時,三極管的集電極為“-”(共發放大電路輸出與輸入相位相反),即L2的無點端是“-”,則有點端是“+”,根據瞬時極性法中同名端極性相同的原則,則L1的有點端也是“+”,即B點是“+”,所以電路是正反饋,電路滿足相位條件。
若將L1的有點端和無點端調換一下,如圖(b)所示,則電路引進的是負反饋,不滿足相位平衡條件,電路不能振蕩。

2)振幅平衡條件的判斷:
判斷振幅平衡條件就是要判斷電路是否滿足AF=1。從理論上講,對于一個已知電路和元件參數的振蕩電路來說,應該能夠通過計算的方法或測量的方法求得A和F的值,然后求二者的乘積即能完成判斷,然而實際中不可能采用這種方法。
實際所用方法的步驟是:檢查放大電路的結構,分析其是否具有合適的靜態工作點,如果電路有合適的偏置,就認為放大電路可以提供所需的放大倍數A。然后檢查反饋電路的結構,如果能找到反饋電壓Vf,即反饋電路能夠提供反饋電壓,那么就可以認為反饋電路能提供振蕩電路所需的反饋系數F,以上兩步完成了,振蕩電路就滿足振幅平衡條件。
在圖(a)中,Rb1和Rb2是兩個上、下偏置電阻,Re是發射極電阻,只要它們的阻值大小合適,電路就能獲得合適的靜態工作點。其反饋元件為L1,由它給放大電路提供正反饋電壓,可得知,電路滿足振幅平衡條件。
由上可知,圖(a)的變壓器反饋式振蕩器能同時滿足振幅平衡條件和相位平衡條件,所以電路能夠振蕩。
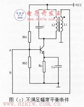
如果將圖中的Cb短路后,電路還能振蕩嗎?若將Cb短路,如圖(c)所示,則L1將基極電位短路,即VBE:0,三極管因發射結零偏而處于截止狀態,所以無論怎樣調整它的偏置元件,也不可能使三極管獲得合適的靜態工作點,所以圖(C)電路不滿足振幅平街條件而不能振蕩。

2、分析電感三點式振蕩器和電容三點式振蕩器的振蕩條件。
1)振幅平街條件的判斷:
與變壓器反饋式振蕩器的判斷方法相同。
2)相位平街條件的判斷:
不論是電感三點式振蕩器還是電容三點式振蕩器,相位平街條件的判斷一般不直接采用瞬時極性法,而是使用一種由瞬時極性法演變而得到的更為簡單的方法,其具體內容是:接在三極管發射極與集電極,發射極與基極之間的電抗必須為同性質電抗(同為電感或同為電容),接在集電極和基極之間的電抗必須為異性質電抗(若前者為電容,后者應為電感;若前者為電感,則后者應為電容),電路才滿足相位條件。
現舉例說明:在下圖所示的三點式交流通路中,哪些電路滿足相位平衡條件?
圖(1)中接在三極管發射極與集電極,發射極與基極之間同為電容,而接在集電極和基極之間的元件為電感,故滿足相位平衡條件。且正反饋元件為C1。
圖{2)中接在三極管發射極與集電極,發射極與基極之間同為電感,而接在集電極和基極之間的元件為電容,故滿足相位平衡條件。且正反饋元件為L1。
圖(3)、圖(4)、圖(5)、圖(6)均不滿足三點式振蕩器的相位平衡條件的要求,所以都不能振蕩。
需要強調的是,三點式振蕩器中正反饋元件的查找。那么怎樣才能正確找到這些正反饋元件呢?
其實很簡單,在三點式振蕩器中,只要在LC選頻網絡中找到在交流通路中一端接地、另一端接輸入端的元件,這個元件就是使電路滿足相位平衡條件的正反饋元件。比如在圖(1)中,這是一個共基極的振蕩電路,其輸入端是發射極而不是集電極(集電極是不能作為輸入端的),C1是接在發射極與地之間,也就是說是接在輸入端與地之間,所以是C1正反饋元件,而C2卻是一端接地,另一端接輸出端,所以它不是正反饋元件。在圖(2)中,電路是共發射極的振蕩電路,基極是輸入端,L1接在基極與地之間,也就是接在輸入端與地之間,敵正反饋元件是L1而不是L2。



返回頂部
刷新頁面
下到頁底