(1)控制要求
三臺皮帶運輸機,分別由電動機M1、M2、M3驅動。要求:按啟動按鈕SB1后,啟動時順序為M1、M2、M3,間隔時間為Ss。按停止按鈕SB2后,停車時的順序為M3、M2、M1,間隔時間為3s。三臺電動機M1、M2、M3分別通過接觸器KM1、KM2、KM3接通三相交流電源,用PLC控制接觸器的線圈。
(2)編程元件的地址分配表
采用的PLC為S7-200的CPU222,明確了控制要求后,首先要對編程元件進行地址分配,編程元件的地址分配見表5-4。
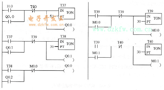
表5-4 編程元件的地址分配表 編程元件 I/O端子(編程地址) 電路器件(定時器PT值) 作 用 輸入繼電器 I0.0 SB1 啟動按鈕 I0.1 SB2 停止按鈕 輸出繼電器 Q0.0 KM1 M1接觸器 Q0.1 KM2 M2接觸器 Q0.2 KM3 M3接觸器 定時器(100ms) T37 50 啟動時第一段時間 T38 50 啟動時第二段時間 T39 30 停車時第一段時間 T40 30 停車時第二段時間 輔助繼電器 M0.0 - 停車時保持第一段時間 M0.1 - 停車時保持第二段時間
(3)控制系統(tǒng)軟件設計
如圖5-20所示的順序控制梯形圖。將運行模式選擇開關撥到RUN位置,或者用鼠標單擊工具條的“RUN(運行)”按鈕,使PLC進入運行方式。按下啟動按鈕SB1,觀察電動機M1是否立即啟動運行,5s后電動機M2能否自動啟動運行,再經過5s,電動機M3能否自動啟動運行,如果電動機能夠按照M1、M2、M3的順序間隔5s依次啟動運行,則順序啟動程序正確。按下停止按鈕SB2,觀察電動機M3是否立即停車,3s后電動機M2能否自動停車,再經過3s后,電動機M1能否自動停車,如果電動機能夠按照M3、M2、M1的順序依次停車,則停止程序正確。再次按下啟動按鈕SB1,如果系統(tǒng)能夠重新按照M1、M2、M3的順序依次啟動運行,并能在按下停止按鈕后按照M3、M2、M1的順序依次停車,則程序調試結束。
圖5-20 順序控制梯形圖


返回頂部
刷新頁面
下到頁底