家庭配電箱安裝
1、家庭配電箱分金屬外殼和塑料外殼兩種,有明裝式和暗裝式兩類,其箱體必須完好無缺。
2、家庭配電箱的箱體內接線匯流排應分別設立零線、保護接地線、相線,且要完好無損,具良好絕緣。
3、空氣開關的安裝座架應光潔無阻并有足夠的空間。
家庭配電箱安裝要點是:
1、家庭配電箱應安裝在干燥、通風部位,且無防礙物,方便使用。
2、家庭配電箱配電箱不宜安裝過高,一般安裝標高為1.8米,以便操作
3、進配電箱的電管必須用鎖緊螺帽固定。
4、若家庭配電箱配電箱需開孔,孔的邊緣須平滑、光潔。
5、配電箱埋入墻體時應垂直、水平,邊緣留5—6毫米的縫隙。
6、配電箱內的接線應規則、整齊,端子螺絲必須緊固。
7、各回路進線必須有足夠長度,不得有接頭。
8、安裝后標明各回路使用名稱。
9、家庭配電箱安裝完成后須清理配電箱內的殘留物。
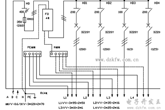
家庭配電箱接線圖
家庭配電箱接線圖在進行安裝的時候也是必不可少的,小編特地為大家準備了幾幅很詳細的接線圖。
安居才可樂業,水電安全又是實現安居的一個重要環節,希望電工論壇小編給大家整理的家庭配電箱安裝的知識及家庭配電箱安裝圖能給各位帶來幫助。


返回頂部
刷新頁面
下到頁底