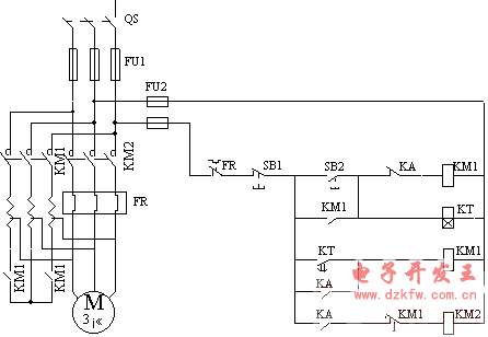
有關串自耦變壓器降壓起動控制線路的工作原理,自耦變壓器降壓起動的控制線路中,限制電動機起動電流依靠自耦變壓器的降壓作用實現,定子串自耦變壓器降壓起動控制線路。
串自耦變壓器降壓起動的控制線路
推薦:自耦變壓器的規格型號
在自耦變壓器降壓起動的控制線路中,限制電動機起動電流是依靠自耦變壓器的降壓作用來實現的。
自耦變壓器的初級和電源相接,自耦變壓器的次級與電動機相聯。自耦變壓器的次級一般有3個抽頭,可得到3種數值不等的電壓。
使用時,可根據起動電流和起動轉矩的要求靈活選擇。
電動機起動時,定子繞組得到的電壓是自耦變壓器的二次電壓,一旦起動完畢,自耦變壓器便被切除,電動機直接接至電源,即得到自耦變壓器的一次電壓,電動機進入全電壓運行。
通常稱這種自耦變壓器為起動補償器。
這一線路的設計思想和串電阻起動線路基本相同,都是按時間原則來完成電動機起動過程的。
圖1:定子串自耦變壓器降壓起動控制線路
線路工作原理:
閉合開關QS。起動 按下按鈕SB2,KM1和時間繼電器KT同時得電,KM1常開主觸點閉合,電動機經星形連接的自耦變壓器接至電源降壓起動。
時間繼電器KT經一定時間到達延時值,其常開延時觸點閉合,中間繼電器KA得電并自鎖,KA的常閉觸點斷開,使接觸器KM1線圈失電,KM1主觸點斷開,將自耦變壓器從電網切除,KM1常開輔助觸點斷開,KT線圈失電,KM1常閉觸點恢復閉合,在KM1失電后,使接觸器KM2線圈得電,KM2的主觸點閉合,將電動機直接接入電源,使之在全電壓下正常運行。
停止按下按鈕SB1,KM2線圈失電,電動機停止轉動。
在自耦變壓器降壓起動過程中,起動電流與起動轉矩的比值按變比平方倍降低。
在獲得同樣起動轉矩的情況下,采用自耦變壓器降壓起動從電網獲取的電流,比采用電阻降壓起動要小得多,對電網電流沖擊小,功率損耗小。因此,自耦變壓器被稱之為起動補償器。
若從電網取得同樣大小的起動電流,采用自耦變壓器降壓起動會產生較大的起動轉矩。
這種起動方法常用于容量較大、正常運行為星形接法的電動機。
缺點:自耦變壓器價格較貴,相對電阻結構復雜,體積龐大,且是按照非連續工作制設計制造的,故不允許頻繁操作。


返回頂部
刷新頁面
下到頁底