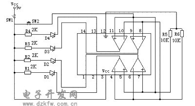
大家都知道在維修電磁爐的過程中,需要判斷339的好壞來確定故障部位,常用的方法就是把339從板子上拆下來,用萬用表測量各腳對地腳的正反向電阻來判斷好壞,非常的麻煩而且可靠性也不高。因此,我根據LM339的性能,用萬用板搭接了一個LM339的測試電路,感覺比較方便也很可靠;現介紹給大家,望能給大伙在維修帶來方便。電路如下:
使用時我們把拆下的339插在測試板的管座上面,接通電源(符合片子的電壓都可以)四只發光二極管D1-D4發光;當按下SW2時339的同相端的電位大于反相端,電路翻轉輸出高電平,發光二極管熄滅。這樣我們就知道了四只比較器的翻轉情況,進而就可以掌握339的好壞。


返回頂部
刷新頁面
下到頁底