一、滾筒式全自動洗衣機電氣部件及原理
1、 程序控制器
程序控制器簡稱為程控器,它可分為機械式程控器,機電混合式程控器和全電腦控器程控器三類。
機械式程控器是由一只5W,16極永磁單相罩極同步電機TM為動力,通過齒輪減速機構,帶動一根快軸和一根慢軸運轉,快軸和慢軸上均有若干個凸輪,凸輪在旋轉過程中控制觸點開關中間簧片動作,進而控制簧片是的觸點閉合和斷開。程控器每跳動一格,所有的觸點變化一次,程控器所有觸點的變化組合控制著洗衣機完成工作過程。如:XQG50-6006,XQG60-8006等。程控器代碼為“ T ”。
機電混合式程控器也是采用同步電機進行驅動,控制大電流器件工作,同時,采用單片機對電機及其它外圍器件進行控制,完成洗衣機工作過程。如:XQG50-6010,XQG60-8010。
全電腦控制程控器是采用單片機對系統所有器件進行控制,同時用數碼管或其它顯示器件顯示所有洗衣機運行過程中的相關信息,具有直觀、美觀,操作方便的特點。如:XQG50-1208,XQG50-1210,XQG50-1212等。
2、 進水閥
進水閥是由電磁線圈、殼體、閥芯及安裝板組成。當電磁線圈
上加上220V,50Hz電壓時,其周圍產生電磁場,從而牽引閥芯動作,打開閥門,開始進水;當線圈上沒有電壓時,閥芯會在彈簧的作用下,將閥門關上,停止進水。
進水閥有單頭、雙頭和多頭之分。
單頭進水閥用于普通滾筒洗衣機,如XQG50-6006,XQG60-8006等;
雙頭進水閥用于具有烘干功能(一只閥上帶有限流器,用來控投影烘干進水)或采用電子配水的滾筒洗衣機如:XQG50-6010,XQG50-1208,XQG50-1210,XQG50-1212,XQG60-8010等;
多頭電磁閥主要用于帶有熱水進水的、具有烘干功能或采用電子配水的滾筒洗衣機。
3、 水位開關
水位開關分為兩種:機械式水位開關和電子式水位開關
機械式水位開關是通過內部氣囊內空氣的變化來改變開關的狀態。當水注入洗衣機時,水位開關上連接的氣管內的空氣被封閉壓縮,隨著水位的提高,空氣會被進一步壓縮,壓強會增大。當達到一定的值后,水位開關的常閉觸點會被頂開,常開點會閉合,切斷進水。洗衣機會自動進入洗滌程序。而一旦水位下降,如排水,
封閉的空氣壓強減小,常閉觸點會重新接通,常開觸點斷開。
采用機械式程控器及機電一體程控器的洗衣機,所使用的水位開關均為機械式水位開關,如XQG50-6006,XQG60-8006,XQG50-6010。
全電腦控制的洗衣機,其使用的水位開關為電子式水位開關。當水位上升時,水位開關會產生一定的頻率的脈沖,單片機將該頻率的脈沖進行放大,處理,從而判斷當前的水位是否達到設定水位。如達到設定水位,機器將進行下一步操作。如:XQG50-1208,XQG50-1210,XQG50-1212等。
4、 電動機
滾筒洗衣機用電機有兩種:雙速電機和串激電機。
雙速電機為單相電容運轉式感應電機。它是將一個16極低速繞組和一個2極
高速繞組組裝在一個定子上。在洗滌時,使用16極繞組,低速但力矩大;在脫水時,使用2極繞組,高速但力矩小。雙速電機具有較好的啟動特性(啟動轉矩大)和運轉性能(過載能力強)。
串激電機:采用換向式結構,屬于交/直流兩用電機。因將定子鐵芯上的勵磁繞組和轉子上的電樞繞組串聯起來使用,因此稱為串激電機。串激電機可以通過一定的控制回路,比較容易地實現電機的無極調速,使整機運行更加平穩。串激電機具有轉矩大、過載能力強、轉速高,體積小、質量輕、調速方便等優點。
兩款電機均設有過熱保護裝置。當電機發生堵轉而使電機繞組溫度升到一定值時,過熱保護器會自動斷開電路,起到保護電機的作用。當繞組溫度降低時,過熱保護器又會接通電路。
圖一為雙速電機接線圖:
其中:M3與M7組成16極繞組;M2與M6組成2極繞組。TP為溫度保護器。
XQG50-6006,XQG60-8006采用此款電機。
圖二為串激電機接線圖:
其中:
D5與D10組成定子繞組;D8與D9組成轉子繞組。TP為溫度保護器。
XQG50-1208,XQG50-1210,XQG50-1212,XQG50-6010,XQG60-8010等均采用此款電機。
5、加熱器
為提高洗衣機的洗滌效果,通常滾筒洗衣機要用加熱洗滌。
加熱器外壁采用不銹鋼管制成,中心裝有加熱絲,中間加鎂粉絕緣。
洗滌電加熱管功率為1700W,安裝在外筒的下部,加熱部分在水中。
烘干電加熱管功率為1200W(或1000W),安裝在外筒風道上。由于不銹鋼材料的差異,所以,此加熱管耐溫高,可干燒使用。烘干時,烘干風機將加熱管產生的熱量吹入洗衣機內,將衣物中的水分烘出來。
6、 溫控器及恒溫器
滾筒洗衣機多具有加熱功能,因此需要用溫控器(或恒溫器)對溫度進行控制
和選擇。
恒溫器是一種溫度值不可調的溫控器。它是一種金屬膨脹式溫控器,它是利用雙金屬片受熱后發生變形,從而帶動觸點工作。
溫控器是采用線性可調的液體膨脹式溫控器。它是利用感溫器內的液體在受熱后發生膨脹,從而推動執行部件動作,控制加熱管的工作。
如洗衣機采用機械式程控器,只要有加熱,必然要用溫控器和恒溫器。
如洗衣機采用電腦板控制,則加熱溫度通過溫度傳感器反饋給控制板上的單片機,單片機則根據程序要求來控制加熱管的工作。
7、電動門鎖
電動門鎖固定在洗衣機前門右側的箱體內,其引出腳串接在電源電路中。當洗衣機門關上后,接通電源,門鎖內的PTC加熱元件開始加熱,將主電路接通,同時將彈出“門鎖舌”將洗衣機門鎖死,以防洗衣機在運行時門被打開引起危險。
當斷開電源時,PTC加熱元件開始降溫,直至由原先高阻狀態恢復到低阻狀態(此過程一般需要1.5~2min),此時,“門鎖舌”彈回,門就可以被打開了。
8、 琴鍵開關
琴鍵開關是一種功能開關,此開關安裝在操作面板上,用來選擇洗衣機的各項功能,如電源、經濟洗、防皺縮、高溫洗、免脫水等。
9、排水泵
滾筒洗衣機大都采用上排水方式排水,因此要用排水泵進行排水。
10、電子調速板
電子調速板與串激電機配合可實現無極調速。
11、烘干定時器
烘干定時器用于設置烘干衣物的時間。以同步微電機為驅動,通過減速齒輪組變速后,帶動兩片凸輪轉動,從而控制兩對觸點A-A1(控制烘干系統電源),B-B1(低溫烘干)動作。
我公司目前采用的烘干定時器有兩段工作時間,即:0~120min;0~80min。
當定時器工作在0~120min時,兩對觸點同時工作,電機和加熱器同時工作。用于烘干加熱;當設定時間還剩余12min時,定時器會切斷B-B1觸點,使烘干系統進行低溫烘干。
當定時器工作在0~80min時,A-A1觸點工作,B-B1觸點不工作,系統只進行低溫烘干。
12、濾波器
為防止在使用洗衣機時通過電源網絡對其它家用電器產生電磁干擾,滾筒洗衣機有供電電路中應加裝濾波器。濾波器是由電阻器和電容器組成的一個濾波網絡(見圖),能吸收洗衣機工作過程中產生的多次諧波,通過地線引入地,避免諧波對其它電器的干擾。
二、滾筒洗衣機常見電氣故障及排除
(一)使用機械程控器的洗衣機常見電氣故障及排除
1、 按電源開關后,電源指示燈不亮,機器不工作。
(1) 檢查插座是否有220V,50Hz市電。
(2) 如有電,檢查插座是否接觸不好。拆開上蓋,用萬用表的交流電壓檔測試電源進線是否有電,如沒電, 圖四說明插座的接觸不好,請更換插座。
(3) 如有電,請檢查電源開關是否有問題。電源開關按下后,引出腳1-3,2-4應相通;如松開按鍵,則兩對開關不通。
2、 按電源開關后,電源指示燈亮,不進水。
(1) 檢查水閥是否打開或停水。用手摸電磁閥外殼是否有振動,如有,則說明電磁閥已工作。打開水籠頭。
(2) 檢查門是否關好。門未關好,電磁門鎖的滑塊未到位,從而造成門鎖舌彈不出去,鎖不好門,電機不 圖五工作。只需將門關好即可。
(3) 檢查門開關MRL與MRN是否有電及接線是否有誤?如有電,再用萬用表測MRN與MRC之間是否有電?如MRL與MRN兩端有電,而MRN與MRC兩端無電,則在確認門關好的情況下,更換電磁門鎖。
(4) 如門鎖無問題,請檢查水位開關接線是否有問題?如:線上標記為P11應插在水位開關的11腳。P12插在12腳,依次類推。檢查P11,P12腳是否有電(進水時,P11與P12相通,達到水位后,P11與P12斷開,而與P13相通)。如無電,則說明程控器有問題或相關連線接觸不好。
(5) 如水位開關無誤,再檢查電磁閥上是否有電。用萬用表測量,如有電,則說明電磁閥損壞,更換。
(6) 請按下章“進水流程”檢查程控器對應觸點或更換程控器。
3、 進水完成后,電機不洗滌。
(1) 檢查水位開關接線是否有錯按或松動現象。
(2) 再檢查P11與P13是否相通(達到水位后兩觸點應相通)。如不通,說明水位開關損壞,更換。
(3) 檢查電機的插排是否松動。如松動,插緊。
(4) 如不松動,用萬用表按圖一(或圖二)測量電機是否完好。如損壞,請更換電機。
(5) 如電機無誤,則問題出在程控器,請按下章“電機運轉流程”檢查程控器對應觸點或更換程控器。
(6) 如有調速板,請更換調速板看一下問題是否解決。
4、 洗滌時不加熱
(1) 檢查溫控器是否在“0”位。如在“0”位,則洗衣機工作在冷水洗狀態,不加熱。
(2) 檢查水位開關動作是否正常。按檢查水位開關
的方法進行檢查。
(3) 檢查加熱管上有無電壓(程控器在應加熱區間), 如有電壓,再斷電,用電阻檔測加熱管的阻值。應該是加熱管損壞,更換。
(4) 如加熱管上無電壓,測量溫控器THRC與THR1是否相通,如不相通,則更換溫控器。
(5) 如溫控器THRC與THR1相通,說明溫控器無問題。測量60℃恒溫器是否正常(如按下高溫洗按鍵,則應測試高溫洗按鍵開關是否正常),藍色對應的是60℃恒溫器(常閉),綠色對應的是40℃恒溫器(常開)。
(6) 如恒溫器也無問題,則按下章“加熱流程”進行檢查程 控器對應觸點或更換程控器。
5、不排水
(1) 檢查程控器是否走到該排水的位置,如不在,等待。
(2) 檢查排水泵兩端是否有電。用手摸洗衣機外殼看是否有輕微振動,如有,說明排水泵工作正常。請檢查排水管路是否堵塞(將排水管放下,看有無水流出)或是否有小的衣物掉入排水泵中,把排水泵的扇葉纏住,以致不排水(打開底部飾條上的小門,旋開排水泵的葉輪室蓋,檢查有無小的衣物或其它物件)。
(3) 排水泵兩端無電壓,則按下章“排水流程”進行檢查程控器對應觸點或更換程控器。
6、不脫水
(1) 檢查程控器是否走到該脫水的位置,如不在,等待。
(2) 檢查洗衣機內的水是否已排完。如未排完,請耐心地等一會或按“不排水”的情況進行修理。
(3) 如水已排完,請檢查電機插排是否插緊,有無松動的現象。插緊。
(4) 測量電機線圈繞阻是否已燒斷,如是,請更換電機。雙速電機可以先更換電容試一下。
(5) 如洗衣機裝有調速板,換一個調速板試一下。
(4) 如上述器件都沒有問題,請按按下章“脫水流程”進行檢查程控器對應觸點或更換程控器。
(二)使用機電一體化程控器(XQG50-6010,XQG60-8010)的洗衣機常見電氣故障及排除
1、按電源開關后,電源指示燈不亮,機器不工作。
參照機械程控器相應章節.
2、按電源開關后,電源指示燈亮,不進水。
(1)處理方法參照機械程控器相應章節1、2、3、4條。
(2)如以上檢測都無問題,在確認接插件無松動的情況下,用萬用表測量V41與V42是否有電。如無電,更換程控器。
3、進水完成后,電機不洗滌。
(1)處理方法參照機械程控器相應章節1、2、3、4條。
(2)如以上檢測都無問題,在確認接插件無松動的情況下,測量程控器的M64與M65兩端是否有電壓(70V~90V)。如沒有,請更換程控器。
4、洗滌時不加熱
(1)處理方法參照機械程控器相應章節1、2、3條。
(2)如以上檢測都無問題,在確認接插件無松動的情況下,檢查溫度控制電位器是否旋轉到位,再測量調溫電位器1-2兩點阻值,具體對應關系如下表:
(3)如以上檢測無問題,更換程控器。
5、不排水
(1)處理方法參照機械程控器相應章節1、2條。
(2)如以上檢測都無問題,在確認接插件無松動的情況下,用萬用表測量程控器P43與P44有無電壓,如無,更換程控器。
6、不脫水
(1)處理方法參照機械程控器相應章節1、2、3、4條。
(2)如以上檢測都無問題,在確認接插件無松動的情況下,測量程控器的M64與M65兩端是否有電壓(200V~220V)。如沒有,請更換程控器。
(三)使用全電腦程控器(XQG50-1208,1210,1212,XQG60-8210)的洗衣機常見電氣故障及排除
1、按電源開關后,電源指示燈不亮,機器不工作。
(1) 參照機械程控器相應章節1、2條。
(2)檢查線路板插線是否有松動。如有,插緊。用萬用表測量“電源L”與“電源N”兩端有無電源,如有,更換電腦板。
2、按電源開關后,顯示正常,不進水。
(1)處理方法參照機械程控器相應章節1、2、3條。
(2) 更換水位開關,看能否進水。
(3) 如水位開關無誤,再檢查電磁閥上是否有電。用萬用表測量,如有電,則說明電磁閥損壞,更換。
(4) 用萬用表測量線路板“電源N”與“進水1”(或“進水2)之間有無電壓。如沒有,更換電腦板。
3、進水完成后,電機不洗滌。
(1) 檢查水位是否因水壓低而未達到洗滌水位。等待。水位開關接線是否松動。
(2) 再檢查電控板上所有接插件是否有松動。插緊。
(3) 檢查電機的插排是否松動。如松動,插緊。
(4) 如不松動,用萬用表測量電機是否完好。如損壞,請更換電機。
(5) 如電機完好,用萬用表測電機的8腳與9腳是否有電壓(洗滌時,電壓應在70~90V左右)。如無電壓,請更換電控板。
4、洗滌時不加熱
(1) 檢查電控板的溫度設置是否在冷水洗狀態。如是,正常。
(2) 檢查水位是否正確。如水位達不到洗滌水位,系統將不加熱。
(3) 檢查電控板是“加熱管”與“電源N”兩端是否有電。如沒有電,更換電控板。]
(4) 如有電壓,拔下插頭,用電阻檔測加熱管的阻值。如開路,更換加熱管。
5、不排水
(1)檢查電控板是否運行到該排水的位置,如不在,等待。
(2)檢查電控板的“排水”與“電源N”兩端是否有電。如無電,更換電控板。
(3)如有電,用萬用表測試排水泵繞組是否有問題。如無問題,請檢查排水管路是否堵塞(將排水管放下,看有無水流出)或是否有小的衣物掉入排水泵中,把排水泵的扇葉纏住,以致不排水(打開底部飾條上的小門,旋開排水泵的葉輪室蓋,檢查有無小的衣物或其它物件)。
6、不脫水
(1) 檢查電控板是否運行到該脫水的位置。如不在,等待。
(2) 檢查洗衣機內的水是否已排完。如未排完,請耐心地等一會或按“不排水”的情況進行修理。
(3) 如水已排完,請檢查電機插排是否插緊,有無松動的現象。插緊。
(4) 用萬用表測量電機繞組是否完好。如電機完好,用萬用表測電機的8腳與9腳是否有電壓(洗滌時,電壓應在210V左右)。如無電壓,請更換電控板。
三、程控器原理圖及修理流程
(一) 機械程控器原理圖及修理流程
我公司現生產的洗衣機主要采用以下兩款機械程控器:
1、 EC4807.04A用于機械帶烘干型洗衣機。如XQG60-8010HA等。
2、 EC4885.02A用于普通型洗衣機。如:XQG50-6006,XQG60-8006等。
現將以上兩款程控器的相關資料匯總見下:
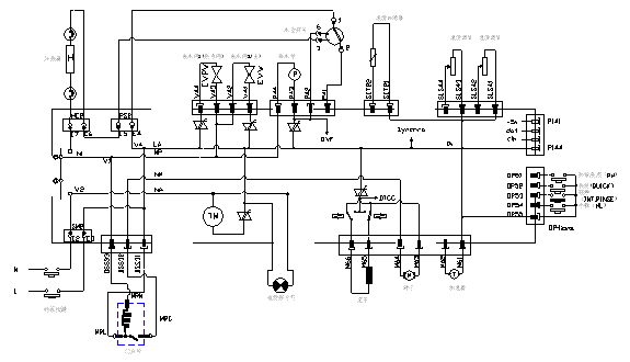
其中:T:程控器; P:水位開關; MR:門開關; I:琴鍵開關;
THR:溫控器; TH40,TH60:恒溫器; C:電容器
R:水加熱器; RA:烘干加熱器 PS:排水泵;EVF,EFW:進水閥。
1、 EC4885.02A程控器
(1)原理圖
(2)時序表
(3)維修流程

2、EC4807.04A
(1)原理圖

(2)時序表

(3)維修流程

(二)、機電一體程控器
1、原理圖
2、電控板對以下故障進行報警。
(1)可控硅在洗衣過程中短路, 反應時間<>
(2) 測速電機失效,反應時間< 3="">
(3)電機扭矩過大,反應時間< 5="">
(4)NTC > 97℃ 或NTC < -5℃=""><>
(5)達到溢水位。
(6) 電機熱保護器動作,反應時間> 3分鐘。
(7) 門鎖開關斷開,檢測時間> 1分鐘 。
(8) 進水超時: 6分鐘內未到達N1水位。
(9) 排水期間, 當無法到達空水位時
(10) 在加熱時加熱時間超過55分鐘。
以上故障,整機都將停止工作。只有當關閉電源或修改程序后,故障方能解除。
3、自檢程序
按入所有功能鍵按入,將溫度旋鈕旋至最高位置,再將程序選擇器旋轉至單脫水程序(面板5~6之間)。
按下電源按鍵, 當聽到排水聲時,應在10秒中內,按“釋放--按入--釋放”的步驟操作“強漂鍵”,程控器將自動進入自檢程序
(1) 從預洗槽進水10秒,如釋放“半載鍵”可跳過此步。
(2) 從預洗槽進水10秒. 如釋放“防皺縮鍵”可跳過此步。
(3) 從主洗槽進水10秒. 如釋放“快洗鍵”可跳過此步。
(4) 從主洗槽進水至一水位。
(5) 邊洗滌邊加熱至90°C,如將溫度旋鈕旋至冷洗位,可跳過此步。
(6) 從軟化槽進水10秒,滾筒向右向旋轉。
(7) 排水至一水位, 滾筒向左向旋轉。
(8) 邊排水邊甩干至1000rpm。可以通過按入/釋放或釋放/按入任意功能鍵跳過此步。
(9) 程序選擇器停止在化纖停止位。
(三)全自動電腦控制器
1、引線圖
2、洗衣機生產時自檢程序:
同時按住“功能”與“脫水”鍵,打開電源開關。此時,蜂鳴器鳴叫兩聲,進入自檢程序。
同時系統應按以下程序進行:
(1)、洗滌(正轉) : 3 S 停2S。
(2)、洗滌(反轉) : 3S 停1S。
(3)、A進水槽進水 : 4S 停1S。
(4)、B進水槽進水 : 4S 停1S。
(5)、C進水槽進水 : 4S 停1S。
(6)、A進水槽進水至“1”水位:正常:數碼管顯示“C1”,如達不到或超過“1”水位,顯示“N1”。
(7)按“功能”鍵后,A進水槽繼續進水至“2”水位:正常:顯示“C2”,如達不到或超過“2”水位,則顯示“N2”。
(8)加熱: 3S 停: 2S
(9)連續排水: 8S 停:5S
(10)、中速53轉 : 8S 。
(11)、中速100轉 : 4S 。
(12)、中速400轉 : 4S 。
(13)、中速600轉 : 4S 。
(14)、中速800轉: 4S 。
(15)、最高轉速 持續 。
按電源鍵后即可退出該自檢程序。
注意:1、(1)~(9)步均要求在數碼管上顯示運行的步驟的序號。
2、(10)~(15)應在數碼管上顯示相應的電機轉速。
3、故障報警
E1:溫度傳感器失效(即溫度小于-10℃或大于105度)
E2:進水故障。(超過設定時間30分鐘而未達到設定水位,則報警)。
E3:排水故障。(排水閥工作后總計時間超過設定時間10分鐘,而水位仍未到達復位值,報警)
E4:門未鎖上報警(如按下“啟動/暫停 ”鍵3分鐘后,單片機仍檢測不到門鎖信號,立即報警)。
E5:溢出報警(當水位超過“溢流”水位時,報警。
以上故障排除后必須重新上電(或按兩次電源鍵)才能回到正常狀態。


返回頂部
刷新頁面
下到頁底