電子節能燈的維修教程
電子節能燈具有低電壓啟輝、無頻閃、無噪音、高效節能、開燈瞬間即亮、使用壽命長(3000小時以上,為普通白熾燈的3倍多)等優點,很受消費者的歡迎(尤其在電源電壓波動頻繁的地區)。
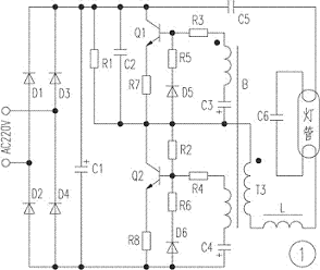
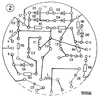
電子節能燈有玻罩型和裸露型。玻罩型又有球型、球柱型、工藝型等三個系列,前兩個系列均有全透明、刻花、彩色刻花和乳白色4個品種。它具有外形美觀、安裝時不易損壞燈管、耐碰撞等優點;裸露型則有H型、UH型、3U型、4U型、2D型及螺旋型等。按發光的顏色分,則可分為紅、綠、藍、黃(色溫為2700K,屬暖色光,類似于白熾燈的光色)、白(色溫以6400K居多,屬冷色光,類似于日光燈的光色);而色溫為5000K的燈管因光色接近于自然光,對眼睛無刺激,更適合于學生和精細工作。本文介紹的電子節能燈電路見圖1,印板圖見圖2。該電路已加有軟啟動(燈絲預熱)電路,可延長燈管壽命。多應用于護目燈和外銷燈具中。 
維修電子節能燈,首先要排除假故障。關燈后節能燈有間隙性的閃光,這并不是燈的質量問題。主要原因是電工線路安裝不規范,將開關設在零線造成的。只要把進線端的零線與火線調換一下即可。使用了帶氖燈的開關,關燈后仍然能形成微流通路,或借線安裝雙聯開關的,會造成有時關燈后有閃光現象。
維修電子節能燈時,為安全應用1:1隔離變壓器隔離市電。
一、燈不能正常點亮的檢修
1.常見為諧振電容C6擊穿(短路)或耐壓降低(軟擊穿),應換為耐壓在1kV以上的同容量優質滌綸或CBB電容。
2.燈管燈絲開路。若燈管未嚴重發黑,可在斷絲燈腳兩端并聯0.047μF/400V的滌綸電容后應急使用。
3.R1、R2開路或變值(一般以R1故障可能性較大),用同阻值的1/4W優質電阻代換。
4.三極管開路。如發現只有一只三極管開路,但不能更換一只,而應更換一對耐壓在400V以上的同型號配對開關管。否則容易出現燈光打滾或再次燒管。
5.燈光閃爍不停。燈管若未嚴重發黑,檢查D5、D6有無虛焊或開路,若D5、D6軟擊穿或濾波電容C1漏液及不良,也會使燈光閃爍不停。
6.燈難以點亮,有時用手觸摸燈管能點亮或燈光打滾,這可能是C3、C4容量不足、不配對。
7.倘若單支小功率節能燈點亮后燈絲有發紅或發光的現象,還應檢查D1~D4有無軟擊穿,C1是否裝反或漏電,電源部分有無短路等。
8.扼流圈L及振蕩變壓器B的磁心有斷裂。如若單換磁心,要注意三點:(1)使用符合要求的磁心,否則可能使扼流圈的電感值有較大出入,給節能燈埋下隱患;(2)磁隙不能過小,以免磁飽和;(3)磁隙間用合適的墊襯物墊好后,用膠粘劑粘上,并纏上耐高溫阻燃膠帶,以防松動。此外對B的同名端不能接錯。
9.檢修使用觸發管的電子鎮流器,應重點檢查雙向觸發二極管,此管一般用DB3型,它的雙向擊穿電壓為32±4V。
二、有元件明顯損壞的檢修
1.雖不熔斷保險、不燒斷進線處線路而電阻等有明顯損壞的,三極管必損無疑。這首先可能是燈管老化引起的,其次是使用環境差,另外可能是由C1失去容量造成的。對于前二種情況,在更換電阻、三極管時,最好也更換配對的C3、C4小電解。對于后一種,C3、C4不必更換,由于C1工作在高壓條件下,務必選用優質耐熱電解電容器進行代換。
2.在熔斷保險、燒斷進線處線路的情況下,若C1、Q1、Q2完好,則必須逐個對D1~D4進行常規檢查和耐壓測試。或把D1~D4全部用優質品代換。
3.C1爆裂,如伴有熔斷保險、燒斷進線的現象,應將D1~D4、C1全部更換。
4.只有Q2一側的阻容件、三極管燒壞的,應重點檢查C2是否已擊穿。
5.若高頻變壓器B損壞,可用∮0.32mm高強線在10mm×6mm×5mm的高頻磁環上繞制,T1、T2各為4圈;T3為8圈(注意頭尾)。扼流圈L:燈管功率5~40W,相應為1.5~5.5mH之間。 
三、少數電子節能燈有干擾遙控彩電的現象。
可調整L的電感量或C2的電容量,使其不干擾遙控電視機,又能安全工作。
四、使用節能燈的注意事項
1.節能燈不能在調光臺燈、延時開關、感應開關的電路中使用。
2.應避免在高溫高濕的環境中使用。
3.電子節能燈與其他照明燈具一樣,不宜頻繁開和


返回頂部
刷新頁面
下到頁底