什么是時序邏輯電路
在數字電路中,凡是任一時刻的穩定輸出不僅決定于該時刻的輸入,而且還和電路原來狀態有關者都叫時序邏輯電路。時序邏輯電路結構示意圖如圖2-41所示。時序邏輯電路的狀態是靠具有存儲功能的觸發器所組成的存儲電路來記憶和表征的。

時序邏輯電路的特點
1、功能特點
電路在某采樣周期內的穩態輸出Y(n),不僅取決于該采樣周期內的“即刻輸入X(n)”,而且還與電路原來的狀態Q(n)有關。(通常Q(n)記錄了以前若干周期內的輸入情況)。
2、結構特點
除含有組合電路外,時序電路必須含有存儲信息的有記憶能力的電路:觸發器、寄存器、計數器等。
時序邏輯電路的功能
1、邏輯方程組
1)特性方程:描述觸發器邏輯功能的邏輯表達式。
2)驅動方程:(激勵方程)觸發器輸入信號的邏輯表達式。
3)時鐘方程:控制時鐘CLK的邏輯表達式。
4)狀態方程:(次態方程)次態輸出的邏輯表達式。
5)輸出方程:輸出變量的邏輯表達式。
2、狀態表
反映輸出Z、次態Q*與輸入X、現態Q之間關系的表格。
3、狀態圖
反映時序電路狀態轉換規律及相應輸入、輸出取值關系的圖形。
4、 時序圖
又叫工作波形圖,它用波形的形式形象地表達了輸入信號、輸出信號、電路的狀態等的取值在時間上的對應關系。
時序邏輯電路的狀態轉換表、狀態轉換圖和時序圖詳解
狀態轉換表、狀態轉換圖和時序圖是時序電路特有的描述方法,描述出電路在 CP 作 用下,狀態轉換全部 過程。
一、狀態轉換表
將輸入及初態代入狀態方程和輸出方程,算出電路次態和現態下的輸 出值。

即:每 7 個 CP ,電路狀態回到初態(循環變化)。可對時鐘脈沖計數:每經過 7 個時鐘脈沖, Y 輸出一個脈沖(即由 0 變 1 ,再由 1 變 0 ),可作為一個 七進制計數器, Y 輸出進位脈沖。
二、狀態轉換圖

三、時序圖(即: CP 作用下,電路狀態、輸出狀態隨時間變化的波形圖)
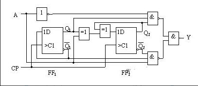
P231 例

解: ( 1 ) 寫出 驅動方程: ![]()
![]()
。 2 ) 由 D 觸發器特性方程:
得 狀態方程:
![]()
![]()
![]()
![]()
( 3 )輸出方程: ![]()
。 4 )狀態轉換表:

。 5 )狀態轉換圖:

( 6 )邏輯功能: A=0 ,為 4 進制加法計數器, ![]()
由 00 、 01 、 10 、 11 遞增,從 11 跳變回 00 時,輸出端 Y 輸出一個脈沖。A=1 ,為 4 進制減法計數器, ![]()
由 11 、 10 、 01 、 00 遞減,從 00 跳變回 11 時,輸出端 Y 輸出一個脈沖。
時序邏輯電路有哪些(三款時序邏輯電路的設計)
時序邏輯電路的設計(一)
下圖的時序邏輯電路是:設計一個串行數據檢測器,對它的要求是:連續輸入3個或3個以上的1時輸出為1,其他輸入情況下輸出為0。

時序邏輯電路的設計(二)
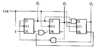
下圖的時序邏輯電路是:試用JK觸發器和門電路設計一個同步七進制計數器

時序邏輯電路的設計(三)
下圖的時序邏輯電路是:設計一“011”序列檢測器,每當輸入011碼時,對應最后一個1,電路輸出為1



返回頂部
刷新頁面
下到頁底