| 圖1是(a)是恒流源鋸齒波電路,BG1是開關管,由輸入矩形脈沖控制其飽和與截止,BG2是共基恒流管,因此,當BG1截止時,BG2以恒定電流i對C充電,電壓uc線性地增長;當BG1飽和時,C通過BG1快速地放電,從而產生鋸齒波如圖1(b)示。 |
![]() 圖1、恒流源鋸齒波電路 |
| 圖2(a)是一種自舉式鋸齒波電路,BG1是開關管,C、R分別為定時電容和電阻,BG4共基恒流源,BG2和BG3組成復合管跟隨器,當輸入ui是負形波時,BG1截止,電容C充電(由Ec→R1→BG4→R→C),B點電位上升,由于射隨器(BG2、BG3)作用,使A點電位也上升,稱為自舉。由于A、B兩點的電位差不變,流過R的電流也不變,使C以恒流充電,當輸入負矩形脈沖結束后,BG1飽和,C通過它迅速地放電,輸出波形如圖2(b)示。 |
![]() 圖2、自舉據齒波電路 |
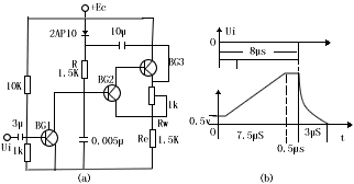
| 圖3為改進電路,使BG2、BG3的放大系數K大于1,調節電位器Rw,可得波形失真的最佳補償。 |

圖3、K>1的自舉鋸齒波電路




返回頂部
刷新頁面
下到頁底