計算機RS232串行口是一種很常用的通信接口,一直在工業、科研中占有極為重要的角色。除作為簡單的串口通信外,許多用戶在串行口上開發了不少種類繁多、用途廣泛的擴展產品,如手寫筆、RS232/RS-485轉換接口、數據采集器等。這些產品大多需要有電源供電,如果由外部來給接口產品提供電源,難免繁瑣且增加成本,本文向大家介紹從PC機RS232串口獲取電源的簡單方法。
圖一所示是一種最簡單的正、負電源獲取方法。電路非常簡單,成本也很低,僅需要4只二極管和2只電容即可完成整個功能,該電路的缺點是電流有限、電壓不穩定。為此需要對圖一的電路進行改進,以獲得更好的正、負電源獲取電路。
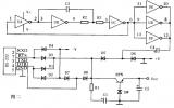
如圖二所示。在PC機通電啟動初始化串行口前,RS-232接口中RXD、RTS、DTR信號線電壓約為-11V,經由圖中二極管向六反相器UA~UF供電,反相器UA~UC和電阻R2、R3、電容C3組成振蕩器,經UD~UF驅動輸出方波。通過電容C4耦合和二極管整流至R1、C1、T1、DW、C2組成的電壓調整電路產生供給系統的Vcc電壓。初始化串行口后,RS-232接口中DTR、RTS信號線電壓轉換為約+11V,也經電壓調整電路產生Vcc電壓,為單片機電路提供電源。
注意PC機串行口本身不具備提供過大電流的能力,當從信號線上提取電流超過6mA時,信號線的電平將會下降許多,電流拾取過大還可能損害RS-232接口。
遇到的問題及解決方法
許多單片機系統的正常工作電流不大,但往往啟動時電流遠大于正常工作電流,這種情況可能出現啟動時系統供電不足,導致單片機復位不良,從而造成單片機電路不能正常工作。
系統主要耗電大戶往往是單片機與存儲器,上電初始階段,單片機啟動電流較大,會使串行口提供的Vcc電壓有所降低,單片機不能很快進入正常工作狀態,而且此時程序存儲器的各端口引腳上的狀態也沒有達到穩定,從而吸入更多的電流,由此產生不良循環使電壓Vcc進一步下降,從而造成單片機不能正常復位啟動。
解決問題的方法一是增加單片機上電復位時間,使單片機能可靠自動復位;二是通過右圖所示的簡單電路來控制程序存儲器的選通時間。在上電初始階段,由于R2、C1的充電過程,使得三極管V1的集電極輸出YCS=“1”,使程序存儲器選通失效。當R2、C1充電延遲一段時間后,YCS由“l”變“0”,程序存儲器進入選通狀態,從而避免了由于單片機外圍電路上電時吸收電流過大而造成的非正常工作狀態。實踐證明,該方法行之有效。


返回頂部
刷新頁面
下到頁底