隨著國內光伏市場的啟動,光伏并網標準也日漸苛刻,新的光伏并網標準對發電站和光伏逆變器的要求都有大幅提高。今天我們就來了解一下,光伏逆變器的電路圖及原理簡介。
逆變器是一種把直流電能(電池、蓄電池)轉變成交流電(一般為220伏50HZ正弦波或方波)的裝置。我們常見的應急電源,一般都是把直流電瓶逆變成220V交流的。簡單來講,逆變器就是一種將直流電轉化為交流電的裝置。
不管是在偏遠山村,或是野外需要或是停電應急,逆變器都是一個非常不錯的選擇。比較常見的是機房會用到的UPS電源,在突然停電時,UPS可將蓄電池里德直流電逆變成交流供計算機使用,從而防止因突然斷電而導致的數據丟失問題。能夠不間斷地提供電源,具有一定的安全可靠性、穩定性。逆變器還可以與發電機配套使用,能有效地節約燃料、減少噪音,在風能、太陽能領域,逆變器更是必不可少。小型逆變器還可利用汽車、輪船、便攜供電設備在野外提供交流電源。本文將介紹兩種比較簡單的逆變器原理圖。
這種設計,材料易取,輸出功率150W,本電路設計頻率為300HZ左右,目的是縮小逆變變壓器的體積、重量、輸出波形方波。這款逆變電源可以用在停電時家庭照明,電子鎮流器的日光燈,開關電源的家用電器等其他方面。這款逆變器較為容易制作,可以將12V直流電源電壓逆變為220V市電電壓,電路由BG2和BG3組成的多諧振蕩器推動,再通過BG1和BG2驅動,來控制BG6和BG7工作。其中振蕩電路由BG5與DW組的穩壓電源供電,這樣可以使輸出頻率比較穩定。在制作時,變壓器可選有常用雙12V輸出的市電變壓器。可根據需要,選擇適當的12V蓄電池容量。
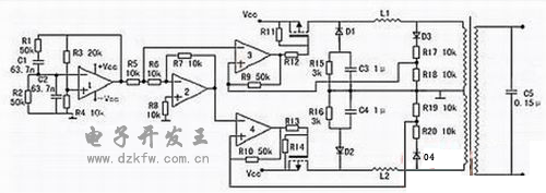
高效率的正弦波逆變器電器圖
該電路用12V電池供電。先用一片倍壓模塊倍壓為運放供電。可選取ICL7660或MAX1044。運放1產生50Hz正弦波作為基準信號。運放2作為反相器。運放3和運放4作為遲滯比較器。其實運放3和開關管1構成的是比例開關電源。運放4和開關管2也同樣。它的開關頻率不穩定。在運放1輸出信號為正相時,運放3和開關管工作。這時運放2輸出的是負相。這時運放4的正輸入端的電位(恒為0)總比負輸入端的電位高,所以運放4輸出恒為1,開關管關閉。在運放1輸出為負相時,則相反。這就實現了兩開關管交替工作。
當基準信號比檢測信號,也即是運放3或4的負輸入端的信號比正輸入端的信號高一微小值時,比較器輸出0,開關管開,隨之檢測信號迅速提高,當檢測信號比基準信號高一微小值時,比較器輸出1,開關管關。這里要注意的是,在電路翻轉時比較器有個正反饋過程,這是遲滯比較器的特點。比如說在基準信號比檢測信號低的前提下,隨著它們的差值不斷地靠近,在它們相等的瞬間,基準信號馬上比檢測信號高出一定值。這個“一定值”影響開關頻率。它越大頻率越低。這里選它為0.1~0.2V。
C3,C4的作用是為了讓頻率較高的開關續流電流通過,而對頻率較低的50Hz信號產生較大的阻抗。C5由公式:50=算出。L一般為70H,制作時最好測一下。這樣C為0.15μ左右。R4與R3的比值要嚴格等于0.5,大了波形失真明顯,小了不能起振,但是寧可大一些,不可小。開關管的最大電流為:I==25A。
現有的逆變器,有方波輸出和正弦波輸出兩種。方波輸出的逆變器效率高,對于采用正弦波電源設計的電器來說,除少數電器不適用外大多數電器都可適用,正弦波輸出的逆變器就沒有這方面的缺點,卻存在效率低的缺點,如何選擇這就需要根據自己的需求了。
本文介紹了兩種比較簡單的逆變器,并給出了具體的電路圖及原理分析。我們處在一個“移動”的時代,移動辦公,移動通訊,移動休閑和娛樂。在移動的狀態下,人們不但需要由電池或電瓶供給的低壓直流電,同時更需要我們在日常環境中不可或缺的220伏交流電,逆變器可以滿足我們的這種需求。


返回頂部
刷新頁面
下到頁底