電源濾波器是由電容、電感和電阻組成的濾波電路,又名“電源EMI濾波器”,或是“EMI電源濾波器”,一種無源雙向網絡,它的一端是電源,另一端是負載。電源濾波器的原理就是一種——阻抗適配網絡:電源濾波器輸入、輸出側與電源和負載側的阻抗適配越大,對電磁干擾的衰減就越有效。濾波器可以對電源線中特定頻率的頻點或該頻點以外的頻率進行有效濾除,得到一個特定頻率的電源信號,或消除一個特定頻率后的電源信號。
下面小編為大家來具體介紹幾款220v電源濾波器電路設計原理圖詳解。
220v電源濾波器電路圖設計(一)
為減小體積、降低成本,單片開關電源一般采用簡易式單級EMI濾波器,典型電路圖1所示。圖(a)與圖(b)中的電容器C能濾除串模干擾,區別僅是圖(a)將C接在輸入端,圖(b)則接到輸出端。圖(c)、(d)所示電路較復雜,抑制干擾的效果更佳。圖(c)中的L、C1和C2用來濾除共模干擾,C3和C4濾除串模干擾。R為泄放電阻,可將C3上積累的電荷泄放掉,避免因電荷積累而影響濾波特性;斷電后還能使電源的進線端L、N不帶電,保證使用的安全性。圖(d)則是把共模干擾濾波電容C3和C4接在輸出端。

EMI濾波器能有效抑制單片開關電源的電磁干擾。圖2中曲線a為加EMI濾波器時開關電源上0.15MHz~30MHz傳導噪聲的波形(即電磁干擾峰值包絡線)。曲線b是插入如圖1(d)所示EMI濾波器后的波形,能將電磁干擾衰減50dBμV~70dBμV。顯然,這種EMI濾波器的效果更佳。

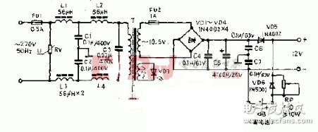
220v電源濾波器電路圖設計(二)
本電路輸入的220V交流電壓通過對稱平衡電網濾波器加到電源變壓器T的初級兩端! ‰娐穲D如圖所示。輸入端220V交流電源通過對稱平衡電網濾波器加到電源變壓器T的初級兩端。電網濾波器是由L1~L4,C1~C3組成。橋式整流器VD1~VD4輸出的脈動直流通過C4~C7,VD5組成的直流濾波器輸出約12的平滑直流電壓。

12V輸出兩端電壓并節著12V蓄電池GB電壓,平時,蓄電池GB處于充電狀態,一旦市電電源220V停電事蓄電池GB的12V電壓通過二極管VD6字哦的供給負載用電。
其中,RV為壓敏電阻器,它主要是對外界的高電壓和雷電有良好的吸收作用。該電阻具有短暫的吸收功能,而對于較長時間則無能為力,故將保險FUI熔斷,二極管VD5,VD6為隔離二極管或為反相截流管。
220v電源濾波器電路圖設計(三)
這是一款具有光控功能的LED照明燈,它白天不工作,晚上自動點亮。該燈共用42個高亮白光發光二極管,每3支串聯,然后再相互并聯后接于電源兩瑞,適用于樓梯、過道等作照明。
220V交流電經電容限流、橋式整流、濾波、穩壓,在A、B兩端獲得穩定的12V直流電。在白天由于光敏電阻RG受到自然光的照射呈現低阻值,三極管VT的基極電位低,而被反偏置,因此VT截止,單向可控硅VS門極為低電平被關斷,LED不亮。到天黑后光敏電阻RG因無光照呈現高阻值,VT導通,VS的門極即有正向觸發電壓而導通,LED通電發光。開關K為手動控制開關,只要K閉合,不管白天黑夜,LED均能發光。

220v電源濾波器電路圖設計(四)
圖1是一款貼片LED照明燈具的實用電路圖,該燈使用220V電源供電,220V交流電經C1降壓電容降壓后經全橋整流再通過C2濾波后經限流電阻R3給串聯的10顆貼片LED提供恒流電源。貼片LED的額定電流為20mA,但是我們在制作節能燈的時候要考慮很多方面的因素對貼片LED的影響,包括光衰和發熱的問題,LED的溫度對光衰和壽命影響很大,如果散熱不好很容易產生光衰,因為LED的特性是溫度升高電流就會增大,所以一般在做大功率照明時散熱的問題是最重要的,將影響到LED的穩定性,小功率一般都采取自散熱方式,所以在電路設計時電流不宜過大。

此電路適合驅動7-12只20mA的貼片LED
圖中R1是保護電阻,R2是電容C1的卸放電阻,R3是限流電阻防止電壓升高和溫度升高LED的電流增大,C2是濾波電容,實際在LED電路中可以不用濾波電路,C2是用來防止開燈時的沖擊電流對LED的損害,開燈的瞬間因為C1的存在會有一個很大的充電電流,該電流流過LED將會對LED產生損傷,有了C2的介入,開燈的充電電流完全被C2吸收起到了開燈防沖擊保護。該電路是小功率燈杯最實用的電路,占用體積小可以方便的裝在空間較小的燈杯里,現在被燈杯產品廣泛的采用。
優點:恒流源,電源功耗小,體積小,經濟實用。但是在設計時降壓電容要采用耐壓在400V以上的滌綸電容或CBB電容,濾波電容要用耐壓250v以上。
電容或CBB電容,濾波電容要用耐壓250v以上。此電路適合驅動20-40只20mA的LED.

圖2 電路板圖
220v電源濾波器電路圖設計(五)
對于220v轉12v穩壓電源而言,如果電流大就用開關電源,如果電流小就用阻容,具體接法:220V經電容(680n左右400V以上,并聯一個1M左右的泄放電阻)降壓,再經橋式整流(1N4007就可以)電容濾波,出口接一小阻值限流電阻、12V穩壓管,即可。
220V轉12V開關電源有很多種,有分立元件的,有集成電路的,集成電路又有好多種。開關電源除輸出的電壓不一樣,功率不一樣(輸出電流不一樣)外,原理基本上差不多,手機充電器、電磁爐、DVD、彩電、彩顯等都采用開關電源。
220V轉12V開關電源電路圖
調整C3和R5使振蕩頻率在30KHz-45KH.
輸出電壓需要穩壓。
輸出電流可達約500mA,有效功率8W,效率87%。



返回頂部
刷新頁面
下到頁底