電源濾波器,又名“電源EMI濾波器”,或是“EMI電源濾波器”,是一種無源雙向網絡,是一種對電源中特定頻率的頻點或該頻點以外的頻率進行有效濾除的電氣設備。
電源濾波器是針對電源端口電磁騷擾的特點而設計的,一般是由電感、電容、電阻或鐵氧體器件構成的頻率選擇性二端口網絡,實際上是濾波器的一種,按照工作原理稱之為反射式濾波器。它可以在濾波器阻帶內提供了高的串聯阻抗和低的并聯阻抗,使它和噪聲源的阻抗和負載阻抗嚴重不匹配,從而把不希望的頻率分量發射回噪聲源。
當我們選用電源濾波器時,應主要考慮三個方面的指標:首先是電壓、電流,其次是插入損耗,最后是結構尺寸。由于濾波器內部一般是經過灌封處理的,因此環境特性不是主要問題。但是所有的灌封材料和濾波電容器的溫度特性對電源濾波器的環境特性有一定的影響。
2、電源濾波器原理—典型結構根據電源端口的電磁騷擾特點,電源EMI噪聲濾波器是一種無源低通濾波器,它無衰減地將交流電傳輸到電源,而大大衰減隨交流電傳入的EMI噪聲,同時又能有效地抑制電源設備產生的EMI噪聲,阻止它們進入交流電網干擾其它電子設備。
電源濾波器的典型結構如下圖所示,這是一種無源網絡結構,對交流和直流電源都適用,具有雙向抑制性能。將它插入在交流電網中與電源之間,相當于這二者的EMI噪聲之間加上一個阻斷屏障,這樣一個簡單的無源濾波器起到了雙向抑制噪聲的作用,從而在各種電子設備中獲得廣泛的應用。

圖中Cx是差模電容器,一般稱為X電容,電容量宜選為0.01-2.22μF,CY1和CY2是共模電容器,一般稱為Y電容,電容量約為幾納法(nF)到幾十納法。C3和C4的電容量不宜選得過大,否則容易引起濾波器甚至機殼漏電的危險。L為共模扼流圈,它為同向繞在同一個鐵氧體環上的一對線圈,電感量約為幾毫亨(mH)。對于共模干擾電流,兩個線圈產生的磁場是同方向的,共模扼流圈表現出較大的阻抗,從而起到衰減干擾信號的作用;而對于差模信號(在這里是低頻電源電流),兩個線圈產生的磁場抵消,所以不影響電路的電源傳輸功能。
3、電源濾波器原理—工作原理電源濾波器常用的濾波電路有無源濾波和有源濾波兩大類。無源濾波的主要形式有電容濾波、電感濾波和復式濾波(包括倒L型、LC濾波、LCπ型濾波和RCπ型濾波等)。有源濾波的主要形式是有源RC濾波,也被稱作電子濾波器。直流電中的脈動成分的大小用脈動系數S來表示,此值越大,則濾波器的濾波效果越差。
脈動系數(S)=輸出電壓交流分量的基波最大值/輸出電壓的直流分量
電源濾波器的原理就是一種阻抗適配網絡:電源濾波器輸入、輸出側與電源和負載側的阻抗適配越大,對電磁干擾的衰減就越有效。
具體工作原理如下:交流電經過二極管整流之后,方向單一了,但是大小(電流強度)還是處在不斷地變化之中。這種脈動直流一般是不能直接用來給無線電裝供電的。要把脈動直流變成波形平滑的直流,還需要再做一番“填平取齊”的工作,這便是濾波。換句話說,濾波的任務,就是把整流器輸出電壓中的波動成分盡可能地減小,改造成接近恒穩的直流電。


防雷電路:當有雷擊,產生高壓經電網導入電源時,由MOV1、MOV2、MOV3:F1、F2、F3、FDG1組成的電路進行保護。當加在壓敏電阻兩端的電壓超過其工作電壓時,其阻值降低,使高壓能量消耗在壓敏電阻上,若電流過大,F1、F2、F3會燒毀保護后級電路。
輸入濾波電路:C1、L1、C2、C3組成的雙π型濾波網絡主要是對輸入電源的電磁噪聲及雜波信號進行抑制,防止對電源干擾,同時也防止電源本身產生的高頻雜波對電網干擾。當電源開啟瞬間,要對C5充電,由于瞬間電流大,加RT1(熱敏電阻)就能有效的防止浪涌電流。因瞬時能量全消耗在RT1電阻上,一定時間后溫度升高后RT1阻值減小(RT1是負溫系數元件),這時它消耗的能量非常小,后級電路可正常工作。
整流濾波電路:交流電壓經BRG1整流后,經C5濾波后得到較為純凈的直流電壓。若C5容量變小,輸出的交流紋波將增大。
DC輸入濾波電路原理
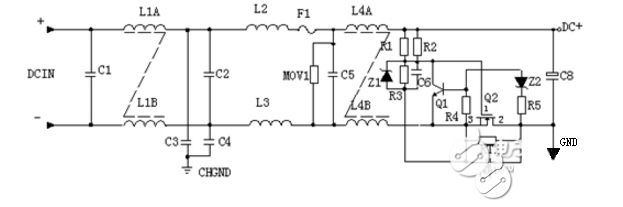
輸入濾波電路:C1、L1、C2組成的雙π型濾波網絡主要是對輸入電源的電磁噪聲及雜波信號進行抑制,防止對電源干擾,同時也防止電源本身產生的高頻雜波對電網干擾。C3、C4為安規電容,L2、L3為差模電感。R1、R2、R3、Z1、C6、Q1、Z2、R4、R5、Q2、RT1、C7組成抗浪涌電路。在起機的瞬間,由于C6的存在Q2不導通,電流經RT1構成回路。當C6上的電壓充至Z1的穩壓值時Q2導通。如果C8漏電或后級電路短路現象,在起機的瞬間電流在RT1上產生的壓降增大,Q1導通使Q2沒有柵極電壓不導通,RT1將會在很短的時間燒毀,以保護后級電路。
電源濾波器電路圖設計(二)圖6所示是電子濾波器。電路中的VT1是三極管,起到濾波管作用,C1是VT1的基極濾波電容,R1是VT1的基極偏置電阻,RL是這一濾波電路的負載,C2是輸出電壓的濾波電容。

①電路中的VT1、R1、C1組成電子濾波器電路,這一電路相當于一只容量為C1&TImes;β1大小電容器,β1為VT1的電流放大倍數,而晶體管的電流放大倍數比較大,所以等效電容量很大,可見電子濾波器的濾波性能是很好的。等效電路如圖6(b)所示。圖中C為等效電容。
②電路中的R1和C1構成一節RC濾波電路,R1一方面為VT1提供基極偏置電流,同時也是濾波電阻。由于流過R1的電流是VT1的基極偏置電流,這一電流很小,R1的阻值可以取得比較大,這樣R1和C1的濾波效果就很好,使VT1基極上直流電壓中的交流成分很少。由于發射極電壓具有跟隨基極電壓的特性,這樣VT1發射極輸出電壓中交流成分也很少,達到濾波的目的。
③在電子濾波器中,濾波主要是靠R1和C1實現的,這也是RC濾波電路,但與前面介紹的RC濾波電路是不同的。在這一電路中流過負載的直流電流是VT1的發射極電流,流過濾波電阻R1的電流是VT1基極電流,基極電流很小,所以可以使濾波電阻R1的阻值設得很大(濾波效果好),但不會使直流輸出電壓下降很多。
④電路中的R1的阻值大小決定了VT1的基極電流大小,從而決定了VT1集電極與發射極之間的管壓降,也就決定了VT1發射極輸出直流電壓大小,所以改變R1的大小,可以調整直流輸出電壓+V的大小。

圖7所示是另一種電子穩壓濾波器,與前一種電路相比,在VT1基極與地端之間接入了穩壓二極管VD1。電子穩壓原理如下:
在VT1基極與地端之間接入了穩壓二極管VD1后,輸入電壓經R1使穩壓二極管VD1處于反向偏置狀態,此時VD1的穩壓特性使VT1管的基極電壓穩定,這樣VT1發射極輸出的直流電壓也比較穩定。注意:這一電壓的穩定特性是由于VD1的穩壓特性決定的,與電子濾波器電路本身沒有關系。
R1同時還是VD1的限流保護電阻。在加入穩壓二極管VD1后,改變R1的大小不能改變VT1發射極輸出電壓大小,由于VT1的發射結存在PN結電壓降,所以發射極輸出電壓比VD1的穩壓值略小。
C1、R1與VT1同樣組成電子濾波器電路,起到濾波作用。
在有些場合下,為了進一步提高濾波效果,可采用雙管電子濾波器電路,2只電子濾波管構成了復合管電路。這樣總的電流放大倍數為各管電流放大倍數之積,顯然可以提高濾波效果。
電源濾波器電路圖設計(四)如圖1(a)所示。是單向脈動性直流電壓波形,從圖中可以看出,電壓的方向性無論在何時都是一致的,但在電壓幅度上是波動的,就是在時間軸上,電壓呈現出周期性的變化,所以是脈動性的。
但根據波形分解原理可知,這一電壓可以分解一個直流電壓和一組頻率不同的交流電壓,如圖1(b)所示。在圖1(b)中,虛線部分是單向脈動性直流電壓U。中的直流成分,實線部分是UO中的交流成分。

根據以上的分析,由于單向脈動性直流電壓可分解成交流和直流兩部分。在電源電路的濾波電路中,利用電容器的“隔直通交”的特性和儲能特性,或者利用電感“隔交通直”的特性可以濾除電壓中的交流成分。圖2所示是電容濾波原理圖。
圖2(a)為整流電路的輸出電路。交流電壓經整流電路之后輸出的是單向脈動性直流電,即電路中的UO。
圖2(b)為電容濾波電路。由于電容C1對直流電相當于開路,這樣整流電路輸出的直流電壓不能通過C1到地,只有加到負載RL圖為RL上。對于整流電路輸出的交流成分,因C1容量較大,容抗較小,交流成分通過C1流到地端,而不能加到負載RL。這樣,通過電容C1的濾波,從單向脈動性直流電中取出了所需要的直流電壓+U。

濾波電容C1的容量越大,對交流成分的容抗越小,使殘留在負載RL上的交流成分越小,濾波效果就越好。
圖3所示是電感濾波原理圖。由于電感L1對直流電相當于通路,這樣整流電路輸出的直流電壓直接加到負載RL上。

對于整流電路輸出的交流成分,因L1電感量較大,感抗較大,對交流成分產生很大的阻礙作用,阻止了交流電通過C1流到加到負載RL。這樣,通過電感L1的濾波,從單向脈動性直流電中取出了所需要的直流電壓+U。
濾波電感L1的電感量越大,對交流成分的感抗越大,使殘留在負載RL上的交流成分越小,濾波效果就越好,但直流電阻也會增大。
電源濾波器電路圖設計(六)圖4所示是π型RC濾波電路。電路中的C1、C2和C3是3只濾波電容,R1和R2是濾波電阻,C1、R1和C2構成第一節π型的RC濾波電路,C2、R2和C3構成第二節π型RC濾波電路。由于這種濾波電路的形式如同希臘字母π和采用了電阻器、電容器,所以稱為π型RC濾波電路。

(1)這一電路的濾波原理是:從整流電路輸出的電壓首先經過C1的濾波,將大部分的交流成分濾除,然后再加到由R1和C2構成的濾波電路中。C2的容抗與R1構成一個分壓電路,因C2的容抗很小,所以對交流成分的分壓衰減量很大,達到濾波目的。對于直流電而言,由于C2具有隔直作用,所以R1和C2分壓電路對直流不存在分壓衰減的作用,這樣直流電壓通過R1輸出。
(2)在R1大小不變時,加大C2的容量可以提高濾波效果,在C2容量大小不變時,加大R1的阻值可以提高濾波效果。但是,濾波電阻R1的阻值不能太大,因為流過負載的直流電流要流過R1,在R1上會產生直流壓降,使直流輸出電壓Uo2減小。R1的阻值越大,或流過負載的電流越大時,在R1上的壓降越大,使直流輸出電壓越低。
(3)C1是第一節濾波電容,加大容量可以提高濾波效果。但是C1太大后,在開機時對C1的充電時間很長,這一充電電流是流過整流二極管的,當充電電流太大、時間太長時,會損壞整流二極管。所以采用這種π型RC濾波電路可以使C1容量較小,通過合理設計R1和C2的值來進一步提高濾波效果。
(4)這一濾波電路中共有3個直流電壓輸出端,分別輸出Uo1、Uo2和Uo3三組直流電壓。其中,Uo1只經過電容C1濾波;Uo2則經過了C1、R1和C2電路的濾波,所以濾波效果更好,Uo2中的交流成分更小;Uo3則經過了2節濾波電路的濾波,濾波效果最好,所以Uo3中的交流成分最少。
(5)3個直流輸出電壓的大小是不同的。Uo1電壓最高,一般這一電壓直接加到功率放大器電路,或加到需要直流工作電壓最高、工作電流最大的電路中;Uo2電壓稍低,這是因為電阻R1對直流電壓存在電壓降;Uo3電壓最低,這一電壓一般供給前級電路作為直流工作電壓,因為前級電路的直流工作電壓比較低,且要求直流工作電壓中的交流成分少。
圖5所示是π型LC濾波電路。π型LC濾波電路與π型RC濾波電路基本相同。這一電路只是將濾波電阻換成濾波電感,因為濾波電阻對直流電和交流電存在相同的電阻,而濾波電感對交流電感抗大,對直流電的電阻小,這樣既能提高濾波效果,又不會降低直流輸出電壓。
在圖5的電路中,整流電路輸出的單向脈動性直流電壓先經電容C1濾波,去掉大部分交流成分,然后再加到L1和C2濾波電路中。

對于交流成分而言,L1對它的感抗很大,這樣在L1上的交流電壓降大,加到負載上的交流成分小。
對直流電而言,由于L1不呈現感抗,相當于通路,同時濾波電感采用的線徑較粗,直流電阻很小,這樣對直流電壓基本上沒有電壓降,所以直流輸出電壓比較高,這是采用電感濾波器的主要優點。
電源濾波器電路圖設計(八) 開關電源EMI濾波器典型電路
開關電源為減小體積、降低成本,單片開關電源一般采用簡易式單級EMI濾波器,典型電路圖1所示。圖(a)與圖(b)中的電容器C能濾除串模干擾,區別僅是圖(a)將C接在輸入端,圖(b)則接到輸出端。圖(c)、(d)所示電路較復雜,抑制干擾的效果更佳。圖(c)中的L、C1和C2用來濾除共模干擾,C3和C4濾除串模干擾。R為泄放電阻,可將C3上積累的電荷泄放掉,避免因電荷積累而影響濾波特性;斷電后還能使電源的進線端L、N不帶電,保證使用的安全性。圖(d)則是把共模干擾濾波電容C3和C4接在輸出端。
EMI濾波器能有效抑制單片開關電源的電磁干擾。圖2中曲線a為加EMI濾波器時開關電源上0.15MHz~30MHz傳導噪聲的波形(即電磁干擾峰值包絡線)。曲線b是插入如圖1(d)所示EMI濾波器后的波形,能將電磁干擾衰減50dBμV~70dBμV。顯然,這種EMI濾波器的效果更佳。

(1)分析濾波電容工作原理時,主要利用電容器的“隔直通交”特性,或是充電與放電特性,即整流電路輸出單向脈動性直流電壓時對濾波電容充電,當沒有單向脈動性直流電壓輸出時,濾波電容對負載放電。
(2)分析濾波電感工作原理時,主要是認識電感器對直流電的電阻很小、無感抗作用,而對交流電存在感抗。
(3)進行電子濾波器電路分析時,要知道電子濾波管基極上的電容是濾波的關鍵元件。另外,要進行直流電路的分析,電子濾波管有基極電流和集電極、發射極電流,流過負載的電流是電子濾波管的發射極電流,改變基極電流大小可以調節電子濾波管集電極與發射極之間的管壓降,從而改變電子濾波器輸出的直流電壓大小。
(4)電子濾波器本身沒有穩壓功能,但加入穩壓二極管之后可以使輸出的直流電壓比較穩定。


返回頂部
刷新頁面
下到頁底