反激式變壓器是反激開關電源的核心,它決定了反激變換器一系列的重要參數,如占空比D,最大峰值電流,設計反激式變壓器,就是要讓反激式開關電源工作在一個合理的工作點上。這樣可以讓其的發熱盡量小,對器件的磨損也盡量小。同樣的芯片,同樣的磁芯,若是變壓器設計不合理,則整個開關電源的性能會有很大下降,如損耗會加大,最大輸出功率也會有下降,下面我系統的說一下我算變壓器的方法。
算變壓器,就是要先選定一個工作點,在這個工作點上算,這個是最苛刻的一個點,這個點就是最低的交流輸入電壓,對應于最大的輸出功率。下面我就來算了一個輸入85V到265V,輸出5V,2A 的電源,開關頻率是100KHZ。
第一步就是選定原邊感應電壓VOR,這個值是由自己來設定的,這個值就決定了電源的占空比。可能朋友們不理解什么是原邊感應電壓,是 這樣的,這要從下面看起,慢慢的來,
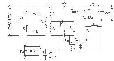
這是一個典型的單端反激式開關電源,大家再熟悉不過了,來分析一下一個工作周期,當開關管開通的時候,原邊相當于一個電感,電感兩端加上電壓,其電流值不會突變,而線性的上升,有公式上升了的I=Vs*ton/L,這三項分別是原邊輸入電壓,開關開通時間,和原邊電感量.在開關管關斷的時候,原邊電感放電,電感電流又會下降,同樣要尊守上面的公式定律,此時有下降了的I=VOR*toff/L,這三項分別是原邊感應電壓,即放電電壓,開關管關斷時間,和電感量.在經過一個周期后,原邊電感電流的值會回到原來,不可能會變,所以,有VS*TON/L=VOR*TOFF/L,,上升了的,等于下降了的,懂嗎,好懂吧,上式中可以用D來代替TON,用1-D來代替TOOF,移項可得,D=VOR/(VOR+VS)。此即是最大占空比了。比如說我設計的這個,我選定感應電壓為80V,VS為90V ,則D=80/(*80+90)=0.47
第二步,確實原邊電流波形的參數.
原邊電流波形有三個參數,平均電流,有效值電流,峰值電流.,首先要知道原邊電流的波形,原邊電流的波形如下圖所示,畫的不好,但不要笑啊.這是一個梯形波橫向表示時間,縱向表示電流大小,這個波形有三個值,一是平均值,二是有效值,三是其峰值,平均值就是把這個波形的面積再除以其時間.如下面那一條橫線所示,首先要確定這個值,這個值是這樣算的,電流平均值=輸出功率/效率*VS,因為輸出功率乘以效率就是輸入功率,然后輸入功率再除以輸入電壓就是輸入電流,這個就是平均值電流。現在下一步就是求那個電流峰值,尖峰值是多少呢,這個我們自己還要設定一個參數,這個參數就是KRP,所謂KRP,就是指最大脈動電流和峰值電流的比值這個比值下圖分別是最大脈動電流和峰值電流。是在0和1之間的。這個值很重要。已知了KRP,現在要解方程了,都會解方程吧,這是初一的應用題啊,我來解一下,已知這個波形一個周期的面積等于電流平均值*1,這個波形的面積等于,峰值電流*KRP*D+峰值電流*(1-KRP)*D,所以有電流平均值等于上式,解出來峰值電流=電流平均值/(1-0.5KRP)*D。比如說我這個輸出是10W,設定效率是0.8.則輸入的平均電流就是10/0.8*90=0.138A,我設定KRP的值是0.6而最大值=0.138/(1-0.5KRP).D=0.138/(1-0.5*0.6)*0.47=0.419A.
三個電流參數,就是這個電流的有效值,電流有效值和平均值是不一樣的,有效值的定義還記得嗎,就是說把這個電流加在一個電阻上,若是其發熱和另處一個直流電流加在這個電阻上發熱效果一樣的話,那么這個電流的有效值就等于這個直流的電流值.所以這個電流的有效值不等于其平均值,一般比其平均值要大.而且同樣的平均值,可以對應很多個有效值,若是把KRP的值選得越大,有效值就會越大,有效值還和占空比D也有關系,總之.它這個電流波形的形狀是息息相關的.我就直接給出有效值的電流公式,這個公式要用積分才能推得出來,我就不推了,只要大家區分開來有效值和平均值就可以了.
電流有效值=電流峰值*根號下的D*(KRP的平方/3-KRP+1)如我現在這個,電流有效值=0.419*根號下0.47*(0.36/3-0.6+1)=0.20A.所以對應于相同的功率,也就是有相同的輸入電流時,其有效值和這些參數是有關的,適當的調整參數,使有效值最小,發熱也就最小,損耗小.這便優化了設計.
第三步,開始設計變壓器準備工作.已知了開關頻率是100KHZ則開關周期就是10微秒了,占空比是0.47.那么TON就是4.7微秒了.記好這兩個數,對下面有用.
第四步,選定變壓器磁芯,這個就是憑經驗了,如果你不會選,就估一個,計算就行了,若是不行,可以再換一個大一點的或是小一點的,不過有的資料上有如何根據功率去選磁芯的公式或是區線圖,大家不妨也可以參考一下.我一般是憑經驗來的.
第五步,計算變壓器的原邊匝數,原邊使用的經徑.計算原邊匝數的時候,要選定一個磁芯的振幅B,即這個磁芯的磁感應強度的變化區間,因為加上方波電壓后,這個磁感應強度是變化的,正是因為變化,所以其才有了變壓的作用,NP=VS*TON/SJ*B,這幾個參數分別是原邊匝數,,最小輸入電壓,導通時間,磁芯的橫節面積和磁芯振幅,一般取B的值是0.1到0.2之間,取得越小,變壓器的鐵損就越小,但相應變壓器的體積會大些.這個公式來源于法拉弟電磁感應定律,這個定律是說,在一個鐵心中,當磁通變化的時候,其會產生一個感應電壓,這個感應電壓=磁通的變化量/時間T再乘以匝數比,把磁通變化量換成磁感應強度的變化量乘以其面積就可以推出上式來,簡單吧.我的這個NP=90*4.7微秒/32平方毫米*0.15,得到88匝0.15是我選取的了值.算了匝數,再確定線徑,一般來說電流越大,線越熱,所以需要的導線就越粗,,需要的線徑由有效值來確定,而不是平均值.上面已經算得了有效值,所以就來選線,我用0.25的線就可以了,用0.25的線,其面積是0.049平方毫米,電流是0.2安,所以其電流密度是4.08,可以,一般選定電流密度是4到10安第平方毫米.記住這一點,這很重要.若是電流很大,最好采用兩股或是兩股以上的線并繞,因為高頻電流有趨效應,這樣可以比較好.
第六步,確定次級繞組的參數,圈數和線徑.記得原邊感應電壓吧,這就是一個放電電壓,原邊就是以這個電壓放電給副邊的,看上邊的圖,因為副邊輸出電太為5V,加上肖特基管的壓降,就有5.6V,原邊以80V的電壓放電,副邊以5.6V的電壓放電,那么匝數是多少呢,當然其遵守變壓器那個匝數和電壓成正比的規律啦.所以副邊電壓=NS*(UO+UF)/VOR,其中UF為肖特基管壓降.如我這個副邊匝數等于88*5.6/80,得6.16,整取6匝.再算副邊的線徑,當然也就要算出副邊的有效值電流啦,副邊電流的波形會畫嗎,我畫給大家看一下吧畫的不太對稱,沒關系,只要知道這個意思,就可以了.有突起的時間是1-D,沒有突起的是D,剛好和原邊相反,但其KRP 的值和原邊相同的這下知道了這個波形的有效值是怎么算的了吧,哦,再提醒一句,這個峰值電流就是原邊峰值電流乘以其匝數比,要比原邊峰值電流大數倍哦.
第七步確定反饋繞組的參數,反饋是反激的電壓,其電壓是取自輸出級的,所以反饋電壓是穩定的,TOP 的電源電壓是5.7到9V,繞上7匝,那么其電壓大概是6V多,這就可以了,記得,反饋電壓是反激的,其匝數比要和幅邊對應,懂什么意思嗎,至于線,因為流過其的電流很小,所以就用繞原邊的線繞就可以了,無嚴格的要求.
第八步,確定電感量.記得原邊的電流上升公式嗎I=VS*TON/L.因為你已經從上面畫出了原邊電流的波形,這個I就是:峰值電流*KRP,所以L=VS.TON/峰值電流*KRP,知道了嗎,從此就確定了原邊電感的值.
第九步,驗證設計,即驗證一下最大磁感應強度是不是超過了磁芯的允許值,有BMAX=L*IP/SJ*NP.這個五個參數分別表示磁通最大值,原邊電感量,峰值電流,原邊匝數,這個公式是從電感量L的概念公式推過來的,因為L=磁鏈/流過電感線圈的電流,磁鏈等于磁通乘以其匝數,而磁通就是磁感應強度乘以其截面積,分別代入到上面,即當原邊線圈流過峰值電流時,此時磁芯達到最大磁感應強度,這個磁感應強度就用以上公式計算.BMAX的值一般一要超過0.3T ,若是好的磁芯,可以大一些,若是超過了這個值,就可以增加原邊匝數,或是換大的磁芯來調.
總結一下:
設計高頻變壓器,有幾個參數要自己設定,這幾個參數就決定了開關電源的工作方式,第一是要設定最大占空比D,這個占空比是由你自己設定的感應電壓VOR來確定的,再就是設定原邊電流的波形,確定KRP的值,設計變壓器時,還要設定其磁芯振幅B,這又是一個設定,所有這些設定,就讓這個開關電源工作在你設定的方式之下了.要不斷的調整,工作在一個對你來說最好的狀態之下,這就是高頻變壓器的設計任務.總結一
公式D=VOR/(VOR+VS ) (1)
IAVE=P/效率*VS (2)
IP=IAVE/(1-0.5KRP)*D (3)
I有效值=電流峰值*根號下的D*(KRP的平方/3-KRP+1) (4)
NP=VS*TON/SJ*B (5)
NS=NP*(VO+VF)/VOR (6)
L=VS.TON/IP.KRP (7)
BMAX=L*IP/SJ.NP (8)
不過總的來說,高頻變壓器是一個比較復雜的東西,我短短的篇幅在此也不足以說明,學習高頻變壓器,我苦搞了兩個月。才覺得有了頭緒。可能有些地方我說的不太清楚,大家就自己揣摩了,若是不懂,在群上問我好了,我會盡力解答。學的時候注意各個參數之間的聯系,因為本來這個東西就是一個整體,多分析,多思考,想來大家就會精通。新摸索到的東西不妨來告訴我啊。





返回頂部
刷新頁面
下到頁底