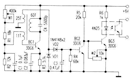
金屬不靠近探頭時,高頻振蕩器工作,振蕩信號經DV1、DV2倍壓整流,得到一直流電壓使BG2導通,BG3截止,后續電路不工作。當有金屬靠近探頭時,由于渦流損耗,高頻振蕩器停振,BG2截止,BG3得電導通,光電耦合器4N25內藏發光管發光,光敏三極管導通接通電路,起開關作用。
元件選擇
探頭需自制,在φ5mm×4mm磁芯上,用φO.12mm的漆包線繞制,繞制匝數如圖所示,其他元件按圖所標。一般只要元件好,焊接無誤,即可正常工作。
調試
接通電源,調節W1,用萬用表監測BG2,使c、e兩極之間剛好完全導通。這時高頻振蕩器處于弱振狀態。然后用一金屬物靠近探頭,BG2應馬上截止。再細調W2使BG3剛好完全導通,此時靈敏度高,范圍大(感應距離在幾毫米到數十毫米),再根據自己的使用情況,細心調整W1和W2,使感應距離適合自己使用即可。


返回頂部
刷新頁面
下到頁底