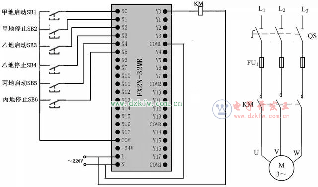
甲地起動控制。在甲地按下起動按鈕SB1時→X000常開觸點閉合→線圈Y000得電→Y000常開自鎖觸點閉合,Y0端子內部硬觸點閉合→Y000常開自鎖觸點閉合鎖定Y000線圈供電,Y0端子內部硬觸點閉合使接觸器線圈KM得電→主電路中的KM主觸點閉合,電動機得電運轉。
甲地停止控制。在甲地按下停止按鈕SB2時→X001常閉觸點斷開→線圈Y000失電→Y000常開自鎖觸點斷開,Y0端子內部硬觸點斷開→接觸器線圈KM失電→主電路中的KM主觸點斷開,電動機失電停轉。
(2)多人多地控制
起動控制。在甲、乙、丙三地同時按下按鈕SB1、SB3、SB5→線圈Y000得電→Y000常開自鎖觸點閉合,Y0端子的內部硬觸點閉合→Y000線圈供電鎖定,接觸器線圈KM得電→主電路中的KM主觸點閉合,電動機得電運轉。
停止控制。在甲、乙、丙三地按下SB2、SB4、SB6中的某個停止按鈕時→線圈Y000失電→Y000常開自鎖觸點斷開,Y0端子內部硬觸點斷開→Y000常開自鎖觸點斷開使Y000線圈供電切斷,Y0端子的內部硬觸點斷開使接觸器線圈KM失電→主電路中的KM主觸點斷開,電動機失電停轉。


返回頂部
刷新頁面
下到頁底