本文中將以分析幾個案例的方式拆解程序編程的過程,從控制過程到原理及梯形圖。如果采用其它系列或品牌的PLC,其邏輯結構大同小異。
PLC原理圖到程序的經典實例;—交通信號燈控制
(1)明確系統控制要求
系統要求用兩個按鈕來控制交通信號燈工作,交通信號燈排列如下圖所示。

系統控制要求具體如下:
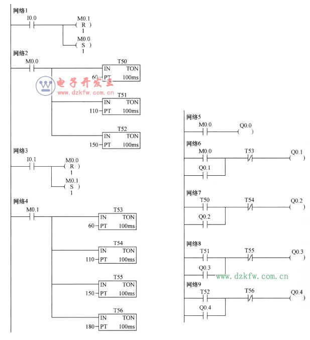
當按下起動按鈕后,南北紅燈亮25s,在南北紅燈亮25s的時間里,東西綠燈先亮20s再以1次/s的頻率閃爍3次,接著東西黃燈亮2s,25s后南北紅燈熄滅,熄滅時間維持30s,在這30s時間里,東西紅燈一直亮,南北綠燈先亮25s,然后以1次/s頻率閃爍3次,接著南北黃燈亮2s。以后重復該過程。按下停止按鈕后,所有的燈都熄滅。交通信號燈的工作時序如下圖所示。

(2)確定輸入/輸出設備,并為其分配合適的I/O端子
交通信號燈控制需用到的輸入/輸出設備和對應的PLC端子見下表。

(3)繪制交通信號燈控制電路圖

控制電路圖
(4)編寫PLC控制程序
啟動STEP 7-Micro/WIN編程軟件,編寫滿足控制要求的梯形圖程序,編寫完成的梯形圖如下圖所示。

梯形圖
在上圖所示的梯形圖中,采用了一個特殊的輔助繼電器SM0.5,稱為觸點利用型特殊繼電器,它利用PLC自動驅動線圈,用戶只能利用它的觸點,即畫梯形圖里只能畫它的觸點。SM0.5能產生周期為1s的時鐘脈沖,其高低電平持續時間各為0.5s,以上圖梯形圖網絡9為例,當T50常開觸點閉合,在1s內,SM0.5常閉觸點接通、斷開時間分別為0.5s,Q0.4線圈得電、失電時間也都為0.5s。
下面對照控制電路和時序圖來說明梯形圖工作原理:
(1)起動控制

(2)停止控制

PLC原理圖到程序的經典實例——噴泉控制
(1)明確系統控制要求
系統要求用兩個按鈕來控制A、B、C三組噴頭工作(通過控制三組噴頭的泵電動機來實現),三組噴頭排列如下圖所示。

系統控制要求具體如下:
當按下起動按鈕后,A組噴頭先噴5s后停止,然后B、C組噴頭同時噴,5s后,B組噴頭停止、C組噴頭繼續噴5s再停止,而后A、B組噴頭噴7s,C組噴頭在這7s的前2s內停止,后5s內噴水,接著A、B、C三組噴頭同時停止3s,以后重復前述過程。按下停止按鈕后,三組噴頭同時停止噴水。下圖為A、B、C三組噴頭工作時序圖。

(2)確定輸入/輸出設備,并為其分配合適的I/O端子
噴泉控制需用到的輸入/輸出設備和對應的PLC端子見下表:
(3)繪制噴泉控制電路圖

控制電路圖
(4)編寫PLC控制程序
啟動STEP 7-Micro/WIN編程軟件,編寫滿足控制要求的梯形圖程序,編寫完成的梯形圖如下圖所示。

梯形圖
下面對照控制電路來說明梯形圖的工作原理:
(1)起動控制

(2)停止控制

PLC原理圖到程序的經典實例——多級傳送帶控制
(1)明確系統控制要求
系統要求用兩個按鈕來控制傳送帶按一定方式工作,傳送帶結構如下圖所示。

系統控制要求具體如下:
當按下起動按鈕后,電磁閥YV打開,開始落料,同時一級傳送帶電動機M1起動,將物料往前傳送,6s后二級傳送帶電動機M2起動,M2起動5s后三極傳送帶電動機M3起動,M3起動后4s后四級傳送帶電動機M4起動。
當按下停止按鈕后,為了不讓各傳送帶上有物料堆積,要求先關閉電磁閥YV,6s后讓M1停轉,M1停轉5s后讓M2停轉,M2停轉4s后讓M3停轉,M3停轉3s后讓M4停轉。
(2)確定輸入/輸出設備,并為其分配合適的I/O端子
多級傳送帶控制需用到的輸入/輸出設備和對應的PLC端子見下表。

(3)繪制多級傳送帶控制電路圖

控制電路圖
(4)編寫PLC控制程序
啟動STEP 7-Micro/WIN編程軟件,編寫滿足控制要求的梯形圖程序,編寫完成的梯形圖如下圖所示。

梯形圖
下面對照控制電路來說明梯形圖的工作原理。
(1)起動控制

(2)停止控制

PLC原理圖到程序的經典實例——車庫自動門控制
(1)明確系統控制要求
系統要求車庫門在車輛進出時能自動打開關閉,車庫門控制結構如下圖所示。

系統控制具體要求如下:
在車輛入庫經過入門傳感器時,入門傳感器開關閉合,車庫門電動機正轉,車庫門上升,當車庫門上升到上限位開關處時,電動機停轉;車輛進庫經過出門傳感器時,出門傳感器開關閉合,車庫門電動機反轉,車庫門下降,當車庫門下降到下限位開關處時,電動機停轉。
在車輛出庫經過出門傳感器時,出門傳感器開關閉合,車庫門電動機正轉,車庫門上升,當門上升到上限位開關處時,電動機停轉;車輛出庫經過入門傳感器時,入門傳感器開關閉合,車庫門電動機反轉,車庫門下降,當門下降到下限位開關處時,電動機停轉。
(2)確定輸入/輸出設備,并為其分配合適的I/O端子
車庫自動門控制需用到的輸入/輸出設備和對應的PLC端子見下表:

(3)繪制車庫自動門控制電路圖

控制電路圖
(4)編寫PLC控制程序
啟動STEP 7-Micro/WIN編程軟件,編寫滿足控制要求的梯形圖程序,編寫完成的梯形圖如下圖所示。

梯形圖
下面對照控制電路來說明梯形圖的工作原理。
(1)入庫控制過程

(2)出庫控制過程



返回頂部
刷新頁面
下到頁底