設計目錄
一.實驗目的/內容。
二.實驗器材與設備。
三.I/O口分配表。
四.時序圖/SFC。
五.P LC的外接線圖。
六.梯形圖(程序圖)。
七.設計心得。
一.實驗目的/內容
(一)目的:
1.認識PLC實物,掌握PLC各部分硬件的作用。
2.掌握STEP 7 MicroWIN軟件的應用及基本邏輯指令、定時器、計數器、傳送指令、互鎖電路、微分電路、子程序的
調用、跳轉指令等的綜合應用。
3.根據本次實驗的控制系統要求,編寫出梯行圖程序。
4. 通過本次實驗更進一步了解PLC,以及外部的接線。
5.培養綜合運用所學的基礎理論和專業知識,分析和解決實際工程技術問題的能力。
(二)內容:
a.使用洗衣機的操作順序是:接通電源→將衣服放入洗衣桶中→加
入適當洗衣粉→關上門蓋→選擇水位→選擇洗滌方式→選擇洗衣周期→選擇洗衣程序→按啟動鍵→洗衣機啟動,按規定好的程序完成洗滌全過程。
b.水位調節旋鈕有高、中、低、少量4種可供選擇。
c.洗滌方式有通常洗滌和柔和洗滌2種方式可供選擇。在通常洗滌
時電機的工作流程是:正轉27s→停3秒→反轉27s→停3秒→正轉27s……循環工作;在柔和洗滌方式時,電機的工作流程是:正轉3s→停7s→反轉3s→停7s→正轉……循環工作。
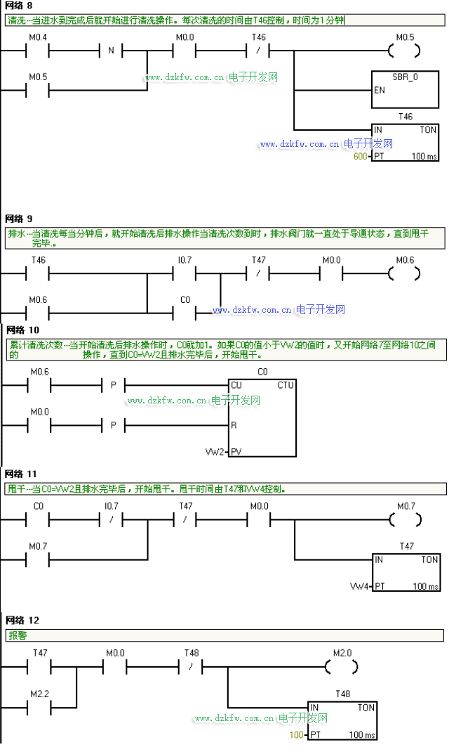
d.洗衣周期選擇開關有標準和經濟兩種方式可供選擇。在標準方式
時,洗衣過程是:洗滌12min→清洗4min(也是清洗4遍)→脫水5min;在經濟方式時,洗衣過程是:洗滌6min→清洗2min(也是清洗2遍)→脫水3.5min。
e.脫水完成之后,報警3s。洗衣結束。
二.實驗器材與設備
電腦一臺(并安裝STEP 7 MicroWIN軟件)、實驗箱一臺(包括S7-200西門子PLC一個,AB接口USB連線一條、電源線兩條)。
三.I/O口分配表
①MAIN主程序順序功能圖:
②SBR_0子程序順序功能圖:
五.PLC的外接線圖
基于PLC洗衣機全自動控制系統課程設計報告
七.設計心得
隨著期末日子的快快到來,課程設計也接近了尾聲。經過幾周的奮戰我的設計終于完成了。在沒有做課程設計以前覺得課程設計只是對這學期來所學知識的單純總結,但是通過這次做課程設計發現自己的看法有點太片面。課程設計不僅是對前面所學知識的一種檢驗,而且也是對自己能力的一種提高。通過這次課程設計使我明白了自己原來知識還比較欠缺。自己要學習的東西還太多,以前老是覺得自己什么東西都會,什么東西都懂,有點眼高手低。通過這次畢業設計,我才明白學習是一個長期積累的過程,在以后的工作、生活中都應該不斷的學習,努力提高自己知識和綜合素質。
課程設計是這門課的最后一個實踐性教學環節,目的是培養我們綜合應用所學的基礎理論和專業知識,分析和解決實際工程技術問題的能力。經過了這次課程設計,我有許多感悟和體會,在此做個總結。在課程設計之前大家要意識到這次課程設計的重要性,隨著金融危機的影響,就業進一步困難,這使得高職院校的學生面臨著嚴峻的就業方面的挑戰。因此,對我們而言理論與實踐一樣重要。這次的課程設計不僅為本學習本課程實踐部分的總結,也為明年的畢業設計和即將面對工作崗位做個基礎性的準備。
接下來就是根據洗衣機的控制系統要求,進行編寫程序。當時我有這樣大致的一個框架,這個控制系統就是以我們平時所積累的一寫基本電路構成的,各部分功能在銜接的細節上做個巧妙的處理。如洗衣機要接通電源,可以用啟停電路:洗滌時間要設置,我們不難想到定時器與傳送指令的配合;對于洗滌周期的設置我們不妨用計數器進行設置。我想在寫程序之前有這樣的框架為以下的編程給出了大致的方向。
有了頭緒之后,接著就是起草到將起草的程序輸入到 STEP 7 MicroWIN 軟件中進行調試的工作。各部分功能程序在模擬過程中值得一提.我想也是這個控制系統的核心部分。1.當水位到達一定高度時要自動洗滌;2.在洗滌完后要排水,如何實現自動排水;3.排完水后要自動進水,并且到達某個水位后進行第二輪的洗滌;4.洗滌周期的問題。解決方法在以上各段程序分析部分有重點提及到,在此不做說明。
在程序調試完畢后的工作就是整個制作過程和如何與 PLC 連接過程等問題,見以上第三點里的內容
最后就是完成報告
以上所談到的內容是這次課程設計的大致心得體會。




返回頂部
刷新頁面
下到頁底