兩種液體混合裝置如圖5-5所示,YV1、YV2分別為A、B液體注入控制電磁閥,電磁閥線圈通電時打開,液體可以流入,YV3為C液體流出控制電磁閥,H、M、L分別為高、中、低液位傳感器,M為攪拌電動機,通過驅動攪拌部件旋轉使A、B液體充分混合均勻。
圖5-5 兩種液體混合裝置
液體混合裝置控制要求如下。
①裝置的容器初始狀態應為空的,三個電磁閥都關閉,電動機M停轉。按下啟動按鈕,YV1電磁閥打開,注入A液體,當A液體的液位達到M位置時,YV1關閉;然后YV2電磁閥打開,注入B液體,當B液體的液位達到H位置時,YV2關閉;接著電動機M開始運轉攪拌20s,然后YV3電磁閥打開,C液體(A、B混合液)流出,當C液體的液位下降到L位置時,開始20s計時,在此期間C液體全部流出,20s后YV3關閉,一個完整的周期完成。以后自動重復上述過程。
②當按下停止按鈕后,裝置要完成一個周期才停止。
③可以用手動方式控制A、B液體的注入和C液體的流出,也可以手動控制攪拌電動機的運轉。
確定輸入/輸出設備,并為其分配合適的I/O端子
液體混合裝置控制采用的輸入/輸出設備和對應的PLC端子見表5-2。
表5-2 液體混合裝置控制采用的輸入/輸出設備和對應的PLC端子
繪制控制線路圖
圖5-6所示為液體混合裝置的PLC控制線路圖。
圖5-6 液體混合裝置的PLC控制線路圖
編寫PLC控制程序
1)繪制狀態轉移圖
在編寫較復雜的步進程序時,建議先繪制狀態轉移圖,再按狀態轉移圖的框架繪制梯形圖。STEP 7-Micro/WIN SMART編程軟件不具備狀態轉移圖繪制功能,因此可采用手工或借助一般的圖形軟件繪制狀態轉移圖。
圖5-7所示為液體混合裝置控制的狀態轉移圖。
圖5-7 液體混合裝置控制的狀態轉移圖
2)繪制梯形圖
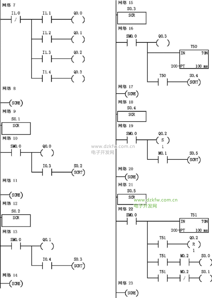
啟動編程軟件,按照圖5-7所示的狀態轉移圖編寫梯形圖程序,如圖5-8所示。
下面對照圖5-6所示控制線路來說明圖5-8所示梯形圖的工作原理。
液體混合裝置有自動和手動兩種控制方式,它由開關QS來決定(QS閉合——自動控制;QS斷開——手動控制)。要讓裝置工作在自動控制方式,除了開關QS應閉合外,裝置還須滿足自動控制的初始條件(又稱原點條件),否則系統將無法進入自動控制方式。裝置的原點條件是L、M、H液位傳感器的開關SQ1、SQ2、SQ3均斷開,電磁閥YV1、YV2、YV3均關閉,電動機M停轉。
(1)檢測原點條件。
圖5-8所示梯形圖中的[1]程序用來檢測原點條件(或稱初始條件)。在啟動自動控制前,若裝置中的液體未排完,或者電磁閥YV1、YV2、YV3和電動機M有一個或多個處于得電工作狀態,即不滿足原點條件,系統將無法進入自動控制工作狀態。
程序檢測原點條件的方法:若裝置中的C液體位置高于傳感器L→SQ1閉合→[1]I0.2常閉觸點斷開,M0.0線圈無法得電;或者某原因讓Q0.0~Q0.3線圈中的一個或多個處于得電狀態,會使電磁閥YV1、YV2、YV3或電動機M處于通電工作狀態,同時會使Q0.0~Q0.3常閉觸點斷開而讓M0.0線圈無法得電;[6]M0.0常開觸點斷開,無法對狀態繼電器S0.1置位,也就不會轉移執行從S0.1程序段開始的自動控制程序。
如果是因為C液體未排完而使裝置不滿足自動控制的原點條件,可手工操作SB5按鈕,使[7]I1.3常開觸點閉合,Q0.2線圈得電,接觸器KM3線圈得電,KM3觸點(圖5-6中未畫出)閉合,接通電磁閥YV3線圈電源,YV3打開,將C液體從裝置容器中放完,液位傳感器L的SQ1斷開,[1]I0.2常閉觸點閉合,M0.0線圈得電,從而滿足自動控制所需的原點條件。
圖5-8 液體混合裝置控制梯形圖程序
(2)自動控制過程。
在啟動自動控制前,需要做一些準備工作,包括操作準備和程序準備。
①操作準備:將手動/自動切換開關QS閉合,選擇自動控制方式,圖5-8 中[6]I1.0常開觸點閉合,為接通自動控制程序段做準備;[7]I1.0常閉觸點斷開,切斷手動控制程序段。
②程序準備:在啟動自動控制前,[1]程序會檢測原點條件,若滿足原點條件,則輔助繼電器線圈M0.0得電,[6]M0.0常開觸點閉合,為接通自動控制程序段做準備。另外,在PLC剛啟動時,[4]SM0.1觸點自動接通一個掃描周期,“S S0.0, 1”指令執行,將狀態繼電器S0.0置位,使程序轉移至S0.0程序段,也為接通自動控制程序段做準備。
③啟動自動控制:按下啟動按鈕SB1→[6]I0.0常開觸點閉合→執行“SCRT S0.1”指令,程序轉移至S0.1程序段→由于[10]SM0.0觸點在S0.1程序段運行期間始終閉合,Q0.0線圈得電→Q0.0端子內硬觸點閉合→KM1線圈得電→主電路中KM1主觸點閉合(圖5-6中未畫出主電路部分)→電磁閥YV1線圈通電,閥門打開,注入A液體→當A液體高度到達液位傳感器M位置時,傳感器開關SQ2閉合→[10]I0.3常開觸點閉合→執行“SCRT S0.2”指令,程序轉移至S0.2程序段(同時S0.1程序段復位)→由于[13]SM0.0觸點在S0.2程序段運行期間始終閉合,Q0.1線圈得電,S0.1程序段復位使Q0.0線圈失電→Q0.0線圈失電使電磁閥YV1閥門關閉,Q0.1線圈得電使電磁閥YV2閥門打開,注入B液體→當B液體高度到達液位傳感器H位置時,傳感器開關SQ3閉合→[13]I0.4常開觸點閉合→執行“SCRT S0.3”指令,程序轉移至S0.3程序段→[16]常ON觸點SM0.0使Q0.3線圈得電→攪拌電動機M運轉,同時定時器T50開始20s計時→20s后,定時器T50動作→[16]T50常開觸點閉合→執行“SCRT S0.4”指令,程序轉移至S0.4程序段→[19]常ON觸點SM0.0使Q0.2線圈被置位→電磁閥YV3打開,C液體流出→當液體下降到液位傳感器L位置時,傳感器開關SQ1斷開→[3]I0.2常開觸點斷開(在液體高于L位置時SQ1處于閉合狀態),產生一個下降沿脈沖→下降沿脈沖觸點為繼電器M0.1線圈接通一個掃描周期→[19]M0.1常開觸點閉合→執行“SCRT S0.5”指令,程序轉移至S0.5程序段,由于Q0.2線圈是置位得電,故程序轉移時Q0.2線圈不會失電→[22]常ON觸點SM0.0使定時器T51開始20s計時→20s后,[22]T51常開觸點閉合,Q0.2線圈復位→電磁閥YV3關閉;與此同時,S0.1線圈得電,[9] S0.1程序段激活,開始下一次自動控制。
x 停止控制:在自動控制過程中,若按下停止按鈕SB2→[2]I0.1常開觸點閉合→輔助繼電器M0.2得電→M0.2自鎖觸點閉合,鎖定供電;[22]M0.2常閉觸點斷開,狀態繼電器S0.1無法得電,[9]S0.1程序段無法運行;[22]M0.2常開觸點閉合,當程序運行到[22]時,T51常開觸點閉合,狀態繼電器S0.0得電,[5]S0.0程序段運行,但由于常開觸點I0.0處于斷開(SB1斷開)狀態,狀態繼電器S0.1無法置位,無法轉移到S0.1程序段,自動控制程序部分無法運行。
(3)手動控制過程。
將手動/自動切換開關QS斷開,選擇手動控制方式→[6]I1.0常開觸點斷開,狀態繼電器S0.1無法置位,無法轉移到S0.1程序段,即無法進入自動控制程序;[7]I1.0常閉觸點閉合,接通手動控制程序→按下SB3,I1.1常開觸點閉合,Q0.0線圈得電,電磁閥YV1打開,注入A液體→松開SB3,I1.1常閉觸點斷開,Q0.0線圈失電,電磁閥YV1關閉,停止注入A液體→按下SB4注入B液體,松開SB4停止注入B液體→按下SB5排出C液體,松開SB5停止排出C液體→按下SB6攪拌液體,松開SB6停止攪拌液體。


返回頂部
刷新頁面
下到頁底