3.1.2 半導體二極管的開關特性及原理分析
半導體二極管最顯著的特點是具有單向導電特性
一、靜態特性
1.二極管開關應用舉例
圖3.2給出的是最簡單的硅二極管開關電路。輸入電壓為ui,其低電平為UiL=-2V,高電平為UiH=3V。
(a) (b) (c)
圖 3.2 硅二極管開關電路及其直流等效電路
(1)ui=UiL=-2V時
半導體二極管反偏,D處在反向截止區,如同一個斷開了的開關,直流等效電路如圖3.2(b)所示,顯然,輸出電壓為0V,即uO=0。
(2)ui=UiH=3V時
半導體二極管正向偏置,D工作在正向導通區,其導通壓降UD≈0.7V,
如同一個具有0.7V壓降、閉合了的開關,直流等效電路如圖3.2(c)所
示,顯然輸出電壓等于UiH減去UD,即
uO=UiH-UD=(3- 0.7)V=2.3V
2.靜態開關特性
通過對最簡單的二極管開關電路的分析可知,硅半導體二極管具有下列靜態開關特性:
(1)導通條件及導通時的特點
當外加正向電壓UD >0.7V時,二極管導通,而且一旦導通之后,就可以近似地認為UD ≈0.7V不變,如同一個具有0.7V壓降閉合了的開關。在有些情況下,例如在圖3.2所示電路中,當ui=UiH很大時,便可近似地認為uO≈UiH,即忽略二極管導通壓降。
(2)截止條件及截止時的特點
當外加電壓UD<0.5V時,二極管截止,而且一旦截止之后,就近似地認為ID≈0,如同一個斷開了的開關。
二、動態特性
1.二極管的電容效應
(1)結電容Cj
(2)擴散電容CD
2.二極管的開關時間
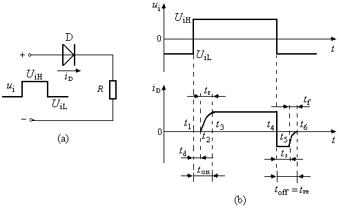
(1)簡單二極管開關電路及ui和iD的波形
如圖所示是一個最簡單的二極管開關電路及相應的ui和iD的波形。
(2)開通時間ton
當輸入電壓ui由UiL跳變到UiH時,二極管D要經過導通延遲時間td=t2-t1、上升時間tr=t3-t2之后,才能由截止狀態轉換到導通狀態。其原因在于,當ui正跳變時,只有當PN結中電荷量減少,PN結由反偏轉換到正偏,也即Cj放電后,二極管D才會導通,此后流過二極管中的電流iD也只能隨著擴散存儲電荷的增加而增加,也即隨著CD的充電而增加,并逐步達到穩態值ID=(UiH-UD)/R。所以半導體二極管的開通時間為
ton=td+tr
(3)關斷時間toff
當輸入電壓ui由UiH跳變到UiL時,二極管D經過存儲時間ts=t5-t4、下降時間(也叫做渡越時間)tf=t6-t5之后,才會由導通狀態轉換到截止狀態。ts是存儲電荷消散時間,tf是PN結由正偏到反偏,PN結中電荷量逐漸增加到截止狀態下穩態值的時間,也即CD放電、Cj充電的時間。關斷時間toff也叫做反向恢復時間,常用tre表示。其關斷時間為
toff=tre=ts+tf
由于半導體二極管的開通時間ton比關斷時間toff短得多,所以一般情況下可以忽略不計,而只考慮關斷時間,也即反向恢復時間tre。一般開關二極管的反向恢復時間也只有幾個納秒。例如,用于高速開關電路的平面型硅開關管2CK系列,tre≤5ns。


返回頂部
刷新頁面
下到頁底