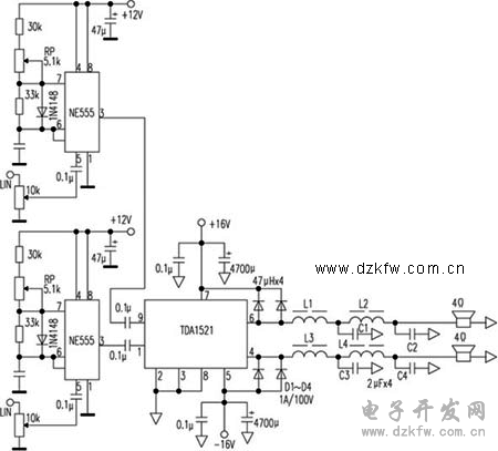
筆者設計的這款開關型(D類)音頻功率放大器采用時基電路NE555推動雙聲道功放TDA1521,在±16V供電時可以以高于85%的效率輸出30W×2的功率。
電原理見圖。NE555時基IC被接成振蕩頻率120kHz、占空比50%的方波振蕩器。音頻信號由⑤腳輸入時,③腳的輸出信號占空比就會隨著輸入音頻信號的幅值高低而作線性變化。該信號經TDA1521功率放大后再經L1~L4、C1~C4構成的濾波電路還原音頻信號。快恢復二極管D1~D4用以保護TDA1521免受L1~L4自感電勢的損壞。由于IC都是工作于開關狀態,因而可以高效率地輸出大功率。
調試時先不輸入音頻信號,此時TDA1521的輸出端對地電壓應為0V,否則是時基電路靜態輸出非對稱的方波,應調節RP預以校正。然后輸入信號揚聲器應發聲。本裝置在輸入1kHz的音頻信號而輸出功率為30W×2時,實測效率達85%以上,諧波失真小于0.8%,效果是出入意料地理想。
>


返回頂部
刷新頁面
下到頁底